电脑桌面
添加小米粒文库到电脑桌面
安装后可以在桌面快捷访问

隧道施工方案范本VIP免费

隧道施工方案范本_第1页
1/25
隧道施工方案范本_第2页
2/25
隧道施工方案范本_第3页
3/25
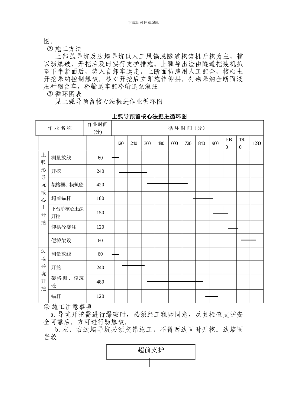
下载后可任意编辑土家湾隧道施工 (一)施工原则 采纳大型施工机械配套施工,开挖出渣机械配套作业线、初期支护砼机械配套作业线与二次衬砌砼施工作业线相配合一条龙作业。软弱围岩坚持“短进尺、弱(不)爆破、快封闭、强支护、紧衬砌”的原则,开挖后仰拱及时跟上封闭成环。施工中进行超前地质预报,采纳先进的量测探测技术对围岩提前做出推断,拟定相应的施工方案。(二)施工布置土家湾隧道左右洞均采纳对头单向施工,左、右洞口各布置一个隧道专业机械化施工队。隧道施工安排在冬季前完成洞门的开挖,并完成进洞施工。洞内施工开挖、出渣初期支护与二次衬砌模筑砼平行作业。隧道路面待贯穿后中间向两侧洞口反向施工。根据地形地貌及工期要求,本隧道不设施工支洞。(三)总体方案根据土家湾隧道围岩情况及断面设计,结合本承包人现有技术装备力量和多年的隧道施工经验,确定对于I、Ⅱ类围岩采纳上弧导预留核心法施工,格栅钢架辅助支护。隧道出渣采纳无轨运输。初期支护施作及时可靠,衬砌砼采纳机械化作业,二次衬砌采纳砼输送车、输送泵和全断面液压衬砌台车相配合的方案。施工过程中加强监测,及时处理分析数据,高速支护参数。开挖前做好超前地质预报、探测工作,根据围岩情况实行相应的施工方案。洞口工程(1)洞口施工工序施工工序见洞口施工程序框图(2)洞口开挖隧道施工便道修至洞口附近后,近洞口侧 60M 范围内及两洞口中间地带,用装载机辅以挖掘机整平压实,修建供风、供水、供电设施,并用作材料存放场地和机械停放场地。洞口及明洞在开挖过程自上而下分层开挖。施工机械以挖掘机为主,遇地层坚硬石质人工打眼松动爆破,运输采纳 15t 太脱拉自卸车。(3)边坡防护洞口开挖后的边仰坡面按设计整修平整,及时按设计进行防护,以防风化、雨水渗透而坍塌或滑坡。(4)洞门修筑本隧道洞门修筑在进洞施工前完成,并完成明洞回填工作,作好洞口范围的排水工作,以确保洞口稳固、安全。主便道修至洞口截水沟的开挖和修筑施工场地的平整修建洞口临时生产设施洞口土方分层开挖下载后可任意编辑 挖至路基 设计高度洞口施工程序框图洞身施工1、开挖方法(1)洞身采纳上弧导预留核心法施工。 ① 施工工序 见上弧导预留核心法施工示意图及上弧导预留核心法施工程序框边坡临时防护边坡修整洞口排水沟的修筑洞门施工护面墙施工洞门装饰下载后可任意编辑图。 ② 施工方法上部弧导坑及边墙导坑以人工风镐或隧道挖装机开挖为主,辅以弱...

1、当您付费下载文档后,您只拥有了使用权限,并不意味着购买了版权,文档只能用于自身使用,不得用于其他商业用途(如 [转卖]进行直接盈利或[编辑后售卖]进行间接盈利)。
2、本站所有内容均由合作方或网友上传,本站不对文档的完整性、权威性及其观点立场正确性做任何保证或承诺!文档内容仅供研究参考,付费前请自行鉴别。
3、如文档内容存在违规,或者侵犯商业秘密、侵犯著作权等,请点击“违规举报”。

碎片内容

隧道施工方案范本

一二三四传媒+ 关注
实名认证
内容提供者

大量资料供您选择,没有合适的可以联系小二。

确认删除?
VIP
微信客服
  • 扫码咨询
会员Q群
  • 会员专属群点击这里加入QQ群
客服邮箱
回到顶部