电脑桌面
添加小米粒文库到电脑桌面
安装后可以在桌面快捷访问

顶管的施工方案VIP免费

顶管的施工方案_第1页
1/13
顶管的施工方案_第2页
2/13
顶管的施工方案_第3页
3/13
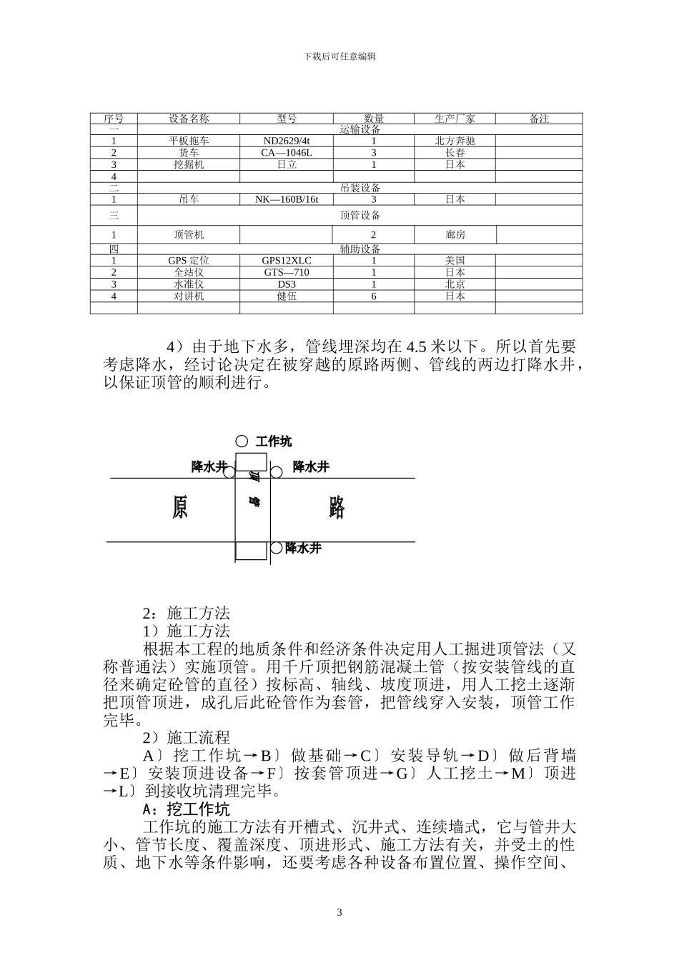
下载后可任意编辑一、 编制说明1、施工方案编制内容: 辽滨沿海经济区河畔水乡住区污、雨水工程第一标段,过路顶管方案2、施工组织设计编制依据:(1)盘锦辽滨沿海经济区河畔水乡住区污、雨水排水工程第一标段《污、雨水排水施工图》。(2)辽滨沿海经济区河畔水乡住区污、雨水排水工程第一标段《地质勘察报告》。(3)《给水排水管道工程施工及验收法律规范》(GB50268—2024)(4)现场踏勘二、工程概况1)工程名称:盘锦辽滨沿海经济区河畔水乡东片市政工程2)工程位置:本工程位于宏冠大厦、辽宁滨海大饭店两座大厦东侧,南至康安路,北至河畔北路。3)河畔路污、雨水管线南、北横跨整个水乡小区,与河畔中路、曙光路、重工路、河畔北路交汇。并且这四条路污水管线的支线横穿通过。4)穿越管线的管径 Ф400—Ф2000,埋深均在 2-6 米之间。5)需要做顶管的各路工程量为1):河畔路 D400 15 米、D500 129 米、D600 21 米 、D700 15 米、D800 15 米 、D100 21 米 D1200 45 米 、D1800 21 米 、D2000 30 米 三: 地质条件本工程场地所处地貌为辽河冲击平原,地基土的成因类型为人工填土及第四系冲击物,根据其成因时代及工程地质性质,将所揭露的地层从上至下详述如下:1、根据现场钻探勘查资料第一层为素天土,分布普遍,较均匀。层底埋深 0.3—0.8m,层底标高 1.55—3.68m,层厚 0.3—0.8m,第二层为淤泥质粉质粘土夹淤泥质粘土,黄褐色、灰黑色、很湿、软塑。干强度中等,韧性中等,切面稍有光滑,无摇振反映。层底埋深 1.2—4.9m,层底标高-2.88—3.18m,层厚 0.8—4.2m。该层分布普遍,不均匀。第三层为粉质粘土夹粉土,灰黑色,很湿,可塑,干强度中等,韧性中等,无摇振反映,切面稍有光滑:粉土,黑色灰,很湿,稍密—中等。干强度很强,韧性低,无光泽,摇振反映迅速。层底埋深 3.5—8.0m,层底标高-6.05m 层厚 0.8—7.6m。该层分布不均匀。第四层为粉砂夹粉土:粉砂,灰黑色,饱和,松散—中密;粉土,黑灰色,很湿,稍密—中密。干强度低,韧性低,无光泽,摇振反映迅速。砂感较强,见贝壳。钻孔最大揭露度 4.0m—8.2m,该层分布连续,较均匀。2、本地区地下水位埋深一般 0.2~0.6m,最大达 3m(填方所1下载后可任意编辑致)。地下水位受人工灌溉影响较大,为第四孔隙潜水,含水层岩性为粉砂,水质类型含氯离子、硫酸根离子、钠及钙离子较重,该地下水接受海水、辽河地表水侧向渗入补给、大气降...

1、当您付费下载文档后,您只拥有了使用权限,并不意味着购买了版权,文档只能用于自身使用,不得用于其他商业用途(如 [转卖]进行直接盈利或[编辑后售卖]进行间接盈利)。
2、本站所有内容均由合作方或网友上传,本站不对文档的完整性、权威性及其观点立场正确性做任何保证或承诺!文档内容仅供研究参考,付费前请自行鉴别。
3、如文档内容存在违规,或者侵犯商业秘密、侵犯著作权等,请点击“违规举报”。

碎片内容

顶管的施工方案

您可能关注的文档

确认删除?
VIP
微信客服
  • 扫码咨询
会员Q群
  • 会员专属群点击这里加入QQ群
客服邮箱
回到顶部