电脑桌面
添加小米粒文库到电脑桌面
安装后可以在桌面快捷访问

高挡墙安全专项施工方案VIP免费

高挡墙安全专项施工方案_第1页
1/16
高挡墙安全专项施工方案_第2页
2/16
高挡墙安全专项施工方案_第3页
3/16
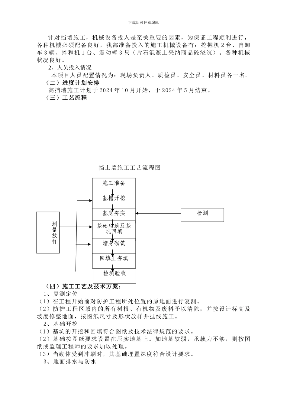
下载后可任意编辑建德市下北线(下涯至春秋段)公路改建工程高挡墙专项施工方案建德市下北线(下涯至春秋段)公路改建工程项目经理部2024 年 06 月 10 日下载后可任意编辑高挡墙安全专项施工方案一、编制说明:(1)编制依据 1、《中华人民共和国建筑法》、《中华人民共和国安全生产法》、《建设工程安全生产管理条例》、《公路工程施工安全技术规程》。2、《公路路基施工技术法律规范》(JTG-F10--2000)3、《公路工程质量检验评定标准》(JTGF80-1-2024) 4、交通部《公路工程施工安全技术规程》(JTJ076--95)5、《地基与基础工程施工及验收法律规范》GBJ-2024-836、《砌体工程施工及验收法律规范》GB50203-987、《施工现场临时用电安全技术法律规范》JGJ46-888、《建德市下北线下涯至春秋段公路改建工程》两阶段施工图。9、现场实际情况及我公司多年的施工经验。(2)编制目的1、加强建筑工程安全生产监督管理,保障人民群众生命财产安全;2、贯彻落实《中华人民共和国建筑法》、《中华人民共和国安全生产法》以及《建设工程安全生产条例》;3、法律规范省、市、县建筑施工安全管理工作。(3)适用范围适用于本项目高挡墙砌筑。二、工程概况(一)工程描述下北线是建德市的一条重要县道,位于建德市中部,是下涯镇 320 国道以北区的唯一骨架公路,承担着下涯镇内部联系与对外沟通的重要使命。本项目起点位于 320国道下涯段 K339+140 附近,起点桩号 K0+000,终点位于春秋村,主线终点桩号K4+396.95 全长 4.397 公里。之后按三级公路标准对老路进行拼宽处理,至改造终点徐坑桥头,连接线全长 0.247 公里。路线全长 4.644 公里。本项目采纳交通部颁发的《公路工程技术标准》(JTG B01-2024)中的二级公路技术标准建设,路基采纳 15 米,路幅布置为:行车道宽 2×3.5m,硬路肩(慢车道)宽 2×3.25m, 土 路 肩 宽 2×0.75m, 设 计 速 度 采 纳 60 公 里 / 每 小 时 。 本 工 程 项 目K3+380~K3+700 段为改溪路段,挡墙平均高度为 6 米,属于高挡墙施工。(二)施工环境路线区属亚热带季风气候,四季分明,温暖湿润,雨量充沛。全年有两个主要降雨期,主要是春季 3~5 月,雨量同步增长和 5~7 月的梅雨季节。以上两个降雨期是本区地质灾害的高发期。区内主要河流为下涯溪,下涯溪宽约 20 米,各河道平常水流速缓慢。除丰水季节短时间内水流速度较快外,一般情况下,江河水流速度均较慢,...

1、当您付费下载文档后,您只拥有了使用权限,并不意味着购买了版权,文档只能用于自身使用,不得用于其他商业用途(如 [转卖]进行直接盈利或[编辑后售卖]进行间接盈利)。
2、本站所有内容均由合作方或网友上传,本站不对文档的完整性、权威性及其观点立场正确性做任何保证或承诺!文档内容仅供研究参考,付费前请自行鉴别。
3、如文档内容存在违规,或者侵犯商业秘密、侵犯著作权等,请点击“违规举报”。

碎片内容

高挡墙安全专项施工方案

确认删除?
VIP
微信客服
  • 扫码咨询
会员Q群
  • 会员专属群点击这里加入QQ群
客服邮箱
回到顶部