电脑桌面
添加小米粒文库到电脑桌面
安装后可以在桌面快捷访问

龙庭3#楼临时用电施工组织设计改VIP免费

龙庭3#楼临时用电施工组织设计改_第1页
1/20
龙庭3#楼临时用电施工组织设计改_第2页
2/20
龙庭3#楼临时用电施工组织设计改_第3页
3/20
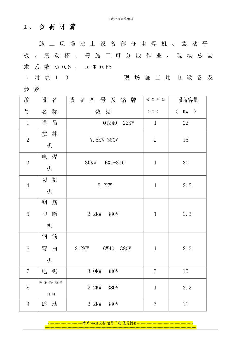
下载后可任意编辑 目 录1 、 工 程 概 况 ...........................................................................22 、 负 荷 计 算 ...........................................................................23 、 施 工 用 电 安 全 技 术 原 则................................64 、 施 工 现 场 临 时 用 电 平 面 布 置 要 求75 、 箱 内 配 电 线 路 的 设 置 要 求.........................86 、 接 地 接 零 保 护 和 防 雷.......................................87 、 配 电 箱 、 开 关 箱 的 使 用 要 求..................98 、 现 场 配 电 线 路 .........................................................109 、 照 明 线 路 ........................................................................1010 、 漏 电 保 护 装 置 的 设 置 及 手 动 工 具...1111、 配 电 人 员 安 全 用 电.......................................1112 、 夜 间 照 明 安 全 措 施.......................................1213 、 提 升 机 操 作 安 全 用 电 职 责..................1214 、 消 防 、 配 电 室 防 火 措 施.........................1215 、 安 全 保 护 体 系 相 关 人 员 的 工 作 职 责...................................................................................................................1216 、 项 目 部 临 电 管 理 职 责................................1317、临时用电平面布置图(详见后附图 ) .................................................................................................1418 、 TN-C-S 系 统 图 ...错 误 ! 未 定 义 书 签 。----------------------------精品 word 文档 值得下载 值得拥有---------------------------------------------------------------------------------------------------------------------------------------------------------------------------下载后可任意编辑丽 景 水 岸 住 宅 小 区 1#—2#楼施 工 现 场 临 时 用 电 施 工 方 案1 、 工 程 概 况本工程为丽景水岸住宅小区1#楼-2# ...

1、当您付费下载文档后,您只拥有了使用权限,并不意味着购买了版权,文档只能用于自身使用,不得用于其他商业用途(如 [转卖]进行直接盈利或[编辑后售卖]进行间接盈利)。
2、本站所有内容均由合作方或网友上传,本站不对文档的完整性、权威性及其观点立场正确性做任何保证或承诺!文档内容仅供研究参考,付费前请自行鉴别。
3、如文档内容存在违规,或者侵犯商业秘密、侵犯著作权等,请点击“违规举报”。

碎片内容

龙庭3#楼临时用电施工组织设计改

您可能关注的文档

确认删除?
VIP
微信客服
  • 扫码咨询
会员Q群
  • 会员专属群点击这里加入QQ群
客服邮箱
回到顶部