电脑桌面
添加小米粒文库到电脑桌面
安装后可以在桌面快捷访问

5G基站供电方案6.10VIP免费

5G基站供电方案6.10_第1页
1/17
5G基站供电方案6.10_第2页
2/17
5G基站供电方案6.10_第3页
3/17
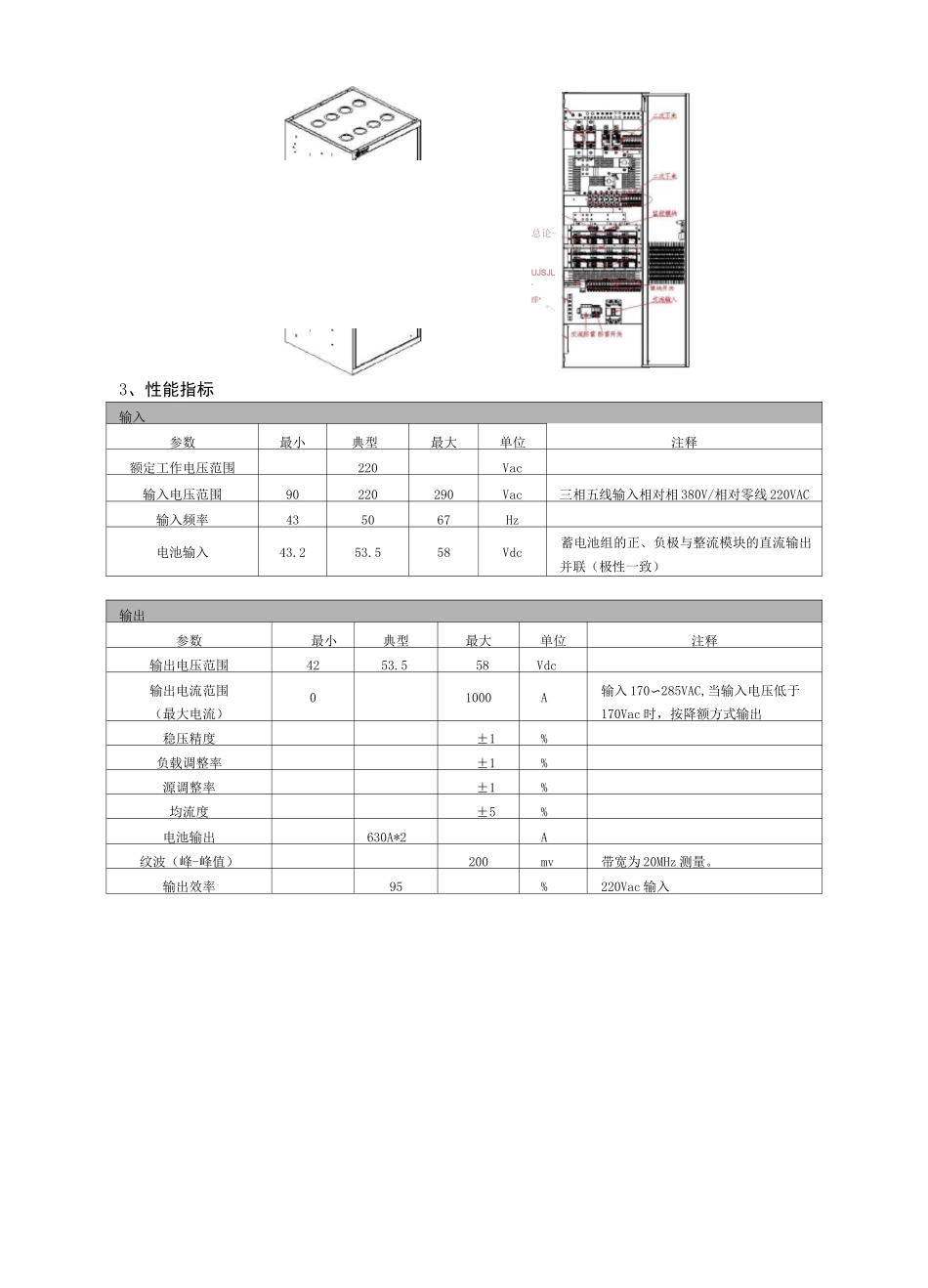
5G 基站供电方案5G 通信网络演进带来 CRAN、DRAN、杆微/DIS(数字化室分)立体组网模式,基站的供电架构需全场景覆盖,从站点快速部署,高效节能应用的角度考虑,依据不同类型基站以及 CRAN-DRAN的分离,基于不同供电电压等级,可分为-48V 供电、升压供电、高压直流供电及远端供电几种不同供电方案。一、48V 供电方案考虑到与现有系统的兼容性以及从 4G 到 5G 的平滑过渡,若条件允许时,5G 基站一般可采用-48V 直流供电,如图 1 所示。图 15G-48V 直流供电系统架构♦咼频开关电源系统(一)48V/600A 高频开关电源系统1、系统配置系统型号ZT-48V/600A整流模块整流模块规格50A,满配 12 个交流配电单元输入三相五线输入,C 级防雷;63A/3P*1pcs;整流模块开关20A/1P*12pcs直流配电单元负载输出一次下电:熔丝 30A*4pcs;二次下电:熔丝 63A*8pcs1P/32A*4(MCB);1P/16A*2(MCB);1P/10A*2(MCB)。电池接入熔丝 500A*2pcs2、外观3、性能指标输入参数最小典型最大单位注释额定工作电压范围220Vac输入电压范围90220290Vac三相五线输入相对相 380V/相对零线 220VAC输入频率435067Hz电池输入43.253.558Vdc蓄电池组的正、负极与整流模块的直流输出并联(极性一致)输出参数最小典型最大单位注释输出电压范围4253.558Vdc输出电流范围(最大电流)0600A输入 170〜285VAC,当输入电压低于170Vac 时,按降额方式输出稳压精度±1%负载调整率±1%源调整率±1%均流度±5%电池输出500A*2A纹波(峰-峰值)200mv带宽为 20MHz 测量。输出效率95%220Vac 输入(二)48V/1000A 高频开关电源系统1、系统配置系统型号ZT-48V/1000A整流模块整流模块规格50A,满配 20 个交流配电单元输入开关160A/3P*lpcs整流模块开关25A/lP*20pcs直流配电单元负载输出一次下电:熔丝 100A*6pcs;微断 63A/1P*6PCS,32A/1P*2PCS 二次下电:熔丝 200A*2pcs;微断 63A/1P*4PCS,32A/1P*4PCS电池接入熔丝 630A*2pcs2、外观3、性能指标输入参数最小典型最大单位注释额定工作电压范围220Vac输入电压范围90220290Vac三相五线输入相对相 380V/相对零线 220VAC输入频率435067Hz电池输入43.253.558Vdc蓄电池组的正、负极与整流模块的直流输出并联(极性一致)输出参数最小典型最大单位注释输出电压范围4253.558Vdc输出电流范围(最大电流)01000A输入 170〜285VAC,当输入电压低于170Vac 时,按降额方式输出稳压精度±1%负载调整率±1%源调整率±1%均流度±5%电池...

1、当您付费下载文档后,您只拥有了使用权限,并不意味着购买了版权,文档只能用于自身使用,不得用于其他商业用途(如 [转卖]进行直接盈利或[编辑后售卖]进行间接盈利)。
2、本站所有内容均由合作方或网友上传,本站不对文档的完整性、权威性及其观点立场正确性做任何保证或承诺!文档内容仅供研究参考,付费前请自行鉴别。
3、如文档内容存在违规,或者侵犯商业秘密、侵犯著作权等,请点击“违规举报”。

碎片内容

5G基站供电方案6.10

wxg+ 关注
实名认证
内容提供者

该用户很懒,什么也没介绍

确认删除?
VIP
微信客服
  • 扫码咨询
会员Q群
  • 会员专属群点击这里加入QQ群
客服邮箱
回到顶部