电脑桌面
添加小米粒文库到电脑桌面
安装后可以在桌面快捷访问

桥台锥坡技术交底讲解VIP免费

桥台锥坡技术交底讲解_第1页
1/10
桥台锥坡技术交底讲解_第2页
2/10
桥台锥坡技术交底讲解_第3页
3/10
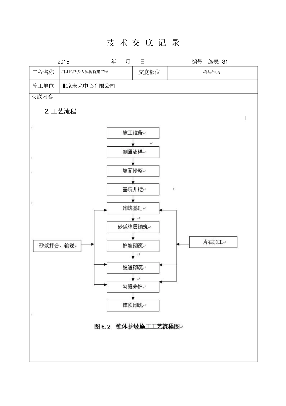
技 术 交 底 记 录 2015 年月日编号:施表 31 工程名称河北哈帮乡大溪桥新建工程交底部位桥头锥坡施工单位北京未来中心有限公司交底内容:一、工程概况大溪桥中心桩号为K0+053.048,锥体顶从高程 582.18 处向下铺砌, 至地面为止,锥顶底部至锥体基础设40cm厚 M7.5 浆砌片石护坡,锥坡面内侧下设 10cm厚天然砂砾垫层。锥体基础采用M7.5 浆砌片石垂裙,垂裙高1.5m,宽 0.4m,垂裙为重力式挡土墙。锥体护坡横桥向坡度为1:1.5 、顺桥向坡度为 1:1. 5 。二、工期安排本工程施工日期为: 2015 年 5 月 10 日-2015 年 9 月 9 日。三、主要管理人员及设备(1) 桥台锥体护坡施工主要管理人员如下。桥台锥体护坡施工主要管理人员表序号姓名职务备注1 项目总工施工现场的协调全面技术管理2 项目经理施工现场的协调3 桥梁工程师桥台锥坡防护施工的技术管理及质量管理4 安全员主要负责桥台锥坡防护施工的安全工作6 试验室主任负责原材料质量检测7 测量员负责施工测量技 术 交 底 记 录 2015 年月日编号:施表 31 工程名称河北哈帮乡大溪桥新建工程交底部位桥头锥坡施工单位北京未来中心有限公司交底内容:(2)为满足施工要求,本工程配备主要机械设备如下:表 5-3 主要配备的施工机械设备表序号名称规格及型号数量备注1 挖掘机SY95C-9 1 台基坑开挖、刷坡2 铁锹10 把3 搅拌罐2 座砂浆拌制、运输4 运输车4 台5 洒水车2 台养护6 全站仪拓普康 332N 2 台测量放样7 水准仪KL-232 2 台四、主要施工方法及施工工艺1. 施工程序刷坡→基础施工→坡面护砌→坡道砌筑→锥顶施工→勾缝养护技 术 交 底 记 录 2015 年月日编号:施表 31 工程名称河北哈帮乡大溪桥新建工程交底部位桥头锥坡施工单位北京未来中心有限公司交底内容:2. 工艺流程技 术 交 底 记 录 2015 年月日编号:施表 31 工程名称河北哈帮乡大溪桥新建工程交底部位桥头锥坡施工单位北京未来中心有限公司交底内容:3. 材料准备(1) 砂浆锥坡防护工程采用M7.5 的砂浆。① 水泥:桥台锥坡防护施工用水泥采用普通硅酸盐袋装水泥。②砌筑用石料应质地坚硬,不易风化,无裂纹,石料表面的污渍应清除。③片石形状无要求,但中部厚度不得小于15cm。用作镶面的片石表面应平整、尺寸较大,边缘厚度不得小于15cm。片石长度及宽度不得小于厚度。4. 施工方法4.1 测量放样根据桥台施工设计图,结合台背回填高度放出锥坡的轴...

1、当您付费下载文档后,您只拥有了使用权限,并不意味着购买了版权,文档只能用于自身使用,不得用于其他商业用途(如 [转卖]进行直接盈利或[编辑后售卖]进行间接盈利)。
2、本站所有内容均由合作方或网友上传,本站不对文档的完整性、权威性及其观点立场正确性做任何保证或承诺!文档内容仅供研究参考,付费前请自行鉴别。
3、如文档内容存在违规,或者侵犯商业秘密、侵犯著作权等,请点击“违规举报”。

碎片内容

桥台锥坡技术交底讲解

确认删除?
VIP
微信客服
  • 扫码咨询
会员Q群
  • 会员专属群点击这里加入QQ群
客服邮箱
回到顶部