电脑桌面
添加小米粒文库到电脑桌面
安装后可以在桌面快捷访问

桥架安装技术交底全新VIP免费

桥架安装技术交底全新_第1页
1/4
桥架安装技术交底全新_第2页
2/4
桥架安装技术交底全新_第3页
3/4
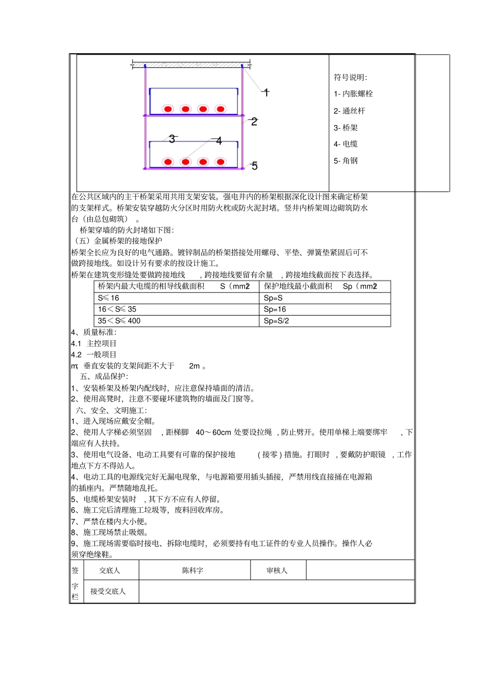
中国建筑项目管理表格施工技术交底记录表格编号01 工程名称华熙 LIVE · 重庆鱼洞(巴南区体育中心综合整治)项目- 北侧体育配套商业工程共 4 页施工单位中建二局安装工程有限公司分项工程名称桥架安装交底日期2017.9.1 交底内容:一、材料要求:1、查验合格证;2、外观检查:部件齐全,表面光滑、不变形;钢制桥架涂层完整,无锈蚀;防火桥架涂层完整,无扭曲变形,不压扁,表面不划伤。3、桥架及其附件:应采用经过镀锌处理或其它防腐处理的定型产品。规格、型号应符合设计要求。桥架内外应光滑平整,无棱刺,不应有扭曲、翘边等变形现象。4、支吊架用材:采用钢板、圆钢、角钢、螺栓、螺母、螺丝、垫圈、弹簧垫等金属材料做电工工件时,都应经过镀锌处理,支架焊接后先做防锈底漆(灰色)后涂防锈面漆(灰色)处理;镀锌桥架采用镀锌角铁。5、桥架的选择:车库消防部分及动力双电源系统桥架采用防火桥架,其余为镀锌桥架,高层除防火桥架及镀锌桥架外存在喷塑桥架,施工中按图施工,注意区别。二、主要机具 : 1、铅笔、卷尺、线附、粉线袋等。2、电工工具、手电钻、冲击钻、工具袋、工具箱、脚手架等。三、作业条件:1、配合土建结构施工,预留孔洞、预埋吊杆、吊架等全部完成。2、顶棚和墙面的喷浆、油漆全部完成后,方可进行桥架安装。四、电缆敷设工艺及技术要求:1、施工工序:桥架安装工艺流程:预留孔洞弹线定位膨胀螺栓安装支吊架安装桥架安装保护地线安装2、施工准备:2.1技术准备 : 审阅设计图纸 , 现场勘察电气设备的安装位置和电缆桥架安装的路由;电缆桥架途径;建筑结构类型;预埋件和预留孔洞的位置、尺寸。2.2编制施工方案: 根据阅图和勘察记录, 选定电缆桥架在不同建筑结构路段的安装形式。3、施工工法:(一)划线定位根据设计图或施工方案, 从电缆桥架始端至终端( 先干线后支线) 找好水平或垂直线 (建筑物如有坡度, 电缆桥架应随其坡度), 确定并标出支撑物的具体位置。(二)金属膨胀螺栓安装(1)适用于 C15以上混凝土构件及砂砌块墙上, 不适用空心砖墙等轻型墙体;(2)钻孔直径的误差不得超过+0.5mm~-0.3mm;深度误差不得超过+3mm;钻孔后应将孔内残存的碎屑清除干净;(3)打孔的深度应以将套管全部埋入墙内或顶板内, 表面平齐为宜;(4)用木锤或垫上木块后用铁锤将膨胀螺栓敲入洞内, 螺栓固定后 , 其头部偏斜值不应大于 2mm。(三)支架与吊架安装:支架与吊架安装要求:1、钢支架应焊接...

1、当您付费下载文档后,您只拥有了使用权限,并不意味着购买了版权,文档只能用于自身使用,不得用于其他商业用途(如 [转卖]进行直接盈利或[编辑后售卖]进行间接盈利)。
2、本站所有内容均由合作方或网友上传,本站不对文档的完整性、权威性及其观点立场正确性做任何保证或承诺!文档内容仅供研究参考,付费前请自行鉴别。
3、如文档内容存在违规,或者侵犯商业秘密、侵犯著作权等,请点击“违规举报”。

碎片内容

桥架安装技术交底全新

爱的疯狂+ 关注
实名认证
内容提供者

该用户很懒,什么也没介绍

确认删除?
VIP
微信客服
  • 扫码咨询
会员Q群
  • 会员专属群点击这里加入QQ群
客服邮箱
回到顶部