电脑桌面
添加小米粒文库到电脑桌面
安装后可以在桌面快捷访问

桥梁吊篮现场施工技术经验交底VIP免费

桥梁吊篮现场施工技术经验交底_第1页
1/8
桥梁吊篮现场施工技术经验交底_第2页
2/8
桥梁吊篮现场施工技术经验交底_第3页
3/8
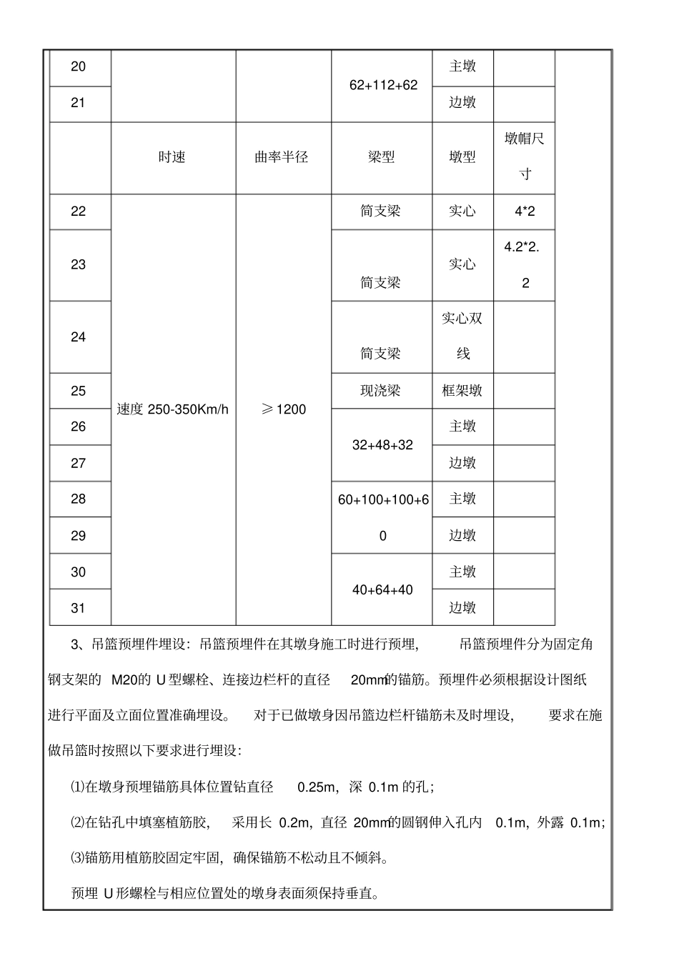
施工技术交底书交底单位名称:济青高铁11 标四分部项目经理部编号:2017— JQ-DLZZAZ工程名称新建济南至青岛高速铁路11 标段施工项目桥梁吊篮施工技术交底交底日期2017 年 3 月 13 日技术交底内容:一、适用范围济青高铁 11 标,青连济青上行联络线特大桥,青连济青下行联络线特大桥,红岛站发车线特大桥,济青左线红岛特大桥,济青右线绕行红岛特大桥,跨395 省道大桥,青连红岛特大桥。二、编制依据1、《青连济青上行联络线特大桥》《青连济青下行联络线特大桥》、《红岛站发车线特大桥》《济青左线红岛特大桥》 《济青右线绕行红岛特大桥》 《跨 395 省道大桥》《青连红岛特大桥》设计图;2、《桥墩附属设施图》 ;3、《高速铁路桥涵工程施工质量验收标准》TB10752-2010;4、《铁路混凝土工程施工质量验收标准》TB10424-2010;5、《铁路钢桥保护涂装及涂料供货条件》( GB/T1527-2011);三、吊篮施工技术要求1、吊篮组成:吊篮由预埋件、角钢支架,步板、栏杆,钢筋网片等系统组成;2、吊篮分类吊篮按墩身设计时速分为速度≤200Km/h,速度 250-350Km/h,按照墩型分为实体墩和空心墩,按照线路形式分为单线和双线,按照所在线路曲率半径分为400≤R≤1200,R≥1200 等情况,同时根据墩身高度不同又分为1-9.5 ,10-20 ,20-27 等,每种情况对应的吊篮各有所不同,根据相应图纸进行施工,连续梁吊篮主墩与边墩有所不同,根据连续梁墩身图纸进行施工。详细情况见下表编号时速曲率半径梁型墩型墩高1速度≤ 200Km/h≥ 1200简支梁实心1-9.52实心10-203实心20-27432+48+32主墩5边墩660+90+90+60主墩7边墩8现浇梁框架墩9400≤R≤1200简支梁实心1-9.510实心10-2011实心20-271262+112+62主墩13边墩1440+64+40主墩15边墩1648+80+48主墩17边墩18现浇梁框架墩19简支梁空心2062+112+62主墩21边墩时速曲率半径梁型墩型墩帽尺寸22速度 250-350Km/h≥ 1200简支梁实心4*223简支梁实心4.2*2.224简支梁实心双线25现浇梁框架墩2632+48+32主墩27边墩2860+100+100+60主墩29边墩3040+64+40主墩31边墩3、吊篮预埋件埋设:吊篮预埋件在其墩身施工时进行预埋,吊篮预埋件分为固定角钢支架的 M20的 U 型螺栓、连接边栏杆的直径20mm的锚筋。预埋件必须根据设计图纸进行平面及立面位置准确埋设。对于已做墩身因吊篮边栏杆锚筋未及时埋设,要求在施做吊篮时按照以下要求进行埋设:⑴在墩身预埋锚筋具体位置钻直径0.25m,深 0.1m 的孔;⑵在钻孔中...

1、当您付费下载文档后,您只拥有了使用权限,并不意味着购买了版权,文档只能用于自身使用,不得用于其他商业用途(如 [转卖]进行直接盈利或[编辑后售卖]进行间接盈利)。
2、本站所有内容均由合作方或网友上传,本站不对文档的完整性、权威性及其观点立场正确性做任何保证或承诺!文档内容仅供研究参考,付费前请自行鉴别。
3、如文档内容存在违规,或者侵犯商业秘密、侵犯著作权等,请点击“违规举报”。

碎片内容

桥梁吊篮现场施工技术经验交底

您可能关注的文档

确认删除?
VIP
微信客服
  • 扫码咨询
会员Q群
  • 会员专属群点击这里加入QQ群
客服邮箱
回到顶部