电脑桌面
添加小米粒文库到电脑桌面
安装后可以在桌面快捷访问

桥梁空心板吊装施工方案VIP免费

桥梁空心板吊装施工方案_第1页
1/4
桥梁空心板吊装施工方案_第2页
2/4
桥梁空心板吊装施工方案_第3页
3/4
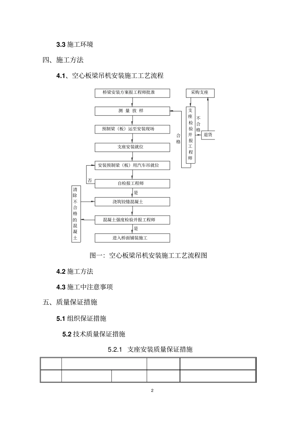
1 空心板吊装施工专项方案一、编制依据二、工程概况三、施工准备工作3.1 技术准备3.2 资源准备2 3.3 施工环境四、施工方法4.1、空心板梁吊机安装施工工艺流程桥梁安装方案报工程师批准安装预制梁(板)用汽车吊就位支座安装就位预制梁(板)运至安装现场测 量 放 样自检报工程师浇筑铰缝混凝土混凝土强度检验并报工程师进入桥面铺装施工清除不合格的混凝土支座检验并报工程师采购支座退货否是是合格不合格图一:空心板梁吊机安装施工工艺流程图4.2 施工方法4.3 施工中注意事项五、质量保证措施5.1 组织保证措施5.2 技术质量保证措施5.2.1 支座安装质量保证措施3 六、安全保障措施七、文明施工与环保措施4 安全保证体系框图安全领导小组提高安全意识安全教育系统安全教育安全责任制安全控制安全工作体系安全检查专职安全员项目部安质部上岗前安全教育安全技术培训安全技术措施安全奖罚条例安全管理制度规范生产管理规范现场设备规范施工作业规范生活设施定期检查专业检查日常检查奖罚兑现实现安全生产提高预测预防能力消除事故隐患建设安全标准工地

1、当您付费下载文档后,您只拥有了使用权限,并不意味着购买了版权,文档只能用于自身使用,不得用于其他商业用途(如 [转卖]进行直接盈利或[编辑后售卖]进行间接盈利)。
2、本站所有内容均由合作方或网友上传,本站不对文档的完整性、权威性及其观点立场正确性做任何保证或承诺!文档内容仅供研究参考,付费前请自行鉴别。
3、如文档内容存在违规,或者侵犯商业秘密、侵犯著作权等,请点击“违规举报”。

碎片内容

桥梁空心板吊装施工方案

确认删除?
VIP
微信客服
  • 扫码咨询
会员Q群
  • 会员专属群点击这里加入QQ群
客服邮箱
回到顶部