电脑桌面
添加小米粒文库到电脑桌面
安装后可以在桌面快捷访问

LCD1602与MCS51单片机的接口VIP专享VIP免费

LCD1602与MCS51单片机的接口_第1页
1/9
LCD1602与MCS51单片机的接口_第2页
2/9
LCD1602与MCS51单片机的接口_第3页
3/9
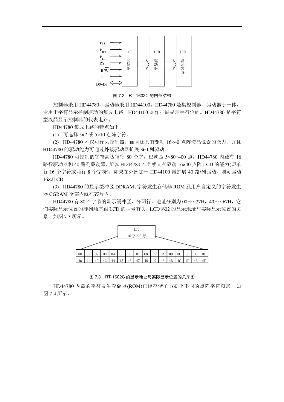
LCD1602 与 MCS-51 单片机的接口 液晶显示器(LCD)具有工作电压低、微功耗、显示信息量大和接口方便等优点,现在已被广泛应用于计算机和数字式仪表等领域,成为测量结果显示和人机对话的重要工具。液晶显示器按其功能可分为三类:笔段式液晶显示器、字符点阵式液晶显示器和图形点阵式液晶显示器。前两种可显示数字、字符和符号等,而图形点阵式液晶显示器还可以显示汉字和任意图形,达到图文并茂的效果,其应用越来越广泛。本节将以 RT-1602C 液晶显示模块为例,介绍液晶显示器的结构和功能,讨论其与 MCS-51 单片机的硬件接口电路及软件编程方法。 7.1.1 LCD1602 概述 LCD1602 是 216 字符型液晶显示模块,可以显示两行,每行 16 个字符,采用 5×7 点阵显示,工作电压4.5~5.5V,工作电流 2.0mA(5.0V),其控制器采用 HD44780 液晶芯片(市面上字符液晶显示器的控制器绝大多数都是基于 HD44780 液晶芯片,它们的控制原理是完全相同的)。LCD1602 可采用标准的 14 引脚接口或 16 引脚接口,多出来的 2 条引脚是背光源正极 BLA(15 脚)和背光源负极 BLK(16 脚),其外观形状如图 7.1 所示。 (a) 正面 (b) 背面 图 7.1 RT-1602C 的外观 (a)图是 LCD1602 的正面,(b)图 LCD1602 的背面。标准的 16 引脚接口如下: 第 1 脚:VSS,电源地。 第 2 脚:VDD,+5V 电源。 第 3 脚:VEE,液晶显示对比度调整输入端。接正电源时对比度最弱,接地时对比度最高。使用时通常通过一个 10K 的电位器来调整对比度。 第 4 脚:RS,数据/命令选择端,高电平时选择数据寄存器,低电平时选择指令寄存器。 第 5 脚:R/ W ,读/写选择端,高电平时进行读操作,低电平时进行写操作。当 RS 和R/ W 共同为低电平时,可以写入指令或者显示地址;当 RS 为低电平、R/ W 为高电平时,可以读忙信号;当 RS 为高电平、R/ W 为低电平时,可以写入数据。 第 6 脚:E,使能端,当 E 为高电平时读取液晶模块的信息,当 E 端由高电平跳变成低电平时,液晶模块执行写操作。 第 7~14 脚:D0~D7,为 8 位双向数据线。 第 15 脚:BLA,背光源正极。 第 16 脚:BLK,背光源负极。 7.1.2 LCD1602 的内部结构 液晶显示模块 LCD1602 的内部结构可以分成三部分:一为 LCD 控制器,二为 LCD 驱动器,三为 LCD 显示装备,如图 7.2 所示。 LCD 控制器 LCD 驱动器 LCD...

1、当您付费下载文档后,您只拥有了使用权限,并不意味着购买了版权,文档只能用于自身使用,不得用于其他商业用途(如 [转卖]进行直接盈利或[编辑后售卖]进行间接盈利)。
2、本站所有内容均由合作方或网友上传,本站不对文档的完整性、权威性及其观点立场正确性做任何保证或承诺!文档内容仅供研究参考,付费前请自行鉴别。
3、如文档内容存在违规,或者侵犯商业秘密、侵犯著作权等,请点击“违规举报”。

碎片内容

LCD1602与MCS51单片机的接口

小辰8+ 关注
实名认证
内容提供者

出售各种资料和文档

确认删除?
VIP
微信客服
  • 扫码咨询
会员Q群
  • 会员专属群点击这里加入QQ群
客服邮箱
回到顶部