电脑桌面
添加小米粒文库到电脑桌面
安装后可以在桌面快捷访问

LCM技术规范VIP免费

LCM技术规范_第1页
1/16
LCM技术规范_第2页
2/16
LCM技术规范_第3页
3/16
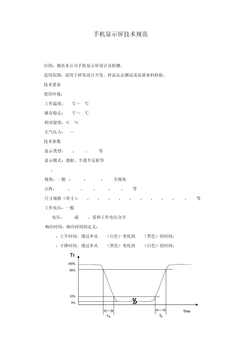
手机显示屏技术规范 1. 目的:规范本公司手机显示屏设计及检测。 2. 适用范围:适用于研发设计开发、样品认证测试及品质来料检验。 3. 技术要求 使用环境: 工作温度:-20℃~55℃ 储存稳定:-30℃~65℃ 相对湿度:≤93% 大气压力:70~106kpa 技术参数 显示类型:TFT、CSTN、OLED等 显示模式:透射、半透半反射等 TFT: 视角:一般 3:00 6:00 12:00 全视角 点阵:QQVGA,QCIF,QVGA,WQVGA,HVGA,VGA等 尺寸规格(英寸):1.0,1.1,1.5,1.8,2.0,2.2,2.4,2.6,2.8,3.0 ,3.2等 工作电压:一般 2.8V I/O电压:1.8V或 2.8V,需和工作电压分开 响应时间:响应时间的定义: TR:上升时间,透过率从 90%(白色)变化到 10%(黑色)的时间; TF:下降时间,透过率从 10%(黑色)变化到 90%(白色)的时间; STN 响应时间一般在300-400ms; (低温下的相应时间及显示效果,需给出一个标准) CSTN响应时间一般在200-300ms; (低温下的相应时间及显示效果,需给出一个标准) 手机小尺寸TFT 响应时间一般在30-50ms. 主要影响因素是三者由上到下盒厚递减,液晶分子扭转力递减;且液晶电压递增,加电电场递增。 数据接口:CPU或RGB 显示效果判断 目测颜色较鲜艳 1 、 GAMMA测试 测试方法: (测试设备) ⑴ 将64阶灰度图片拷入手机,并显示图片、使用仪器测试结果、记录数据。GAMMA曲线比较平滑,且DIFF-GAMMA曲线的差异在0-20灰阶小于5,在20—63灰阶小于13; ⑵ 在20-50灰阶之间不可以有交点; ⑶ CSTN暂不做要求。 判定标准: DIFF-GAMMA曲线的量化,用测的曲线减去 2.2标准曲线的差值绘成曲线图,将GAMMA曲线改为:0为黑色,63为白色。 2 、 RGB GAMMA测试 测试方法: ⑴ RGB GAMMA曲线变化平缓且蓝色曲线在曲定书 线上方,RGB差异曲线的差异小于20; ⑵ CSTN暂不做要求。 判定标准: RGB GAMMA曲线变化平缓且蓝色曲线在曲线上方,RGB差异曲线的差异小于20。 3 、 对比度测试 测试方法: 测试设备DT-101 、BM-7、CS200,黑色和白色图片 ⑴ 将黑、白图片拷入手机,并显示该图片; ⑵ 使用仪器测试结果、记录数值。 判定标准: TFT对比度>300 CSTN对比度>30 8寸对比度>450 4 、 色域测试 测试方法: 测试设备DT-101 、BM-7、CS200,红绿蓝三色图: ⑴ 将红绿蓝三色图拷入手机,并显示该图片; ⑵ 使用仪器测试结果,记录数值。 判定标准: ...

1、当您付费下载文档后,您只拥有了使用权限,并不意味着购买了版权,文档只能用于自身使用,不得用于其他商业用途(如 [转卖]进行直接盈利或[编辑后售卖]进行间接盈利)。
2、本站所有内容均由合作方或网友上传,本站不对文档的完整性、权威性及其观点立场正确性做任何保证或承诺!文档内容仅供研究参考,付费前请自行鉴别。
3、如文档内容存在违规,或者侵犯商业秘密、侵犯著作权等,请点击“违规举报”。

碎片内容

确认删除?
VIP
微信客服
  • 扫码咨询
会员Q群
  • 会员专属群点击这里加入QQ群
客服邮箱
回到顶部