电脑桌面
添加小米粒文库到电脑桌面
安装后可以在桌面快捷访问

LINK1单元描述VIP免费

LINK1单元描述_第1页
1/40
LINK1单元描述_第2页
2/40
LINK1单元描述_第3页
3/40
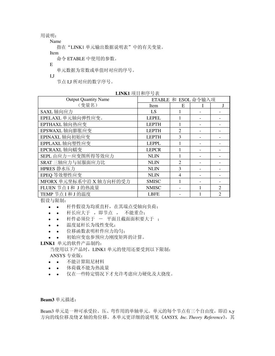
LINK1 单元描述: LINK1 单元可用于不同的工程应用中,依具体的应用,该单元可模拟桁架、链杆及弹簧等。该二维杆单元每个节点的自由度只考虑 x ,y 两个方向的线位移,是一种可承受单轴拉压的单元。因为只用于铰接结构,故本单元不能承受弯矩作用。有关此单元的更详细说明请见《ANSYS, Inc. Theory Reference 》。而 LINK8 单元是这种单元的三维情况。 LINK1 的几何模型图: LINK1 输入数据: 上图给出了本单元的几何图形、节点坐标及单元坐标系。单元通过两个节点、横截面面积及初始应变和材料属性定义。单元的 X 轴方向为沿单元长度从节点 I 指向节点 J。初始应变通过 Δ/L 给定,Δ 为单元长度 L(由 I,J 节点坐标算得)与 0 应变单元长度之差。 在“节点与单元荷载”中有关于单元荷载的描述。可以在节点上输入温度或热流量作为单元的体荷载。节点 I 上的温度 T(I)默认为 TUNIF,节点 J 上的温度默认为 T(I)。对于热流量与温度的设定基本相同,只是默认值不在是 TUNIF 而成为 0。还可通过命令LUMPM 得到一个集中质量表达式,这对某些如波的传播的分析是很有用的。 LINK1 输入总结: 节点: I, J 自由度: UX, UY 实常数 AREA – 横截面面积 ISTRN – 初始应变 材料属性 EX, ALPX, DENS, DAMP 面荷载: None 体荷载: 温度 -- T(I), T(J) 热流量 -- FL(I), FL(J) 特性: 塑性 蠕变 膨胀 应力硬化 大变形 单元生死 KEYOPTS None LINK1 输出数据: 单元的求解输出包括以下两方面:   节点位移包括的全部节点解中;   其它输出信息见“LINK1单元结果输出说明表” 以下的“LINK1应力计算图”也说明了一些情况,而有关结果输出的总体介绍参见“Solution Output”,对结果的查看方法请见《ANSYS Basic Analysis Guide 》 LINK1 应力计算图 以下“单元输出信息表”中第一列给出了各输出项的名称,用命令 ETABLE(POST1)及ESOL(POST26)可定义这些变量用于查询。第三列表示某一变量值是否在输出文件中给出,第四列某一变量值是否在结果文件中给出。 无论是第三还是第四列,“Y”表示可以输出,列中的具体数值则表示在满足特定条件时才输出,而“-”则表示不输出。 LINK1 单元输出信息表 名称 定义 O R EL 单元号 Y Y NODES 单元节点号 (I and J) Y Y MAT 单元材料号 Y Y VOLU: 单元体积 - Y XC, YC ...

1、当您付费下载文档后,您只拥有了使用权限,并不意味着购买了版权,文档只能用于自身使用,不得用于其他商业用途(如 [转卖]进行直接盈利或[编辑后售卖]进行间接盈利)。
2、本站所有内容均由合作方或网友上传,本站不对文档的完整性、权威性及其观点立场正确性做任何保证或承诺!文档内容仅供研究参考,付费前请自行鉴别。
3、如文档内容存在违规,或者侵犯商业秘密、侵犯著作权等,请点击“违规举报”。

碎片内容

LINK1单元描述

您可能关注的文档

小辰7+ 关注
实名认证
内容提供者

出售各种资料和文档

相关文档

确认删除?
VIP
微信客服
  • 扫码咨询
会员Q群
  • 会员专属群点击这里加入QQ群
客服邮箱
回到顶部