电脑桌面
添加小米粒文库到电脑桌面
安装后可以在桌面快捷访问

食品生产企业食品安全自查VIP免费

食品生产企业食品安全自查_第1页
1/14
食品生产企业食品安全自查_第2页
2/14
食品生产企业食品安全自查_第3页
3/14
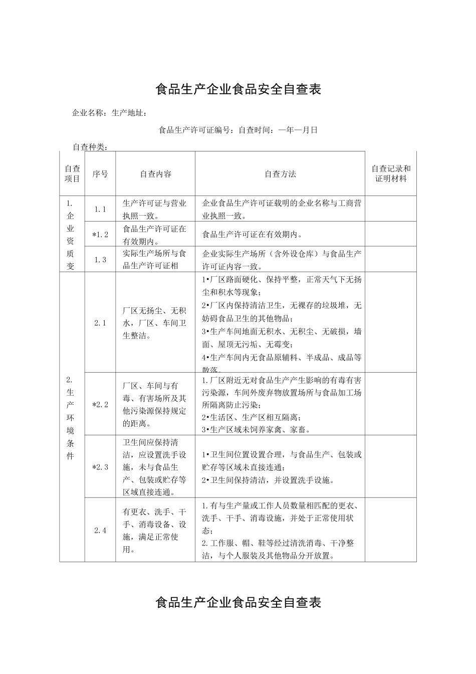
食品生产企业食品安全自查表企业名称:生产地址:食品生产许可证编号:自查时间:—年—月日自查种类:自查项目序号自查内容自查方法自查记录和证明材料1.企业资质变化1.1生产许可证与营业执照一致。企业食品生产许可证载明的企业名称与工商营业执照一致。*1.2食品生产许可证在有效期内。食品生产许可证在有效期内。1.3实际生产场所与食品生产许可证相符。企业实际生产场所(含外设仓库)与食品生产许可证内容一致。2.生产环境条件2.1厂区无扬尘、无积水,厂区、车间卫生整洁。1•厂区路面硬化、保持平整,正常天气下无扬尘和积水等现象;2•厂区内保持清洁卫生,无裸存的垃圾堆,无妨碍食品卫生的其他物品;3•生产车间地面无积水、无积尘、无破损,墙面、屋顶无污垢、无霉变;4•生产车间内无食品原辅料、半成品、成品等散落。*2.2厂区、车间与有毒、有害场所及其他污染源保持规定的距离。1.厂区附近无对食品生产产生影响的有毒有害污染源,车间外废弃物放置场所与食品加工场所隔离防止污染;2•生活区、生产区相互隔离;3•生产区域未饲养家禽、家畜。*2.3卫生间应保持清洁,应设置洗手设施,未与食品生产、包装或贮存等区域直接连通。1•卫生间位置设置合理,与食品生产、包装或贮存等区域未直接连通;2•卫生间保持清洁,并设置洗手设施。2.4有更衣、洗手、干手、消毒设备、设施,满足正常使用。1.有与生产量或工作人员数量相匹配的更衣、洗手、干手、消毒设施,并处于正常使用状态;2.工作服、帽、鞋等经过清洗消毒、干净整洁,与个人服装及其他物品分开放置。食品生产企业食品安全自查表续表 2)自查项目序号自查内容自查方法自查记录和证明材料2.生产环境条件2.5通风、防尘、照明、存放垃圾和废弃物等设备、设施正常运行。1•根据生产需要设置通风、防尘、照明、存放垃圾和废弃物等设备、设施,运转正常;2•室内排水由清洁程度咼的区域流向清洁程度低的区域,且有防止逆流的措施。排水系统出入口设计合理并有防护措施,防止污染和虫害侵入;3•配备适宜的通风、排气设施,避免空气从清洁程度要求低的作业区域流向清洁程度要求高的作业区域,必要时安装有空气过滤、净化或除尘设施。通风设施易于清洁、维修或更换,并能防止虫害侵入;4.食品和原料的正上方安装的照明设施使用安全型照明设施或采取防护措施;5•存放废弃物的设施和容器设计合理、防止渗漏、易于清洁、标识清晰。2.6车间内使用的洗涤剂、消毒剂等化学品应与原料、半成品、成...

1、当您付费下载文档后,您只拥有了使用权限,并不意味着购买了版权,文档只能用于自身使用,不得用于其他商业用途(如 [转卖]进行直接盈利或[编辑后售卖]进行间接盈利)。
2、本站所有内容均由合作方或网友上传,本站不对文档的完整性、权威性及其观点立场正确性做任何保证或承诺!文档内容仅供研究参考,付费前请自行鉴别。
3、如文档内容存在违规,或者侵犯商业秘密、侵犯著作权等,请点击“违规举报”。

碎片内容

食品生产企业食品安全自查

您可能关注的文档

确认删除?
VIP
微信客服
  • 扫码咨询
会员Q群
  • 会员专属群点击这里加入QQ群
客服邮箱
回到顶部