电脑桌面
添加小米粒文库到电脑桌面
安装后可以在桌面快捷访问

楼回填土技术交底VIP免费

楼回填土技术交底_第1页
1/7
楼回填土技术交底_第2页
2/7
楼回填土技术交底_第3页
3/7
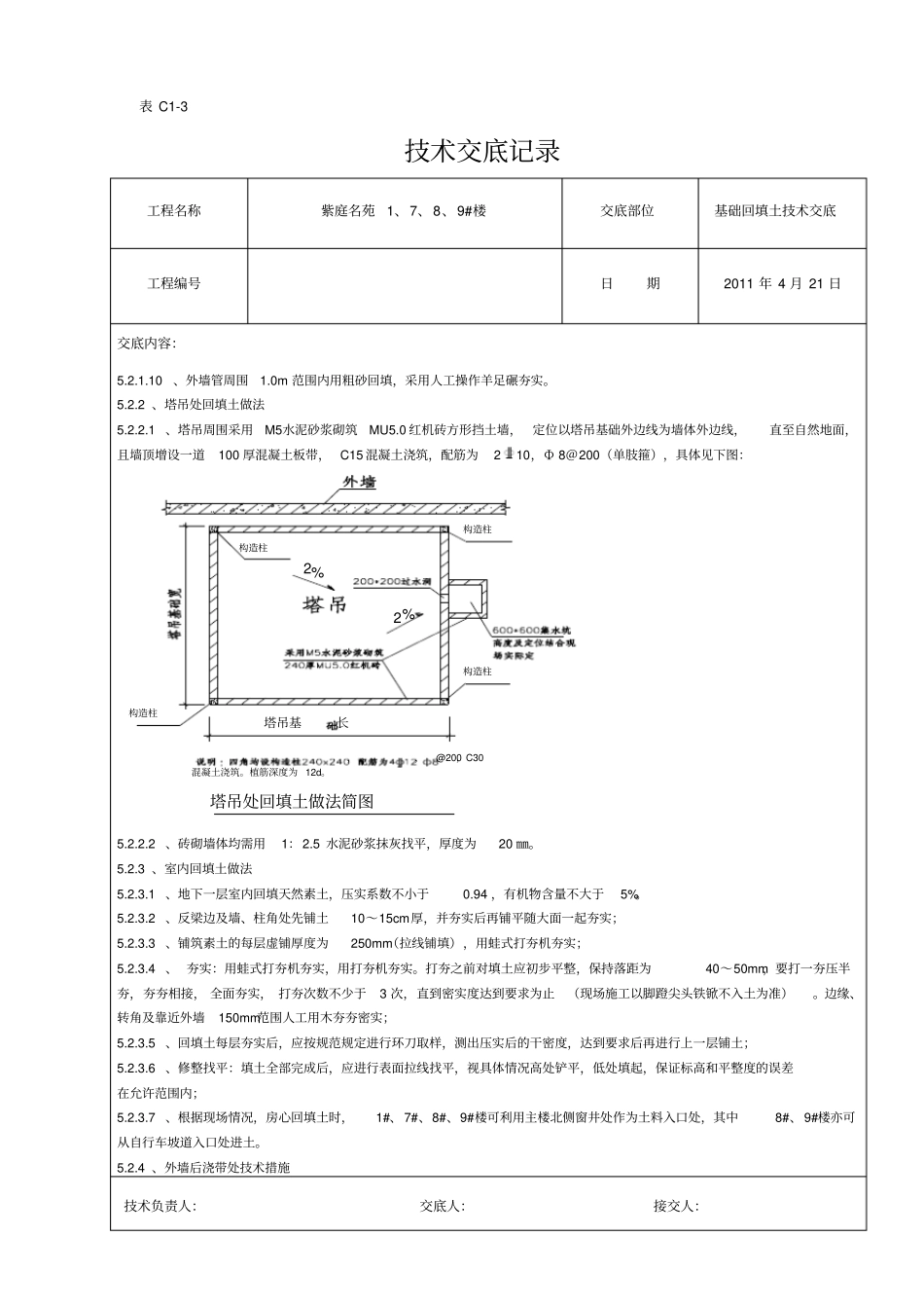
表 C1-3 技术交底记录工程名称紫庭名苑1、7、8、9#楼交底部位基础回填土技术交底工程编号日期2011 年 4 月 21 日交底内容:1、施工安排1.1 、工序安排:外墙防水施工—架管拆除— 基槽清理— 回填土施工。1.2 、在进行回填土施工时,总的原则是先回填1#楼,然后 7#、8#、9#楼依次进行回填土施工;先回填肥槽,然后进行室内回填土施工。2. 、技术准备2.1 、根据图纸及回填土施工方案编制本技术交底,在施工前由专业工长对施工队进行技术交底和安全交底。2.2 、项目部试验人员必须经过专业培训、考核,具备相应的上岗资格,方可允许上岗。3、施工作业条件:3.1 、回填前首先应对地下室防水层、防水保护层进行验收检查,并且办好隐检手续;3.2 、施工前,应做好水平标志,以控制回填土的高度和厚度。在防水保护层上弹上水平控制线,基槽边坡上每隔3m钉水平橛子;3.3 、夜间施工时,做好照明设施,在危险地段设明显标志;3.4 、基坑中的碎砖、砼碎块等杂物和积水必须清除干净,基底淤泥已清至实土层;3.5 、地下室外墙防水保护层为50 厚聚苯乙烯泡沫塑料板,要求烯泡沫塑料板分步、分段铺贴。土方回填根据泡沫塑料板高度分段回填,铺一段填一段;3.6 、土方调配到位,能够满足回填需要。4、生产准备4.1 、工具准备序号工 具 名 称规 格单 位数 量备 注1 蛙式打夯机台6 2 手推车个10 3 筛子5 ㎜个6 灰土25 ㎜个5 素土4 平锹个12 5 尖锹个15 6 水准仪AL332 台2 7 钢卷尺5m 盒6 8 小线m 100 9 墨斗个4 施工前,一切施工用的工具准备充分,所有工具均应在回填土前进行检查,同时配备专职技工,随时检修。在回填土期间,要保证电、照明不中断,严禁在夜间无照明状态下作业。4.2 、人员准备:技术负责人:交底人:接交人:表 C1-3 技术交底记录工程名称紫庭名苑1、7、8、9#楼交底部位基础回填土技术交底工程编号日期2011 年 4 月 21 日交底内容:结合现场实际情况,以每栋楼为一个施工流水段划分的原则,安排劳动力20 人(具体人数结合现场实际情况而定)。5、施工方法、要点及技术措施在回填土工程施工之前,要先进行外墙防水施工,然后进行肥槽回填土。5.1 防水工程5.1.1 、外墙清理5.1.1.1 、用气焊把所有外墙面上的穿墙螺栓割掉,割掉后的穿墙螺栓端头距外墙面为1-2 ㎝,且端头刷上防锈油漆,然后用比外墙砼高一个标号的水泥砂浆补平。5.1.1.2 、在进行外墙防水施工之前,要先进行...

1、当您付费下载文档后,您只拥有了使用权限,并不意味着购买了版权,文档只能用于自身使用,不得用于其他商业用途(如 [转卖]进行直接盈利或[编辑后售卖]进行间接盈利)。
2、本站所有内容均由合作方或网友上传,本站不对文档的完整性、权威性及其观点立场正确性做任何保证或承诺!文档内容仅供研究参考,付费前请自行鉴别。
3、如文档内容存在违规,或者侵犯商业秘密、侵犯著作权等,请点击“违规举报”。

碎片内容

楼回填土技术交底

爱的疯狂+ 关注
实名认证
内容提供者

该用户很懒,什么也没介绍

确认删除?
VIP
微信客服
  • 扫码咨询
会员Q群
  • 会员专属群点击这里加入QQ群
客服邮箱
回到顶部