电脑桌面
添加小米粒文库到电脑桌面
安装后可以在桌面快捷访问

模具控制程序VIP专享VIP免费

模具控制程序_第1页
1/15
模具控制程序_第2页
2/15
模具控制程序_第3页
3/15
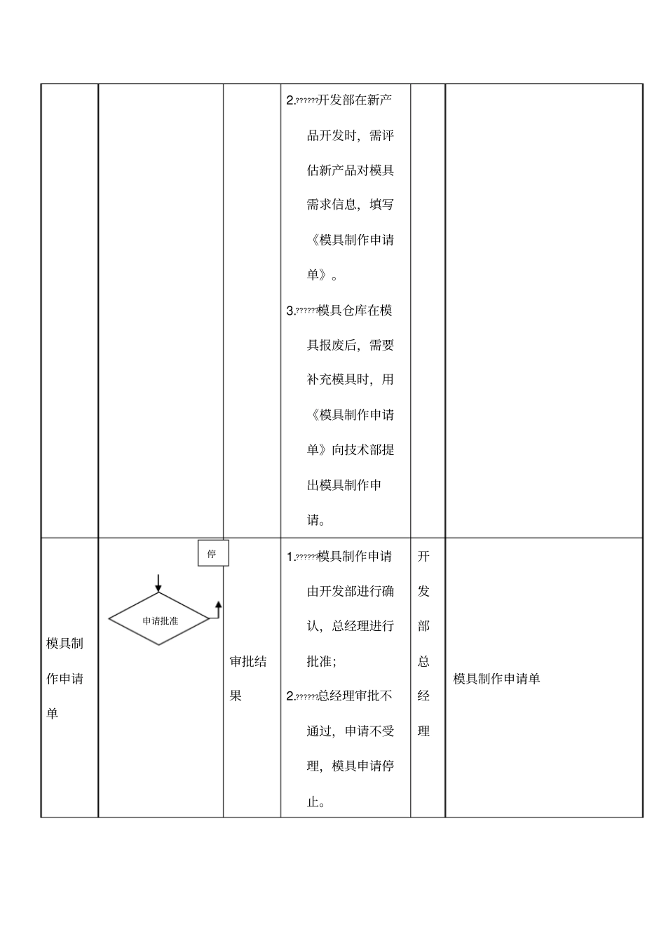
目的通过模具的设计、制作、验收、使用、保养、维修等过程的有效管理,确保模具能保证产品质量要求,并保持生产流畅。2 范围本程序适用于我公司所有模具从设计制作到报废全过程的管理和控制。3 职责3.1 技术部、开发部负责模具设计并绘制模具图纸,负责图纸确认、先期模具开发制作(包括委外制作控制)和模具维修。3.2 模具仓库负责模具仓库的储存管理、帐目管理,出入库登记和模具保养维护工作。3.3 质量部、技术部和生产部负责新模具的验收放行,并对模具的制作修订提出参考意见。3.4 生产部负责模具使用及维护,并协助模具仓库做好模具出入库手续。3.5 开发部、技术部负责提供模具保养维修所需工具,3.6 总经理对新模具制作和模具报废进行批准。4 定义5??????? 工作程序输入工作流程输出工作说明职责使用记录生产需求新产品开发需要模具更新模具制作申请1.?????? 当市场部订单增加导致公司现有模具数量不能满足生产需求时,生产部根据产能对模具的增加需求,用《模具制作申请单》向技术部提出模具制作申请。开发部生产部技术部模具制作申请单模具需求信息识别2.?????? 开发部在新产品开发时,需评估新产品对模具需求信息,填写《模具制作申请单》。3.?????? 模具仓库在模具报废后,需要补充模具时,用《模具制作申请单》向技术部提出模具制作申请。模具制作申请单审批结果1.?????? 模具制作申请由开发部进行确认,总经理进行批准;2.?????? 总经理审批不通过,申请不受理,模具申请停止。开发部总经理模具制作申请单申请批准停模具制作申请单模具图1.?????? 模具制作申请单通过总经理审批后,由开发部、技术部根据申请单上要求的出图时间要求绘制模具图。开发部技术部模具图纸确认结果1.?????? 模具图纸绘制结束后,由开发部进行确认,以保证模具设计和制造的可行性;2.?????? 模具图经确认通过后,由技术部按照《文件控制程序》进行图纸的管理发放控制;3.?????? 模具图审批不通过,退回模具车间进行修订,直到通过为止。开发部技术部模具图绘制图纸确认制模通知单合格供应商清单模具制作计划模具制作协议1.? 模具图纸审批通过后,由开发部用《制模通知单》通知技术部进行模具制作;2.? 技术部根据模具要求,选择自制或委外制作,若选择自制,则根据制作通知的时间要求,针对每副模具编写《模具制作计划》并监控模具制作进度;3.? 当本公司无法完成模具制作时,由技术部从公司《合格供应商清单》里选择合适的供...

1、当您付费下载文档后,您只拥有了使用权限,并不意味着购买了版权,文档只能用于自身使用,不得用于其他商业用途(如 [转卖]进行直接盈利或[编辑后售卖]进行间接盈利)。
2、本站所有内容均由合作方或网友上传,本站不对文档的完整性、权威性及其观点立场正确性做任何保证或承诺!文档内容仅供研究参考,付费前请自行鉴别。
3、如文档内容存在违规,或者侵犯商业秘密、侵犯著作权等,请点击“违规举报”。

碎片内容

模具控制程序

确认删除?
VIP
微信客服
  • 扫码咨询
会员Q群
  • 会员专属群点击这里加入QQ群
客服邮箱
回到顶部