电脑桌面
添加小米粒文库到电脑桌面
安装后可以在桌面快捷访问

模板工序质量评定表2017年水利工程VIP免费

模板工序质量评定表2017年水利工程_第1页
1/11
模板工序质量评定表2017年水利工程_第2页
2/11
模板工序质量评定表2017年水利工程_第3页
3/11
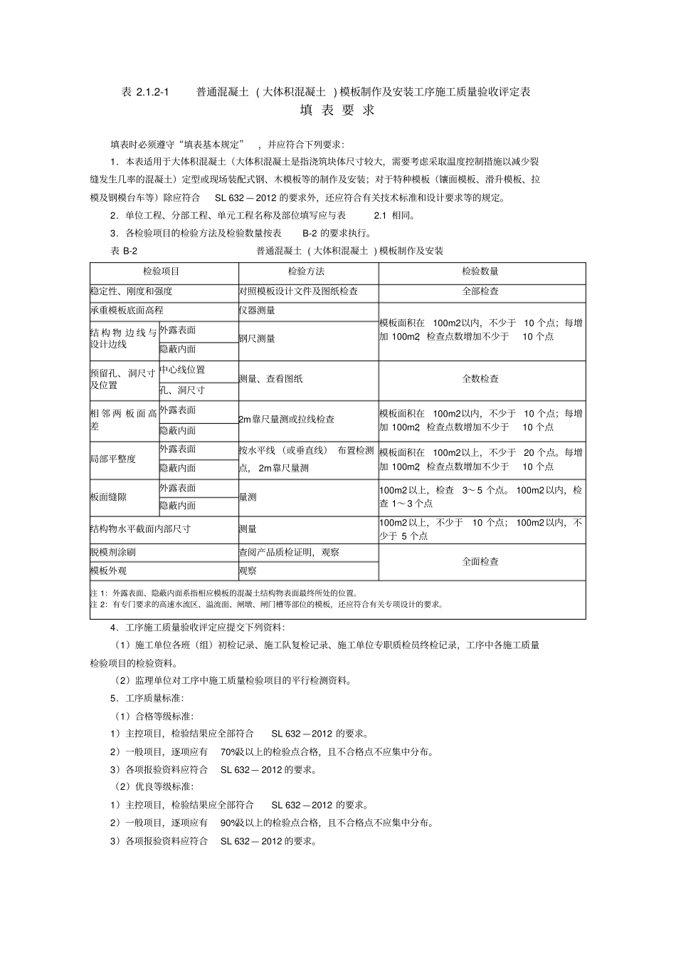
表 2.1.2-1 普通混凝土 ( 大体积混凝土 ) 模板制作及安装工序施工质量验收评定表填 表 要 求填表时必须遵守“填表基本规定”,并应符合下列要求:1.本表适用于大体积混凝土(大体积混凝土是指浇筑块体尺寸较大,需要考虑采取温度控制措施以减少裂缝发生几率的混凝土)定型或现场装配式钢、木模板等的制作及安装;对于特种模板(镶面模板、滑升模板、拉模及钢模台车等)除应符合SL 632 — 2012 的要求外,还应符合有关技术标准和设计要求等的规定。2.单位工程、分部工程、单元工程名称及部位填写应与表2.1 相同。3.各检验项目的检验方法及检验数量按表B-2 的要求执行。表 B-2 普通混凝土 ( 大体积混凝土 ) 模板制作及安装检验项目检验方法检验数量稳定性、刚度和强度对照模板设计文件及图纸检查全部检查承重模板底面高程仪器测量模板面积在100m2以内,不少于10 个点;每增加 100m2,检查点数增加不少于10 个点结 构 物 边 线 与设计边线外露表面钢尺测量隐蔽内面预留孔、 洞尺寸及位置中心线位置测量、查看图纸全数检查孔、洞尺寸相 邻 两 板 面 高差外露表面2m靠尺量测或拉线检查模板面积在100m2以内,不少于10 个点;每增加 100m2,检查点数增加不少于10 个点隐蔽内面局部平整度外露表面按水平线 (或垂直线) 布置检测点, 2m靠尺量测模板面积在100m2以上,不少于20 个点。每增加 100m2,检查点数增加不少于10 个点隐蔽内面板面缝隙外露表面量测100m2以上,检查3~ 5 个点。 100m2以内,检查 1~ 3 个点隐蔽内面结构物水平截面内部尺寸测量100m2以上,不少于10 个点; 100m2以内,不少于 5 个点脱模剂涂刷查阅产品质检证明,观察全面检查模板外观观察注 1:外露表面、隐蔽内面系指相应模板的混凝土结构物表面最终所处的位置。注 2:有专门要求的高速水流区、溢流面、闸墩、闸门槽等部位的模板,还应符合有关专项设计的要求。4.工序施工质量验收评定应提交下列资料:(1)施工单位各班(组)初检记录、施工队复检记录、施工单位专职质检员终检记录,工序中各施工质量检验项目的检验资料。(2)监理单位对工序中施工质量检验项目的平行检测资料。5.工序质量标准:(1)合格等级标准:1)主控项目,检验结果应全部符合SL 632 —2012 的要求。2)一般项目,逐项应有70%及以上的检验点合格,且不合格点不应集中分布。3)各项报验资料应符合SL 632— 2012 的要求。(2)优良等级标...

1、当您付费下载文档后,您只拥有了使用权限,并不意味着购买了版权,文档只能用于自身使用,不得用于其他商业用途(如 [转卖]进行直接盈利或[编辑后售卖]进行间接盈利)。
2、本站所有内容均由合作方或网友上传,本站不对文档的完整性、权威性及其观点立场正确性做任何保证或承诺!文档内容仅供研究参考,付费前请自行鉴别。
3、如文档内容存在违规,或者侵犯商业秘密、侵犯著作权等,请点击“违规举报”。

碎片内容

模板工序质量评定表2017年水利工程

您可能关注的文档

确认删除?
VIP
微信客服
  • 扫码咨询
会员Q群
  • 会员专属群点击这里加入QQ群
客服邮箱
回到顶部