电脑桌面
添加小米粒文库到电脑桌面
安装后可以在桌面快捷访问

模板工程监理实施细则手册VIP免费

模板工程监理实施细则手册_第1页
1/5
模板工程监理实施细则手册_第2页
2/5
模板工程监理实施细则手册_第3页
3/5
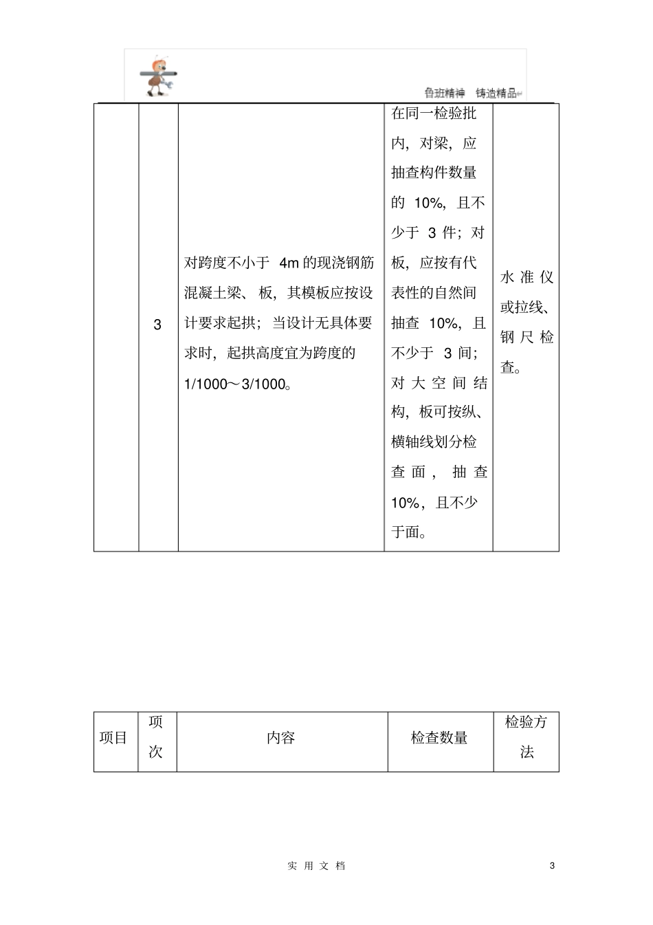
实 用 文 档1 二、混凝土结构工程模板分项工程施工质量监理实施细则混凝土在浇筑时呈可塑状态,模板与混凝土直接接触,使混凝土具有设计所要求的形状; 支架系统起支撑模板, 保持其位置正确并承受模板、混凝土以及施工荷载的作用。模板及其支架系统的质量,将直接影响到混凝土成型后的质量。(一)模板安装项目项次内容检查数量检验方法主控项目1 安装现浇结构的上层模板及其支架时,下层楼板应具有承受上层荷载能力,或加设支架;上、下层支架的立柱应对准,并铺设垫板。全数检查。对 照 模板 设 计文 件 和施 工 技术 方 案观察。2 在涂刷模板隔离剂时, 不得沾污钢筋和混凝土接搓处。全数检查。观察。实 用 文 档2 一般项目1 模板安装应满足下列要求:1 模板的接缝不应漏浆; 在浇筑混凝土前,木模板应浇水湿润,但模板内不应有积水;2 模板与混凝土的接触面应清理干净并涂刷隔离剂, 但不得采用影响结构性能或妨碍装饰工程施工的隔离剂;3 浇筑混凝土前, 模板内的杂物应清理干净;4 对清水混凝土工程及装饰混凝土工程,应使用能达到设计效果的模板。全数检查。观察。2 用作模板的地坪、 胎模等应平整光洁,不得产生影响构件质量的下沉、裂缝、起砂或起鼓。全数检查。观察。实 用 文 档3 3 对跨度不小于 4m 的现浇钢筋混凝土梁、 板,其模板应按设计要求起拱;当设计无具体要求时,起拱高度宜为跨度的1/1000~3/1000。在同一检验批内,对梁,应抽查构件数量的 10%,且不少于 3 件;对板,应按有代表性的自然间抽查 10%,且不少于 3 间;对 大 空 间 结构,板可按纵、横轴线划分检查 面 , 抽 查10%,且不少于面。水 准 仪或拉线、钢 尺 检查。项目项次内容检查数量检验方法实 用 文 档4 一般项目4 固定在模板上的预埋件、预留孔和预留洞均不得遗漏,且应安装牢固,其偏差应符合下表的规定 (GB50204— 2002 规范表 4.2.6)。在同一检验批内,对梁、柱和独立基础,应抽查构件数量的 10%,且不少于 3 件;对墙和板,应按有代表性的自 然 间 抽 查10%,且不少于 3 间;对大空间结构,墙可按相邻轴线间高度 5m 左右 划 分 检 查面,板可按纵横轴线划分检查 面 , 抽 查10%,且均不少于 3 面。钢 尺 检查。项目允许偏差(mm)预埋钢板中心线位置3 预埋管、预埋孔中心线位置3 插筋中心线位置5 外露长度+10,0 预埋螺栓中心线位置2 外露长度+10,0 ...

1、当您付费下载文档后,您只拥有了使用权限,并不意味着购买了版权,文档只能用于自身使用,不得用于其他商业用途(如 [转卖]进行直接盈利或[编辑后售卖]进行间接盈利)。
2、本站所有内容均由合作方或网友上传,本站不对文档的完整性、权威性及其观点立场正确性做任何保证或承诺!文档内容仅供研究参考,付费前请自行鉴别。
3、如文档内容存在违规,或者侵犯商业秘密、侵犯著作权等,请点击“违规举报”。

碎片内容

模板工程监理实施细则手册

您可能关注的文档

确认删除?
VIP
微信客服
  • 扫码咨询
会员Q群
  • 会员专属群点击这里加入QQ群
客服邮箱
回到顶部