电脑桌面
添加小米粒文库到电脑桌面
安装后可以在桌面快捷访问

模板支架和拱架检验批质量验收记录VIP免费

模板支架和拱架检验批质量验收记录_第1页
1/7
模板支架和拱架检验批质量验收记录_第2页
2/7
模板支架和拱架检验批质量验收记录_第3页
3/7
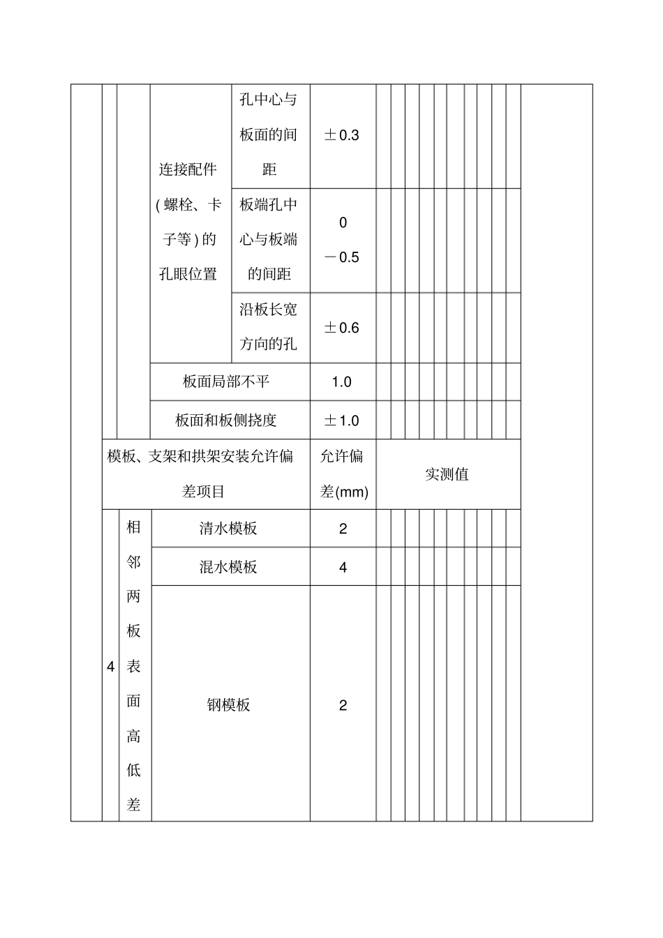
模板、支架和拱架检验批质量验收记录工程名称分项工程名称验收部位施工单位专业工长项目负责人分包单位分包负责人施工班组长施 工 执 行 标 准 名 称 及 编 号城市桥梁工程施工与质量验收规范 CJJ2-2008 验收规范的规定施工单位检查评定记录监理(建设)单位验收记录主控项目1 模板、支架和拱架制作及安装应符合施工设计图 ( 施工方案) 的规定,且稳固牢靠,接缝严密,立柱基础有足够的支撑面和排水、防冻融措施。第5.4.1条第 1 款一般项目1 固定在模板上的预埋件、 预留孔内模不得遗漏, 且应安装牢固。第5.4.4条第 1 款模板制作允许偏差项目允许偏差(mm) 实测值2 木模板模板的长度和宽度±5 不刨光模板相邻两板表面高低差3 刨光模板和相邻两板表面高低差1 平板模板表面最大的局部不平 ( 刨光模板 ) 3 平板模板表面最大的局部不平 (不刨光模板) 5 榫槽嵌接紧密度2 3 钢模板模板的长度和宽度0 -1 肋高±5 面板端偏斜0.5 连接配件( 螺栓、卡子等 ) 的孔眼位置孔中心与板面的间距±0.3 板端孔中心与板端的间距0 -0.5 沿板长宽方向的孔±0.6 板面局部不平1.0 板面和板侧挠度±1.0 模板、支架和拱架安装允许偏差项目允许偏差(mm) 实测值4 相邻两板表面高低差清水模板2 混水模板4 钢模板2 5 表面平整度清水模板3 混水模板5 钢模板3 6 垂直度墙、柱H/1000,且不大于 6 墩、台H/500,且不大于20 塔柱H/3000,且不大于 30 7 模内尺寸基础±10 墩、台+5 -8 梁、板、墙、柱、桩、拱+3 -6 8 轴线偏位基础15 墩、台、墙10 梁、柱、拱、塔柱8 悬浇各梁段8 横隔梁5 9 支承面高程+2 -5 10 悬浇各梁段底面高程+10 0 11 预埋件支座板、锚垫板、连接板等位置5 平面高差2 螺栓、锚筋等位置3 外露长度±5 12 预留孔洞预应力筋孔道位置( 梁端) 5 其他位置8 孔径+10 0 13 梁底模拱度+5 -2 14 对角线差板7 墙板5 桩3 15 侧向弯曲板、拱肋、桁架L/1500 柱、桩L/1000,且不大于 10 梁L/2000,且不大于 10 16 支架、拱架纵轴线的平面偏位L/2000,且不大于 30 17 拱架高程+20 -10 共实测点,其中合格点,不合格点,合格率 % 施工单位检查评定结果项目专业质量检查员:项目专业质量(技术)负责人:年月日监理(建设)单位验收结论监 理 工 程 师 ( 建 设 单 位 项 目 技 术 负 责 人 ):年月日

1、当您付费下载文档后,您只拥有了使用权限,并不意味着购买了版权,文档只能用于自身使用,不得用于其他商业用途(如 [转卖]进行直接盈利或[编辑后售卖]进行间接盈利)。
2、本站所有内容均由合作方或网友上传,本站不对文档的完整性、权威性及其观点立场正确性做任何保证或承诺!文档内容仅供研究参考,付费前请自行鉴别。
3、如文档内容存在违规,或者侵犯商业秘密、侵犯著作权等,请点击“违规举报”。

碎片内容

模板支架和拱架检验批质量验收记录

爱的疯狂+ 关注
实名认证
内容提供者

该用户很懒,什么也没介绍

相关文档

确认删除?
VIP
微信客服
  • 扫码咨询
会员Q群
  • 会员专属群点击这里加入QQ群
客服邮箱
回到顶部