电脑桌面
添加小米粒文库到电脑桌面
安装后可以在桌面快捷访问

ZSJZ水流指示器VIP免费

ZSJZ水流指示器_第1页
1/6
ZSJZ水流指示器_第2页
2/6
ZSJZ水流指示器_第3页
3/6
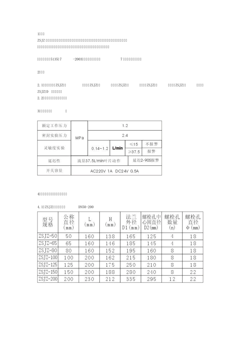
1、说明 ZSJZ 型水流指示器是自动喷水灭火系统中将水流信号转换成电信号的一种报警装置。广泛用于中、轻危险级建筑用水扑火的宾馆、商场、餐厅、娱乐场所、医院、办公楼以及厂房、仓库等场所。 产品标准:GB5135·7-2003《自动喷水灭火系统第7 部份:水流指示器》。 2、结构 2.1、连接形式有:ZSJZ·F法兰式、ZSJZ·H焊接式、ZSJZ·R螺纹式、ZSJZ·M马鞍式、ZSJZ·G卡箍式、ZSJZ·D对夹式六种。 2.2、传感形式为:橡胶传感组件 3、主要技术参数: 4、规格及其外型和主要连接尺寸: 4.1、ZSJZ·F(法兰式)DN50-200 4.2、ZSJZ·H(焊接式)DN50-200 4.3、ZSJZ·R(螺纹式)DN32-100 相应管路开一φ 43 孔即可焊接 4.4、ZSJZ·M(马鞍式)DN50-200 4.5、ZSJZ·G(卡箍式)DN65-150 4.6、ZSJZ·D(对夹式)DN50-150 5、安装、调试、使用: 5.1、 水流指示器必须安装在前后直管段长度不小于5 倍的管道直径,叶片安装方向应注意箭头方向与水流方向一致; 5.2、水流指示器应和管道水平垂直安装,若不能垂直安装时,安装后应检查水流指示器的灵敏度,保证符合规定的要求。在管道水流≤15L/min不报警;≤37.5L/min时报警; 5.3、水流指示器安装插入管道时,应将传感叶片卷成圆筒状。如图二所示,拆卸时也应如此拉出; 5.4、水流指示器请按接线图接线; 5.5、马鞍式和卡箍式按本说明书在管道上开口后即可安装,但必须注意水流方向与箭头一致; 5.6、对夹式水流指示器在管道上应有法兰,法兰尺寸按说明书,DN80 法兰尺寸为1.0MPa 级,注意水流方向与箭头一致; 5.7、水流指示器的灵敏度,出厂时已调整好,用户一般可不必重新调试,若必须调试时,请按调节灵敏度示意图(图二)进行调节; 5.8、水流指示器安装后应每半年检查一次。 6、可能出现的故障和处理方法: 7、包装、运输和贮存 7.1、水流指示器在包装箱中应单独固定,避免相互碰撞; 7.2、包装箱应有合格证明和使用说明书,每批应有装箱清单; 7.3、包装箱外应有明确放置方向,防潮标志; 7.4、运输过程中应防雨减震,装卸时应防止丢、抛、撞击; 7.5、水流指示器存放在通风、干燥的库房内,贮存温度-10℃~40℃,应避免和腐蚀性物质共同贮存。

1、当您付费下载文档后,您只拥有了使用权限,并不意味着购买了版权,文档只能用于自身使用,不得用于其他商业用途(如 [转卖]进行直接盈利或[编辑后售卖]进行间接盈利)。
2、本站所有内容均由合作方或网友上传,本站不对文档的完整性、权威性及其观点立场正确性做任何保证或承诺!文档内容仅供研究参考,付费前请自行鉴别。
3、如文档内容存在违规,或者侵犯商业秘密、侵犯著作权等,请点击“违规举报”。

碎片内容

ZSJZ水流指示器

确认删除?
VIP
微信客服
  • 扫码咨询
会员Q群
  • 会员专属群点击这里加入QQ群
客服邮箱
回到顶部