电脑桌面
添加小米粒文库到电脑桌面
安装后可以在桌面快捷访问

氢压机技术手册VIP免费

氢压机技术手册_第1页
1/26
氢压机技术手册_第2页
2/26
氢压机技术手册_第3页
3/26
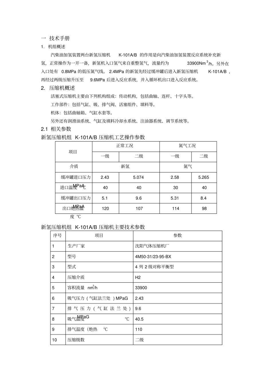
一 技术手册1. 机组概述汽柴油加氢装置两台新氢压缩机K-101A/B 的作用是向汽柴油加氢装置反应系统补充新氢,正常操作为一开一备,新氢机入口氢气来自重整氢气,流量约为33900Nm3/h。另外在入口处有 0.8MPa 的低压氮气线。 2.4MPa 的新氢先经过缓冲罐后进入新氢压缩机K-101A/B ,再经过两级压缩升压至9.6MPa 后进入反应系统,并入循环机出口进入反应系统。2. 压缩机概述活塞式压缩机主要由下列机构组成:传动机构,包括曲轴、连杆、十字头等。工作部件:包括气缸、吸、排气阀、活塞组件、填料等。机体:包括曲轴箱、气缸水套等。另外还有润滑油系统、气缸及填料冷却水系统、注油器系统、调节系统等。2.1 相关参数新氢压缩机组 K-101A/B 压缩机工艺操作参数项目正常工况氮气工况一级二级一级二级介质新氢氮气缓冲罐进口压力MPaA 2.43 5.074 2.58 5.265 进口温度℃40 40 30 40 缓冲罐出口压力MPaA 5.1 9.6 5.31 8.4 出口绝热温度 ℃120 107 114 98 新氢压缩机组 K-101A/B 压缩机主要技术参数序号项目参数1 生产厂家沈阳气体压缩机厂2 型号4M50-31/23-95-BX 3 型式4 列 2 级对称平衡型4 压缩介质H2 5 容积流量 nm3/h 33900 6 吸气压力 ( 气缸法兰处 ) MPaG 2.43 7 排 气 压 力 ( 气 缸 法 兰 处 ) MPaG 9.6 8 吸气温度℃40.5 9 排气温度(绝热℃110 10 压缩级数二级11 气缸内径 mm 一级 : 350 二级 : 250 12 额定转速 rpm 300 13 活塞行程 mm 350 14 活塞速度 m/s 3.5 15 活塞杆直径mm 110 16 传动方式刚性联轴器直联17 轴功率 kW 2326 18 冷却方式水冷19 冷却水耗量 t/h 软化水 /循环水: 29/24120 润滑方式稀油强制润滑21 传动机构油泵压力循环润滑22 气缸、填料注油器润滑23 主机外形尺寸 (LxWxH) mm 8550X5650X3650mm (不包括电机 ,辅助设备)24 主机质量 kg 50400新氢压缩机组 K-101A/B 机组消耗指标 ( 单台机组 ) 项目电压 ,V 轴功率 ,KW 设备容量 ,KVA 工作方式用电主电动机6000 2600 连续主辅油泵电动机380 7.5 开机用水泵电动机380 45 1 开 1 备电机空间加热器220 300 间断注油器电机380 4 连续项目介质单位正常值最大值工作方式冷却水量润滑油冷却器循环m3/h 241连续气缸、填料函软化m3/h 29连续2.2 驱动机该电动机顶部配有空—水冷却器,并采用密闭循环强迫风冷方式及停机后的加热用...

1、当您付费下载文档后,您只拥有了使用权限,并不意味着购买了版权,文档只能用于自身使用,不得用于其他商业用途(如 [转卖]进行直接盈利或[编辑后售卖]进行间接盈利)。
2、本站所有内容均由合作方或网友上传,本站不对文档的完整性、权威性及其观点立场正确性做任何保证或承诺!文档内容仅供研究参考,付费前请自行鉴别。
3、如文档内容存在违规,或者侵犯商业秘密、侵犯著作权等,请点击“违规举报”。

碎片内容

氢压机技术手册

您可能关注的文档

确认删除?
VIP
微信客服
  • 扫码咨询
会员Q群
  • 会员专属群点击这里加入QQ群
客服邮箱
回到顶部