电脑桌面
添加小米粒文库到电脑桌面
安装后可以在桌面快捷访问

水利工程分部验收最新表格模板VIP免费

水利工程分部验收最新表格模板_第1页
1/11
水利工程分部验收最新表格模板_第2页
2/11
水利工程分部验收最新表格模板_第3页
3/11
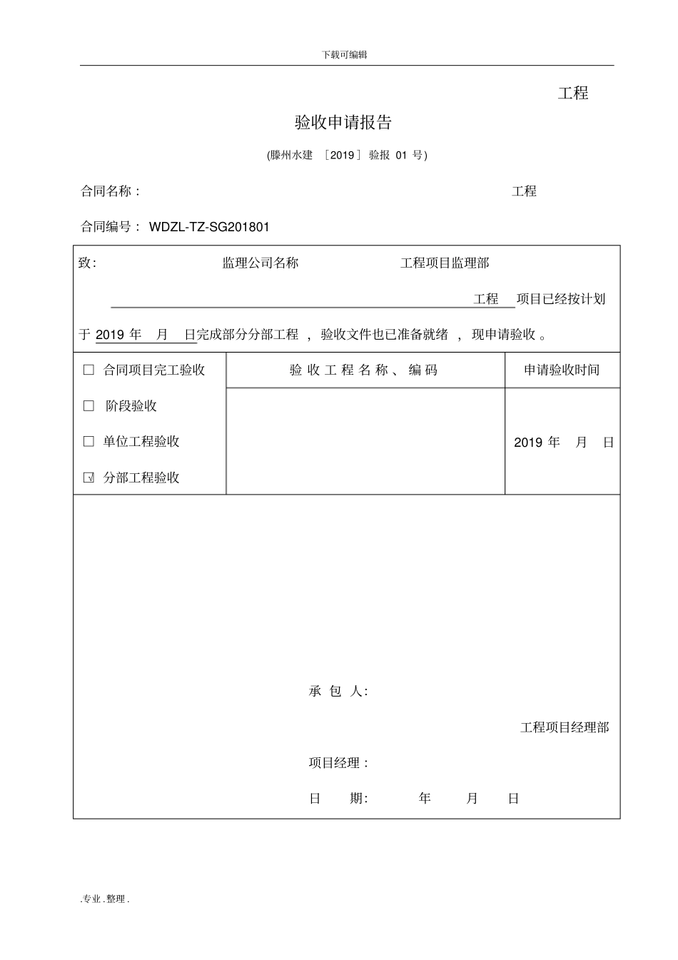
下载可编辑.专业 .整理 . 工程验收申请报告(滕州水建 [2019 ]验报 01 号) 合同名称 :工程合同编号 :WDZL-TZ-SG201801 致:监理公司名称工程项目监理部工程项目已经按计划于 2019 年月日完成部分分部工程 ,验收文件也已准备就绪 ,现申请验收 。□ 合同项目完工验收□阶段验收□ 单位工程验收□√ 分部工程验收验 收 工 程 名 称 、 编 码申请验收时间2019 年月日承 包 人:工程项目经理部项目经理 :日期:年月日下载可编辑.专业 .整理 . 监理机构将另行签发审核意见。监理机构 :工程项目监理部签 收 人:日期:年月日说明: 本表一式4 份,由承包人填写 。监理机构审签后 ,随同审核意见 ,承包人 、监理机构 、发包人 、设代机构各 1 份。JL05 批 复 表( [ ]批复号) 合同名称 :工程合同编号 :下载可编辑.专业 .整理 . 致:工程项目经理部你 方 于2019 年月日 报 送 的分 部 工 程 验 收 申 请 报 告 ( 文 号 :[]验报 01 号),经监理机构审核 ,批复意见如下 :已具备验收条件 ,同意 2019 年月日验收 。附件:监理机构 :工程项目监理部总监理工程师 / 监理工程师 :日期:年月日下载可编辑.专业 .整理 . 承包人 :工程项目经理部签收人 :日期:年月日说明 : 1.本证书一式四 份 ,由监理机构填写 。承包人签收后 ,承包人 、监理机构 、发包人各 1 份。2.一般批复由监理工程师签发,重要批复由总监理工程师签发。3.本批复表可用于对承包人的申请、报告的批复 。工程表 03 分部工程施工质量评定表单位工程名称施工单位分部工程名称施工日期自 2018 年月日至 2019 年月日分部工程量如下评定日期2019 年月日项次单元工程种类工程量单元工程个数合格个数其中优良个数备注1 合计下载可编辑.专业 .整理 . 重要隐蔽单元工程、关键部位单元工程施工单位自评意见监理单位复核意见项目法人认定意见本分部工程的单元工程质量全部合格。优良率为 100% ,重要隐蔽单元工程及关键部位单元工程 10 个,优良率为 100% 。 原材料质量 合格, 中间产品质量合格,金属结构及 启 闭 机 制 造 质 量/ , 机 电 产 品 质 量/ 。质量事故及质量缺陷处理情况: 无分部工程质量等级:优良评定人 :项目技术负责人:( 盖公章)年月日复核意见 :分部工程质量等级:监理工程师 :年月日总监或副总监...

1、当您付费下载文档后,您只拥有了使用权限,并不意味着购买了版权,文档只能用于自身使用,不得用于其他商业用途(如 [转卖]进行直接盈利或[编辑后售卖]进行间接盈利)。
2、本站所有内容均由合作方或网友上传,本站不对文档的完整性、权威性及其观点立场正确性做任何保证或承诺!文档内容仅供研究参考,付费前请自行鉴别。
3、如文档内容存在违规,或者侵犯商业秘密、侵犯著作权等,请点击“违规举报”。

碎片内容

水利工程分部验收最新表格模板

您可能关注的文档

确认删除?
VIP
微信客服
  • 扫码咨询
会员Q群
  • 会员专属群点击这里加入QQ群
客服邮箱
回到顶部