电脑桌面
添加小米粒文库到电脑桌面
安装后可以在桌面快捷访问

水处理设备技术参数VIP免费

水处理设备技术参数_第1页
1/46
水处理设备技术参数_第2页
2/46
水处理设备技术参数_第3页
3/46
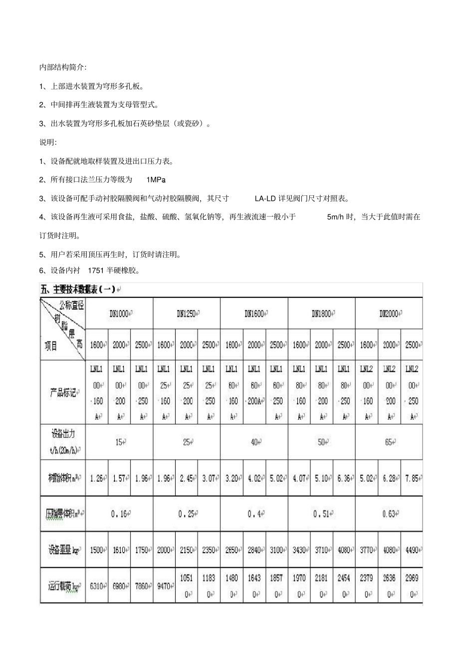
目录逆流再生离子交换器(垫层型)................................................... 2新型高效纤维过滤器............................................................. 7机械过滤器 .................................................................... 12活性碳过滤器.................................................................. 16浮动离子交换器(多孔板水帽型) .............................................. 18混合离子交换器(体内再生).................................................... 24树脂捕捉器(低压)............................................................ 28除碳器 ........................................................................ 32收水器 ........................................................................ 35中间水箱 ...................................................................... 36酸碱贮存罐 .................................................................... 38计量箱 ........................................................................ 41酸雾吸收器 .................................................................... 44混合三通 ...................................................................... 46逆流再生离子交换器(垫层型)一、概述此设备用于水的纯化,其运行和再生时液流通过交换剂的方向相反,交换剂再生程度高,再生剂耗量少,出水质量有保证,但设备及操作较顺流再生离子交换器复杂,再生方式分为气顶压、水顶压及无顶压三种类型,进水浊度要求<2mg/L。二、技术特性表设计压力 MPa0.6容器类别一类设计温度℃50焊缝系数0.85设计流速 m/h15-30主体材料Q235-A Q235-AF滤料层高 mm见表五容器形式立式三、产品标记四、简图内部结构简介:1、上部进水装置为穹形多孔板。2、中间排再生液装置为支母管型式。3、出水装置为穹形多孔板加石英砂垫层(或瓷砂)。说明:1、设备配就地取样装置及进出口压力表。2、所有接口法兰压力等级为1MPa。3、该设备可配手动衬胶隔膜阀和气动衬胶隔膜阀,其尺寸LA-LD 详见阀门尺寸对照表。4、该设备再生液可采用食盐,盐酸、硫酸、氢氧化钠等,再生液流速一般小于5m/h 时,当大于此值时需在订货时注明。5、用户若采用顶压再生时,订货时请注明。6、...

1、当您付费下载文档后,您只拥有了使用权限,并不意味着购买了版权,文档只能用于自身使用,不得用于其他商业用途(如 [转卖]进行直接盈利或[编辑后售卖]进行间接盈利)。
2、本站所有内容均由合作方或网友上传,本站不对文档的完整性、权威性及其观点立场正确性做任何保证或承诺!文档内容仅供研究参考,付费前请自行鉴别。
3、如文档内容存在违规,或者侵犯商业秘密、侵犯著作权等,请点击“违规举报”。

碎片内容

水处理设备技术参数

文库响当当+ 关注
实名认证
内容提供者

该用户很懒,什么也没介绍

确认删除?
VIP
微信客服
  • 扫码咨询
会员Q群
  • 会员专属群点击这里加入QQ群
客服邮箱
回到顶部