电脑桌面
添加小米粒文库到电脑桌面
安装后可以在桌面快捷访问

水泥混凝土面层检验批质量验收记录文本表VIP免费

水泥混凝土面层检验批质量验收记录文本表_第1页
1/24
水泥混凝土面层检验批质量验收记录文本表_第2页
2/24
水泥混凝土面层检验批质量验收记录文本表_第3页
3/24
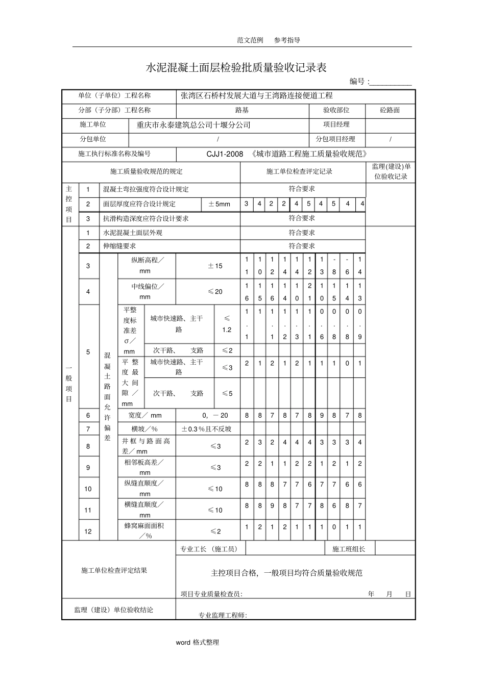
范文范例参考指导word 格式整理水泥混凝土面层检验批质量验收记录表编号 :__________ 单位(子单位)工程名称张湾区石桥村发展大道与王湾路连接便道工程分部(子分部)工程名称路基验收部位砼路面施工单位重庆市永泰建筑总公司十堰分公司项目经理分包单位/ 分包项目经理/ 施工执行标准名称及编号CJJ1-2008 《城市道路工程施工质量验收规范》施工质量验收规范的规定施工单位检查评定记录监理(建设)单位验收记录主控项目1 混凝土弯拉强度符合设计规定符合要求2 面层厚度应符合设计规定± 5mm 3 4 2 2 4 5 4 5 4 4 3 抗滑构造深度应符合设计要求符合要求一般项目1 水泥混凝土面层外观符合要求2 伸缩缝要求符合要求3 混凝土路面允许偏差纵断高程/mm ± 15 11 10 12 14 14 12 13 -8 -6 14 4 中线偏位/mm ≤ 20 16 15 16 14 10 21 10 15 14 13 5 平整度标准差σ/mm 城市快速路、主干路≤1.2 1.1 1 1.1 1.2 1.3 1.1 0.6 0.8 0.8 0.9 次干路、支路≤2 平 整度 最大 间隙 /mm 城市快速路、主干路≤3 2 1 2 1 2 1 1 1 0 1 次干路、支路≤5 6 宽度/ mm 0,- 20 8 8 7 8 7 8 9 8 7 8 7 横坡/%±0.3%且不反坡8 井 框 与 路 面 高差/ mm ≤3 2 3 2 4 4 4 3 3 3 4 9 相邻板高差/mm ≤3 2 2 1 1 2 2 1 2 1 2 10 纵缝直顺度/mm ≤ 10 8 8 8 7 7 6 7 7 6 6 11 横缝直顺度/mm ≤ 10 8 8 9 8 7 7 8 6 8 7 12 蜂窝麻面面积/%≤2 1 2 1 2 1 1 1 0 1 1 施工单位检查评定结果专业工长 (施工员)施工班组长主控项目合格,一般项目均符合质量验收规范项目专业质量检查员:年月日监理(建设)单位验收结论专业监理工程师:范文范例参考指导word 格式整理(建设单位项目专业技术负责人):年月日水泥混凝土原材料检验批质量验收记录表编号 :__________ 单位(子单位)工程名称张湾区石桥村发展大道与王湾路连接便道工程分部(子分部)工程名称路基验收部位道路施工单位重庆市永泰建筑总公司十堰分公司项目经理分包单位/ 分包项目经理/ 施工执行标准名称及编号CJJ1-2008 《城市道路工程施工质量验收规范》施工质量验收规范的规定施工单位检查评定记录监理(建设)单位验收记录主控项目1 水泥品种、级别、质量、包装、贮存,应符合国家现行有关标准的规定符合要求2 外加剂...

1、当您付费下载文档后,您只拥有了使用权限,并不意味着购买了版权,文档只能用于自身使用,不得用于其他商业用途(如 [转卖]进行直接盈利或[编辑后售卖]进行间接盈利)。
2、本站所有内容均由合作方或网友上传,本站不对文档的完整性、权威性及其观点立场正确性做任何保证或承诺!文档内容仅供研究参考,付费前请自行鉴别。
3、如文档内容存在违规,或者侵犯商业秘密、侵犯著作权等,请点击“违规举报”。

碎片内容

水泥混凝土面层检验批质量验收记录文本表

您可能关注的文档

确认删除?
VIP
微信客服
  • 扫码咨询
会员Q群
  • 会员专属群点击这里加入QQ群
客服邮箱
回到顶部