电脑桌面
添加小米粒文库到电脑桌面
安装后可以在桌面快捷访问

水泥砂浆检验批质量验收记录表VIP免费

水泥砂浆检验批质量验收记录表_第1页
1/2
水泥砂浆检验批质量验收记录表_第2页
2/2
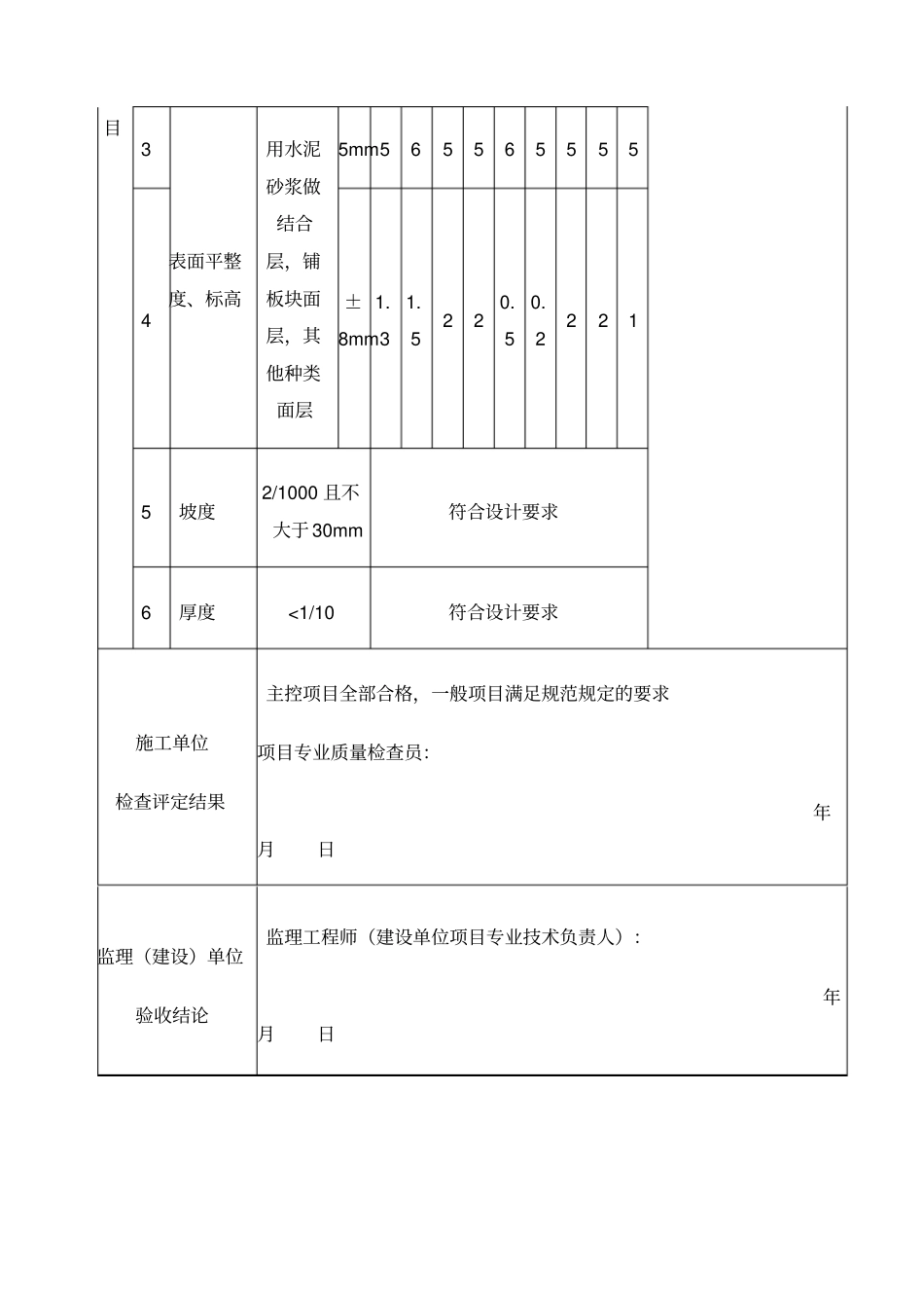
检验批质量验收记录表验收表 -14工程名称彭家花园军干所改造工程分项工程名称石材铺装验收部位地面施工单位重庆钟山园林设计建设有限公司专业工长项目经理施工执行标准名称及编号GB50210-2001主控项目质量验收规范的规定施工单位检查评定记录监理(建设)单位验收记录1材料质量设计要求符合设计要求2配合比和强度等级设计要求符合设计要求一般项1找平层与下层结合结合牢固无空鼓符合设计要求2、找平层表面质量第4.9.10 条符合设计要求目3表面平整度、标高用水泥砂浆做结合层,铺板块面层,其他种类面层5mm5655655554±8mm1.31.5220.50.22215坡度2/1000 且不大于 30mm符合设计要求6厚度<1/10符合设计要求施工单位检查评定结果主控项目全部合格,一般项目满足规范规定的要求项目专业质量检查员:年月日监理(建设)单位验收结论监理工程师(建设单位项目专业技术负责人):年月日

1、当您付费下载文档后,您只拥有了使用权限,并不意味着购买了版权,文档只能用于自身使用,不得用于其他商业用途(如 [转卖]进行直接盈利或[编辑后售卖]进行间接盈利)。
2、本站所有内容均由合作方或网友上传,本站不对文档的完整性、权威性及其观点立场正确性做任何保证或承诺!文档内容仅供研究参考,付费前请自行鉴别。
3、如文档内容存在违规,或者侵犯商业秘密、侵犯著作权等,请点击“违规举报”。

碎片内容

水泥砂浆检验批质量验收记录表

确认删除?
VIP
微信客服
  • 扫码咨询
会员Q群
  • 会员专属群点击这里加入QQ群
客服邮箱
回到顶部