电脑桌面
添加小米粒文库到电脑桌面
安装后可以在桌面快捷访问

水玻璃硬化剂VIP免费

水玻璃硬化剂_第1页
1/2
水玻璃硬化剂_第2页
2/2
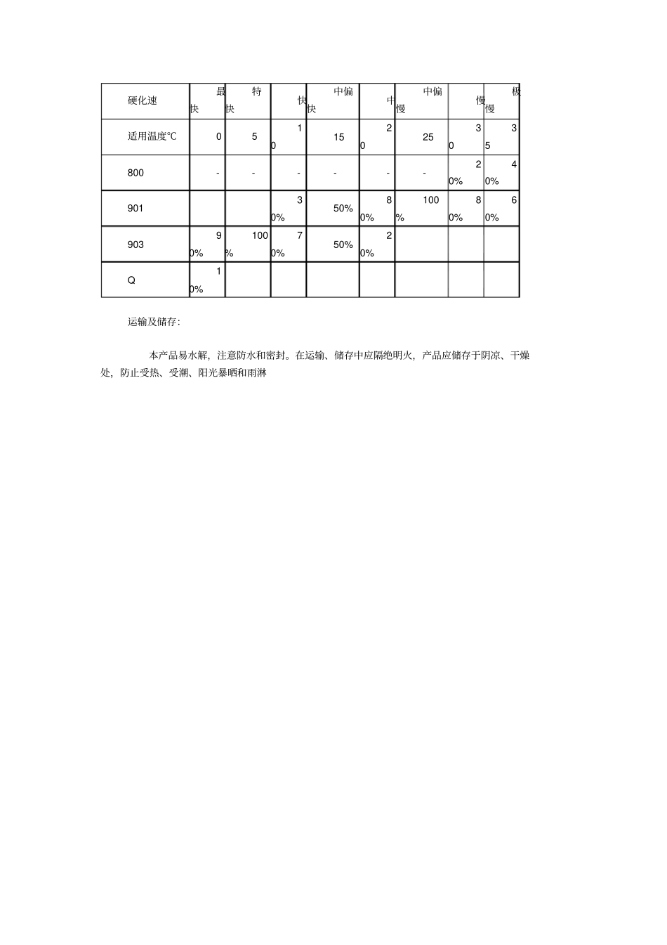
水玻璃硬化剂 (MDT-系列有机脂 ) 物化性能微黄色透明液体 ;略溶于水 ;易溶于醇、醚和其它有机溶剂。沸程: (101.3kPa)180 ~290 ℃具有酯的一般化学性质,在苛性碱和无机酸存在下容易水解成醇和乙酸。水玻璃硬化剂 (MDT -系列有机酯 )产品简介随着铸造行业发展和生产技术进一步需要,我厂研制并生产了MDT 系列有机酯, 94 年开始应用铸造生产,共有3 个品种自硬特性好。水玻璃自硬砂无毒无害,在混砂,造型硬化和浇注过程中均无刺激气味有毒气体释出,一旦旧砂再生和回用解决后,不再有废砂排放,在黏结强度,溃散性和旧砂性方面,均接近甚至达到树脂砂同样的水平,在水玻璃中添加少量MDT 有机脂后,便成为在常温下,型砂达到自硬程度,砂在模型内自硬后脱模不需要烘干。在全国不同地区大中型企业铸钢有色金属生产等方面验证,具有铸件尺寸精度高、加工余量小,溃散性好、发气能量少、生产能耗低等优点。酯硬化水玻璃自硬原理有机酯与水玻璃混合后,在水玻璃这感性介质中,有机酯发生水解,分解为醇和酸。有机酸与水玻璃反应析出硅酸,却相互结合形成网状的硅酸凝胶,逐步硬化。此时由于砂粒被分别包围在网状结构中,于是型砂建立起强度。一般酯硬化水玻璃砂型抗压强度为1.5-3Mpa 。质量指标 Q/320282NZX001-2003: 项目工业级酯含量 % ≥96%游离酸 % ≤0.5 外观无色或微黄色水份% ≤0.05 产品型号及技术指标型号硬化速度适用温度MDT800 特慢35 MDT901 中速25 MDT903 快5 通常配比:原沙 %;水玻璃 2.4~4.0%; 硬化剂 0.25 ~0.4%; 水玻璃模数 2.2 ~2.5 硬化速度调节硬化速最快特快快中偏快中中偏慢慢极慢适用温度℃0 5 10 15 20 25 30 35 800 - - - - - - 20% 40% 901 30% 50% 80% 100% 80% 60% 903 90% 100% 70% 50% 20% Q 10% 运输及储存:本产品易水解,注意防水和密封。在运输、储存中应隔绝明火,产品应储存于阴凉、干燥处,防止受热、受潮、阳光暴晒和雨淋

1、当您付费下载文档后,您只拥有了使用权限,并不意味着购买了版权,文档只能用于自身使用,不得用于其他商业用途(如 [转卖]进行直接盈利或[编辑后售卖]进行间接盈利)。
2、本站所有内容均由合作方或网友上传,本站不对文档的完整性、权威性及其观点立场正确性做任何保证或承诺!文档内容仅供研究参考,付费前请自行鉴别。
3、如文档内容存在违规,或者侵犯商业秘密、侵犯著作权等,请点击“违规举报”。

碎片内容

水玻璃硬化剂

您可能关注的文档

确认删除?
VIP
微信客服
  • 扫码咨询
会员Q群
  • 会员专属群点击这里加入QQ群
客服邮箱
回到顶部