电脑桌面
添加小米粒文库到电脑桌面
安装后可以在桌面快捷访问

水电试验记录范文VIP免费

水电试验记录范文_第1页
1/10
水电试验记录范文_第2页
2/10
水电试验记录范文_第3页
3/10
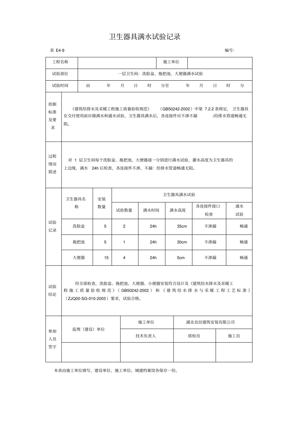
卫生器具满水试验记录表 E4-9 编号:工程名称施工单位试验部位一层卫生间:洗脸盆、拖把池、大便器满水试验试验时间由年月日时分至年月日时分依据标准及要求《建筑给排水及采暖工程施工质量验收规范》(GB50242-2002)中第 7.2.2 条规定, 卫生器具在交付使用前应做满水和通水试验,卫生器具满水后,各连接件应不渗不漏:给排水管道畅通无阻。过程情况简述对 1 层卫生间每个洗脸盆、拖把池、大便器逐一分别进行满水试验,灌水高度为卫生器具的上边缘,满水24h 后检查,各连接件不渗、不漏:给排水管道畅通无阻。试验记录卫生器具名称安装数量卫生器具满水试验试验数量满水时间满水高度各连接件接口检查通水试验洗脸盆5 2 24h 35cm 不渗漏畅通拖把池5 1 24h 30cm 不渗漏畅通大便器15 4 24h 5cm 不渗漏畅通试验结论经全部检查,洗脸盆、拖把池、大便器、小便器安装符合设计及《建筑给水排水及采暖工程 施 工 质 量 验 收 规 范 》( GB50242-2002 ) 和 《 建 筑 给 水 排 水 与 采 暖 工 程 工 艺 标 准 》(ZJQ00-SG-010-2003 )要求,试验合格。参加人员签字监理(建设)单位施工单位湖北良信建筑安装有限公司技术负责人质检员施工员本表由施工单位填写,建设单位、施工单位、城建档案馆各保存一份。接 地 电 阻 测 试 记 录表 E5-1 编号:工程名称仪表型号ZC-8 测试日期年月日计量单位Ω (欧姆)天气情况气温接地类型□防雷接地□计算机接地□√工作接地□保护接地□防静电接地□逻辑接地□√重复接地□√综合接地□医疗设备接地设计要求□ ≤10Ω□ ≤4Ω□√≤1Ω□ ≤0.1Ω□ ≤Ω□ ≤测试结论:季节系数取1.4,接地类型分2 组进行测试,组别及实测数据分别为:防雷接地: (1)0.27×1.4=0.378 ,(2)0.27×1.4=0.378重复接地: (1)0.26×1.4=0.364 ,(2)0.27×1.4=0.378工作接地: (1)0.27×1.4=0.378 ,(2)0.26×1.4=0.364 经测试计算,符合设计要求和《建筑电气工程施工质量验收规范》(GB50303-2002)规定。参加人员签字监理(建设)单位施工单位湖北良信建筑安装有限公司技术负责人质检员施工员本表由施工单位填写,建设单位、施工单位、城建档案馆各保存一份。电气绝缘电阻测试记录表 E5-2编号:工程名称测试日期年月日计量单位MΩ (兆欧)天气状况仪表型号ZC-7 电压气温试验内容相间相对零相对地零对地L 1-L 2L 2-L 3L 3-L 1L1-N L 2-N L3-N ...

1、当您付费下载文档后,您只拥有了使用权限,并不意味着购买了版权,文档只能用于自身使用,不得用于其他商业用途(如 [转卖]进行直接盈利或[编辑后售卖]进行间接盈利)。
2、本站所有内容均由合作方或网友上传,本站不对文档的完整性、权威性及其观点立场正确性做任何保证或承诺!文档内容仅供研究参考,付费前请自行鉴别。
3、如文档内容存在违规,或者侵犯商业秘密、侵犯著作权等,请点击“违规举报”。

碎片内容

水电试验记录范文

确认删除?
VIP
微信客服
  • 扫码咨询
会员Q群
  • 会员专属群点击这里加入QQ群
客服邮箱
回到顶部