电脑桌面
添加小米粒文库到电脑桌面
安装后可以在桌面快捷访问

水电隐蔽工程验收记录范例VIP免费

水电隐蔽工程验收记录范例_第1页
1/12
水电隐蔽工程验收记录范例_第2页
2/12
水电隐蔽工程验收记录范例_第3页
3/12
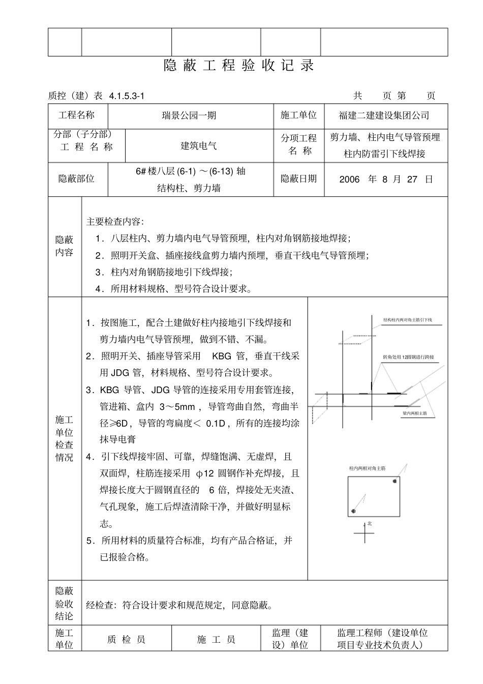
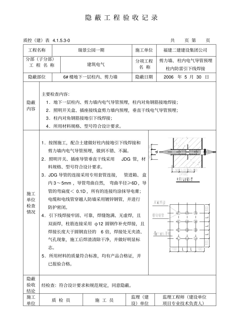
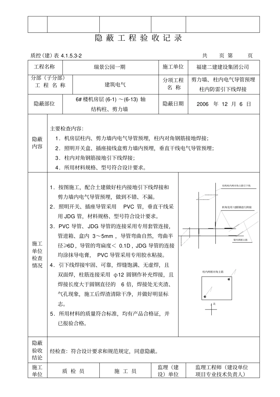
隐 蔽 工 程 验 收 记 录质控(建)表 4.1.5.3-0 共页 第页工程名称瑞景公园一期施工单位福建二建建设集团公司分部(子分部)工 程 名 称建筑电气分项工程名 称剪力墙、柱内电气导管预埋柱内防雷引下线焊接隐蔽部位6# 楼地下一层柱内、剪力墙隐蔽日期2006 年 5 月 30 日隐蔽内容主要检查内容:1.地下一层柱内、剪力墙内电气导管预埋,柱内对角钢筋接地焊接;2.照明开关盒、插座接线盒剪力墙内预埋,垂直干线电气导管预埋;3.柱内对角钢筋接地引下线焊接;4.所用材料规格、型号符合设计要求。施工单位检查情况1.按图施工,配合土建做好柱内接地引下线焊接和剪力墙内电气导管预埋,做到不错、不漏。2.照明开关、插座导管垂直干线采用JDG 管,材料规格、型号符合设计要求。3.JDG 导管的连接采用专用套管连接,管进箱、 盒内 3~5mm ,导管弯曲自然, 弯曲半径≥6D ,导管的弯扁度< 0.1D ,所有的连接均涂抹导电膏;电缆和电线管穿越人防墙采用镀锌钢管,并进行防护密闭。4.引下线焊接牢固、可靠,焊缝饱满、无虚焊,且双面焊,柱筋连接采用 φ12 圆钢作补充焊接,且焊接长度大于圆钢直径的6 倍,焊接处无夹渣、气孔现象,施工后焊渣清除干净,并做好明显标志。5.所用材料的质量符合标准,均有产品合格证,并已报验合格。隐蔽验收结论经检查:符合设计要求和规范规定,同意隐蔽。施工单位质 检 员施 工 员监理(建设)单位监理工程师(建设单位项目专业技术负责人)隐 蔽 工 程 验 收 记 录质控(建)表 4.1.5.3-1 共页 第页工程名称瑞景公园一期施工单位福建二建建设集团公司分部(子分部)工 程 名 称建筑电气分项工程名 称剪力墙、柱内电气导管预埋柱内防雷引下线焊接隐蔽部位6# 楼八层 (6-1) ~(6-13) 轴结构柱、剪力墙隐蔽日期2006 年 8 月 27 日隐蔽内容主要检查内容:1.八层柱内、剪力墙内电气导管预埋,柱内对角钢筋接地焊接;2.照明开关盒、插座接线盒剪力墙内预埋,垂直干线电气导管预埋;3.柱内对角钢筋接地引下线焊接;4.所用材料规格、型号符合设计要求。施工单位检查情况1.按图施工,配合土建做好柱内接地引下线焊接和剪力墙内电气导管预埋,做到不错、不漏。2.照明开关、插座导管采用KBG 管,垂直干线采用 JDG 管,材料规格、型号符合设计要求。3.KBG 导管、JDG 导管的连接采用专用套管连接,管进箱、盒内 3~5mm ,导管弯曲自然,弯曲半径≥6D ...

1、当您付费下载文档后,您只拥有了使用权限,并不意味着购买了版权,文档只能用于自身使用,不得用于其他商业用途(如 [转卖]进行直接盈利或[编辑后售卖]进行间接盈利)。
2、本站所有内容均由合作方或网友上传,本站不对文档的完整性、权威性及其观点立场正确性做任何保证或承诺!文档内容仅供研究参考,付费前请自行鉴别。
3、如文档内容存在违规,或者侵犯商业秘密、侵犯著作权等,请点击“违规举报”。

碎片内容

水电隐蔽工程验收记录范例

您可能关注的文档

确认删除?
VIP
微信客服
  • 扫码咨询
会员Q群
  • 会员专属群点击这里加入QQ群
客服邮箱
回到顶部