电脑桌面
添加小米粒文库到电脑桌面
安装后可以在桌面快捷访问

《内河通航标准》(GB50139_2004)VIP免费

《内河通航标准》(GB50139_2004)_第1页
1/23
《内河通航标准》(GB50139_2004)_第2页
2/23
《内河通航标准》(GB50139_2004)_第3页
3/23
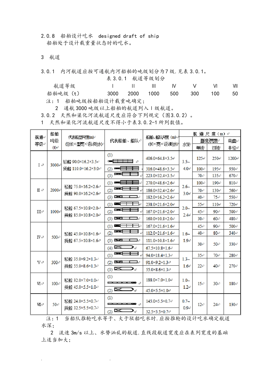
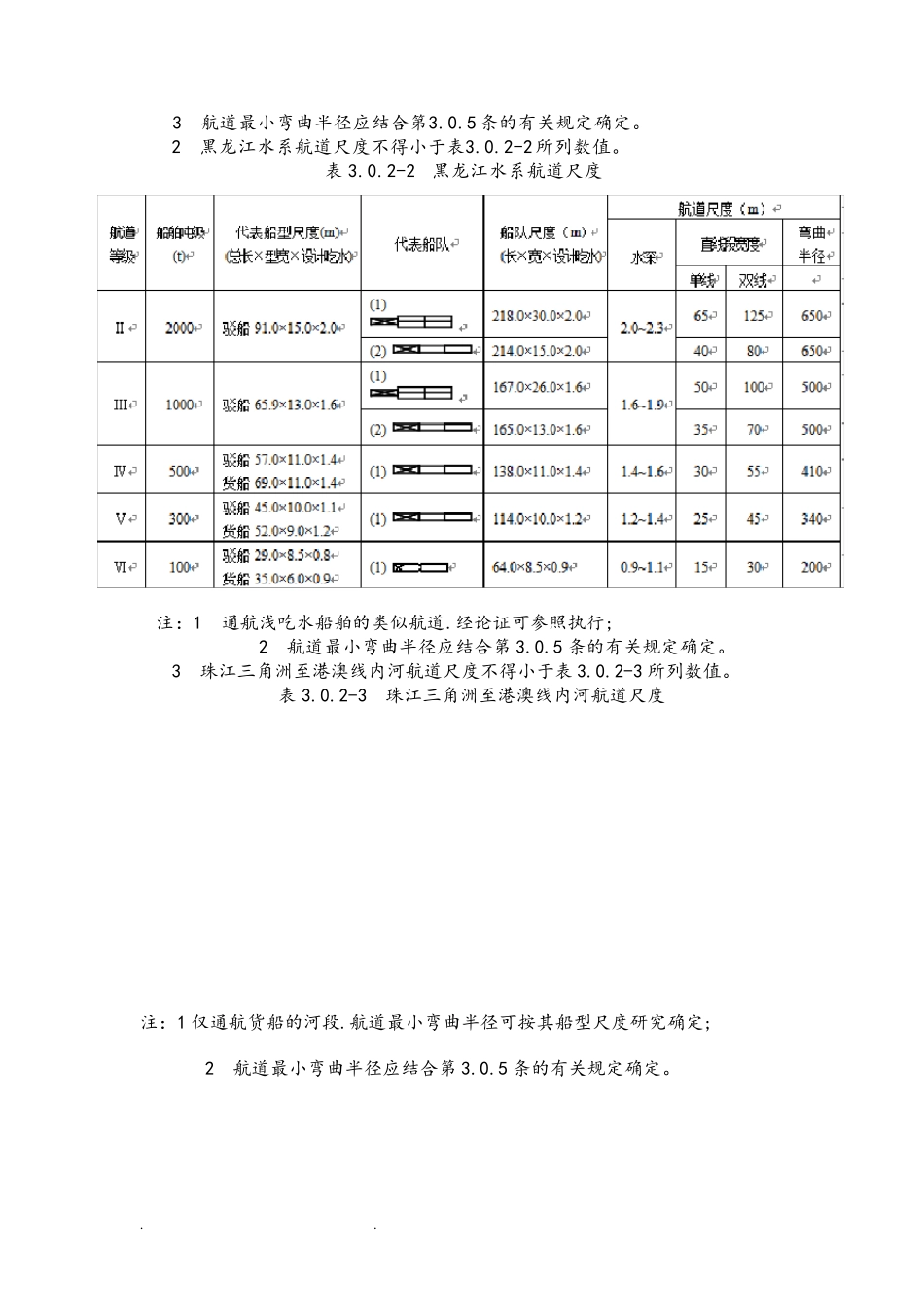
. . 《内河通航标准》(GB50139-2004) 《内河通航标准》(GB50139-2004) 2004—03—01 发布 2004—05—01 实施 1 总则 1.0.1 为统一我国内河通航技术要求.促进内河通航的标准化、现代化.发挥内河水运优势.适应交通运输发展需要.制定本标准。 1.0.2 本标准适用于天然河流、渠化河流、湖泊、水库、运河和渠道等通航内河船舶的航道、船闸和过河建筑物的规划、设计和通航论证。升船机的规划和设计可参照执行。国际河流的航道.除与邻国有航运协定并在协定中对通航标准有明确规定者外.可参照执行。 1.0.3 内河航道通航海轮河段的规划和设计.除应符合本标准的有关规定外.桥梁的通航净空尺度尚应符合现行行业标准《通航海轮桥梁通航标准》(JTJ311)的有关规定.航道尺度和其他过河建筑物的通航净空尺度应通过论证确定。 1.0.4 内河航道、船闸和过河建筑物工程应按批准的航道等级进行规划和设计.通航尺度应通过综合技术经济比较.合理确定。不易扩建、改建的永久性工程和一次建成比较合理的工程.应按远期航道等级进行规划和设计。 1.0.5 内河航道、船闸和过河建筑物工程的规划、设计.除应符合本标准的规定外.尚应符合国家现行工程建设强制性标准的规定。 2 术语 2.0.1 航道尺度 channel dimensions 设计最低通航水位时航道的最小水深、宽度和弯曲半径的总称。 2.0.2 船闸有效尺度 useful dimensions of ship lock 船闸闸室有效长度、有效宽度和门槛最小水深的总称。 2.0.3 通航净空尺度 dimensions of navigation clearance 水上过河建筑物通航净高和净宽尺度的总称。 2.0.4 限制性航道 restricted channel 因水面狭窄、断面系 数 小而 对船舶航行有明显 限制作 用的航道。在本标准中主要指 运河、渠道和河网 地 区 的部 分 航道。 2.0.5 断面系 数 cross-section coefficient 设计最低通航水位时.过水断面面积 与设计通航船舶或 船队 设计吃 水时的舯 横剖 面浸 水面积 之 比值 。 2.0.6 代表 船型 typical ship type 为确定通航尺度.通过技术经济论证优选 确定的、设计载 重 量 可达 到 相 应吨 级的船型 。 2.0.7 代表 船队 typical fleet 为确定通航尺度.通过技术经济论证优选 确定的、由 代表 船型 的船舶组 成的船队 。 . . 2.0.8 船舶设计吃水 designed draft of ship 船舶处于设计载重量状态时的吃水。 3 航道 3.0.1 内河航道...

1、当您付费下载文档后,您只拥有了使用权限,并不意味着购买了版权,文档只能用于自身使用,不得用于其他商业用途(如 [转卖]进行直接盈利或[编辑后售卖]进行间接盈利)。
2、本站所有内容均由合作方或网友上传,本站不对文档的完整性、权威性及其观点立场正确性做任何保证或承诺!文档内容仅供研究参考,付费前请自行鉴别。
3、如文档内容存在违规,或者侵犯商业秘密、侵犯著作权等,请点击“违规举报”。

碎片内容

《内河通航标准》(GB50139_2004)

确认删除?
VIP
微信客服
  • 扫码咨询
会员Q群
  • 会员专属群点击这里加入QQ群
客服邮箱
回到顶部