电脑桌面
添加小米粒文库到电脑桌面
安装后可以在桌面快捷访问

《建设工程造价咨询规范》附录VIP免费

《建设工程造价咨询规范》附录_第1页
1/42
《建设工程造价咨询规范》附录_第2页
2/42
《建设工程造价咨询规范》附录_第3页
3/42
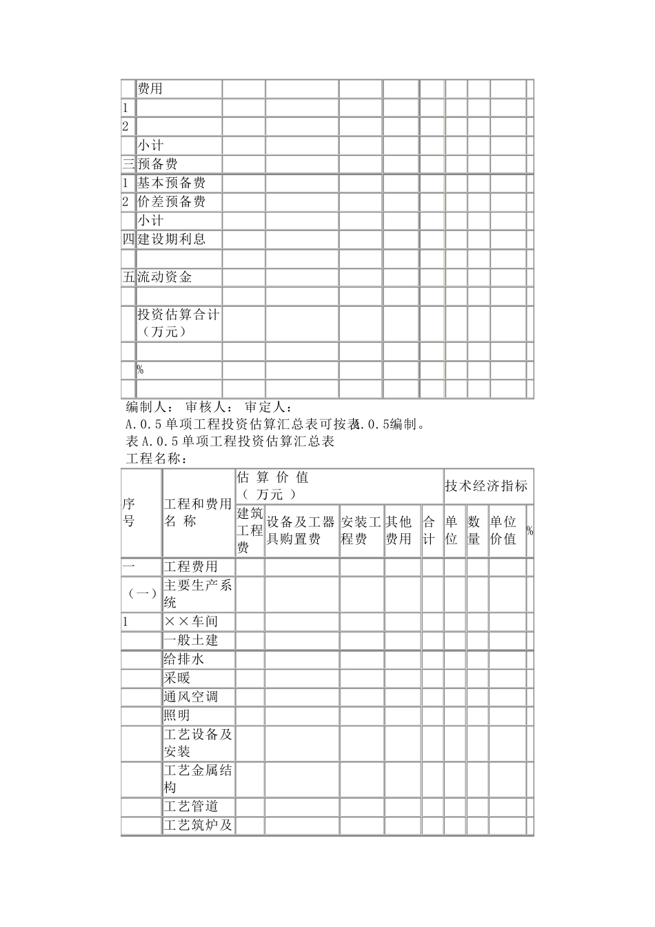
《建设工程造价咨询规范》 附录 附录A 投资估算成果文件格式 A.0.1 投资估算封面可按表A.0.1 编制。 表A.0.1 投资估算封面 (工程名称) 投 资 估 算 档案号: (编制单位名称) (工程造价咨询企业执业印章) 年 月 日 A.0.2 投资估算签署页可按表A.0.2 编制。 表A.0.2 投资估算签署页 (工程名称) 投 资 估 算 档案号: 编 制 人: (执业或从业印章) 审 核 人: (执业或从业印章) 审 定 人: (执业或从业印章) 法定代表人或其授权人: A.0.3 投资估算编制说明可按表A.0.3 编制。 表A.0.3 投资估算编制说明 编 制 说 明 1 工程概况 2 编制范围 3 编制方法 4 编制依据 5 主要技术经济指标; 6 有关参数、率值选定的说明 7 特殊问题的说明 A.0.4 投资估算汇总表可按表A.0.4 编制。 表A.0.4 投资估算汇总表 工程名称: 序 号 工 程 和 费 用 名 称 估算价值(万元) 技术经济指标 建筑工程费 设备及工器具购置费 安装工程费 其他费用 合 计 单位 数量 单位价值 % 一 工程费用 (一) 主要生产系统 1 2 (二) 辅助生产系统 1 2 (三) 公用及福利设施 1 2 (四) 外部工程 1 2 小计 A.0.4 投资估算汇总表可按表A.0.4 编制。 表A.0.4 投资估算汇总表 续 A.0.4 序 号 工 程 和 费 用 名 称 估 算 价 值 ( 万元 ) 技术经济指标 建筑工程费 设备及工器具购置费 安装工程费 其他费用 合 计 单位 数量 单位价值 % 二 工程建设其他 费用 1 2 小计 三 预备费 1 基本预备费 2 价差预备费 小计 四 建设期利息 五 流动资金 投资估算合计(万元) % 编制人: 审核人: 审定人: A.0.5 单项工程投资估算汇总表可按表A.0.5编制。 表A.0.5 单项工程投资估算汇总表 工程名称: 序 号 工程和费用 名 称 估 算 价 值 ( 万元 ) 技术经济指标 建筑 工程费 设备及工器具购置费 安装工程费 其他费用 合计 单位 数量 单位价值 % 一 工程费用 (一) 主要生产系统 1 ××车间 一般土建 给排水 采暖 通风空调 照明 工艺设备及安装 工艺金属结构 工艺管道 工艺筑炉及 保温 变配电设备及安装 仪表设备及安装 小计 2 3 编制人: 审核人: 审定人: 附录B 设计概算成果文件格式 B.0.1 设计概算封面可按表B.0.1 编制。 表B.0.1...

1、当您付费下载文档后,您只拥有了使用权限,并不意味着购买了版权,文档只能用于自身使用,不得用于其他商业用途(如 [转卖]进行直接盈利或[编辑后售卖]进行间接盈利)。
2、本站所有内容均由合作方或网友上传,本站不对文档的完整性、权威性及其观点立场正确性做任何保证或承诺!文档内容仅供研究参考,付费前请自行鉴别。
3、如文档内容存在违规,或者侵犯商业秘密、侵犯著作权等,请点击“违规举报”。

碎片内容

《建设工程造价咨询规范》附录

您可能关注的文档

确认删除?
VIP
微信客服
  • 扫码咨询
会员Q群
  • 会员专属群点击这里加入QQ群
客服邮箱
回到顶部