电脑桌面
添加小米粒文库到电脑桌面
安装后可以在桌面快捷访问

污水处理厂运营合同书

污水处理厂运营合同书_第1页
1/32
污水处理厂运营合同书_第2页
2/32
污水处理厂运营合同书_第3页
3/32
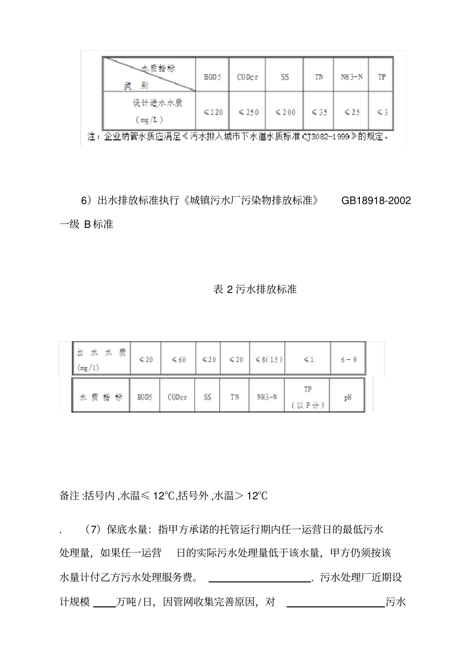
污水处理厂托管运营合同项目名称:甲方:乙方: 签订日期:签订地点:污水处理厂托管运营合同为提高污水处理厂运行效率,保护水资源环境,经沟通商谈,XXX 有限公 成为了污水处理厂(近期万吨/ 日)托管运营项目成交供应商。为明确双方在该项目中承担的权利、责任和义务,根据《中华人民共和国合同法》的有关规定,甲乙双方本着友好协商、诚实互信的原则,就污水处理厂托管运营事宜达成协议如下:一、定义和解释第一条定义(1)甲方:(2)乙方: XXX有限公司(3)签署日:指本协议签署之日(4)污水:指污水处理厂按本协议自管网收集系统所采集的工业生活污水。(5)进水水质标准表 1 进水水质标准6)出水排放标准执行《城镇污水厂污染物排放标准》GB18918-2002一级 B 标准表 2 污水排放标准备注 :括号内 ,水温≤ 12℃,括号外 ,水温> 12℃. (7)保底水量:指甲方承诺的托管运行期内任一运营日的最低污水处理量,如果任一运营日的实际污水处理量低于该水量,甲方仍须按该水量计付乙方污水处理服务费。. 污水处理厂近期设计规模万吨 /日,因管网收集完善原因,对污水处理厂近期按设计水量%计算,即本协议保底水量为万吨 /日。(8)实际日污水处理量:指每一运营日从流量计上读取的进水或出水水量。(9)实际月处理水量:每月的月初至月底双方从流量计上读取的进水或出水水量。(10)月处理水量:如果实际月处理水量的日均值大于保底水量,则月处理水量即为实际月处理水量;如果实际月处理水量的日均值小于保底水量,则月处理水量应为保底水量与本月运行天数的乘积。(11)污水处理服务费: 指甲方就乙方所运行的污水处理厂按本协议规定处理污水所应向乙方支付的费用。(12)污水处理厂:指乙方依据甲方委托所运行的污水处理厂,乙方拥有协议期内的生产运行权,该污水处理厂的固定资产所有权归甲方所有。(13)项目设施:指污水处理厂围墙内(含围墙)的全部实物资产。(14)项目或本项目:指由甲方与乙方签署本协议,授予乙方在托管运营期限内运行项目设施的独家权利,由乙方提供污水处理服务并收取污水处理服务费,在托管运营期满后将项目设施全部完全、无偿移交给甲方,并保证正常运行。(对于因生产需要,双方协调处理添置的设备仪器,按折旧法移交甲方,合理收取一定费用)(15)法律变更:指立法机关和政府部门颁布、修改、废除或重新解释的任何适用法律。(16)污泥:指在污水处理过程中产生的泥类物质。(17)日常检测...

1、当您付费下载文档后,您只拥有了使用权限,并不意味着购买了版权,文档只能用于自身使用,不得用于其他商业用途(如 [转卖]进行直接盈利或[编辑后售卖]进行间接盈利)。
2、本站所有内容均由合作方或网友上传,本站不对文档的完整性、权威性及其观点立场正确性做任何保证或承诺!文档内容仅供研究参考,付费前请自行鉴别。
3、如文档内容存在违规,或者侵犯商业秘密、侵犯著作权等,请点击“违规举报”。

碎片内容

污水处理厂运营合同书

您可能关注的文档

确认删除?
VIP
微信客服
  • 扫码咨询
会员Q群
  • 会员专属群点击这里加入QQ群
客服邮箱
回到顶部