电脑桌面
添加小米粒文库到电脑桌面
安装后可以在桌面快捷访问

污水管隐蔽工程检查验收记录文本

污水管隐蔽工程检查验收记录文本_第1页
1/7
污水管隐蔽工程检查验收记录文本_第2页
2/7
污水管隐蔽工程检查验收记录文本_第3页
3/7
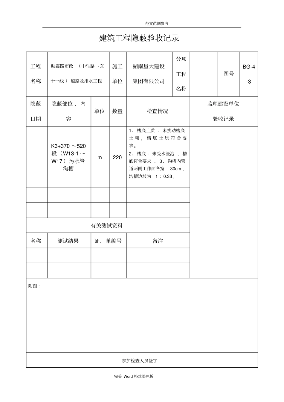
范文范例参考完美 Word 格式整理版建筑工程隐蔽验收记录工程名称映霞路市政 (中轴路 ~东十一线 ) 道路及排水工程施工单位湖南星大建设集团有限公司分项工程名称图号BG-4-3 隐蔽日期隐蔽部位 、内容单位数量检查情况监理建设单位验收记录K3+370 ~520段(W13-1 ~W17 )污水管沟槽m 220 1、槽底土质 : 未扰动槽底土 壤 , 槽 底 土 质 符 合 要求。2、槽底 :未受水浸泡 ,槽底符合要求 。3、沟槽内管道两侧工作面各宽30cm ,沟槽边坡为1︰0.33。有关测试资料名称测试结果证、单编号备注附图 :参加检查人员签字范文范例参考完美 Word 格式整理版施工单位监理单位建设单位项目技术负责人 :监理工程师 :现场代表 :建筑工程隐蔽验收记录工程名称映霞路市政 (中轴路 ~东十一线 ) 道路及排水工程施工单位湖南星大建设集团有限公司分项工程名称图号BG-4-3 隐蔽日期隐蔽部位 、内容单位数量检查情况监理建设单位验收记录K3+370 ~520段(W13-1 ~W17 )污水管沟槽m 220 1、管道沟槽 : 全过程中未浸泡水 , 管道沟槽符合要求。2、管道基础砂垫层:管 道 基 础 砂 垫 层 密 实 平整,符合要求 。有关测试资料名称测试结果证、单编号备注范文范例参考完美 Word 格式整理版附图 :参加检查人员签字施工单位监理单位建设单位项目技术负责人 :监理工程师 :现场代表 :建筑工程隐蔽验收记录工程名称映霞路市政 (中轴路 ~东十一线 ) 道路及排水工程施工单位湖南星大建设集团有限公司分项工程名称图号BG-4-3 隐蔽日期隐蔽部位 、内容单位数量检查情况监理建设单位验收记录K3+370 ~520段(W13-1 ~W17 )污水管沟槽m 220 1 、管道安装前:a、 管材类型 、 规格符合要求,有产品合格证 ;b 、管材无破损 、 裂缝及明显缺陷,符合要求 ; c、接口用的管套与管材规格配套, 有产品合格证 , 符合要求 。2、下管安装 : 槽内无积水, 下管安装符合要求。3、管道安装完毕:按规定进行高范文范例参考完美 Word 格式整理版程复测和外观检查, 符合要求 。有关测试资料名称测试结果证、单编号备注附图 :参加检查人员签字施工单位监理单位建设单位项目技术负责人 :监理工程师 :现场代表 :建筑工程隐蔽验收记录工程名称映霞路市政 (中轴路 ~东十一线 ) 道路及排水工程施工单位湖南星大建设集团有限公司分项工程名称图号BG-4-3 隐蔽隐蔽部位 ...

1、当您付费下载文档后,您只拥有了使用权限,并不意味着购买了版权,文档只能用于自身使用,不得用于其他商业用途(如 [转卖]进行直接盈利或[编辑后售卖]进行间接盈利)。
2、本站所有内容均由合作方或网友上传,本站不对文档的完整性、权威性及其观点立场正确性做任何保证或承诺!文档内容仅供研究参考,付费前请自行鉴别。
3、如文档内容存在违规,或者侵犯商业秘密、侵犯著作权等,请点击“违规举报”。

碎片内容

污水管隐蔽工程检查验收记录文本

您可能关注的文档

确认删除?
VIP
微信客服
  • 扫码咨询
会员Q群
  • 会员专属群点击这里加入QQ群
客服邮箱
回到顶部