电脑桌面
添加小米粒文库到电脑桌面
安装后可以在桌面快捷访问

汽车构造考试复习内容汇总

汽车构造考试复习内容汇总_第1页
1/6
汽车构造考试复习内容汇总_第2页
2/6
汽车构造考试复习内容汇总_第3页
3/6
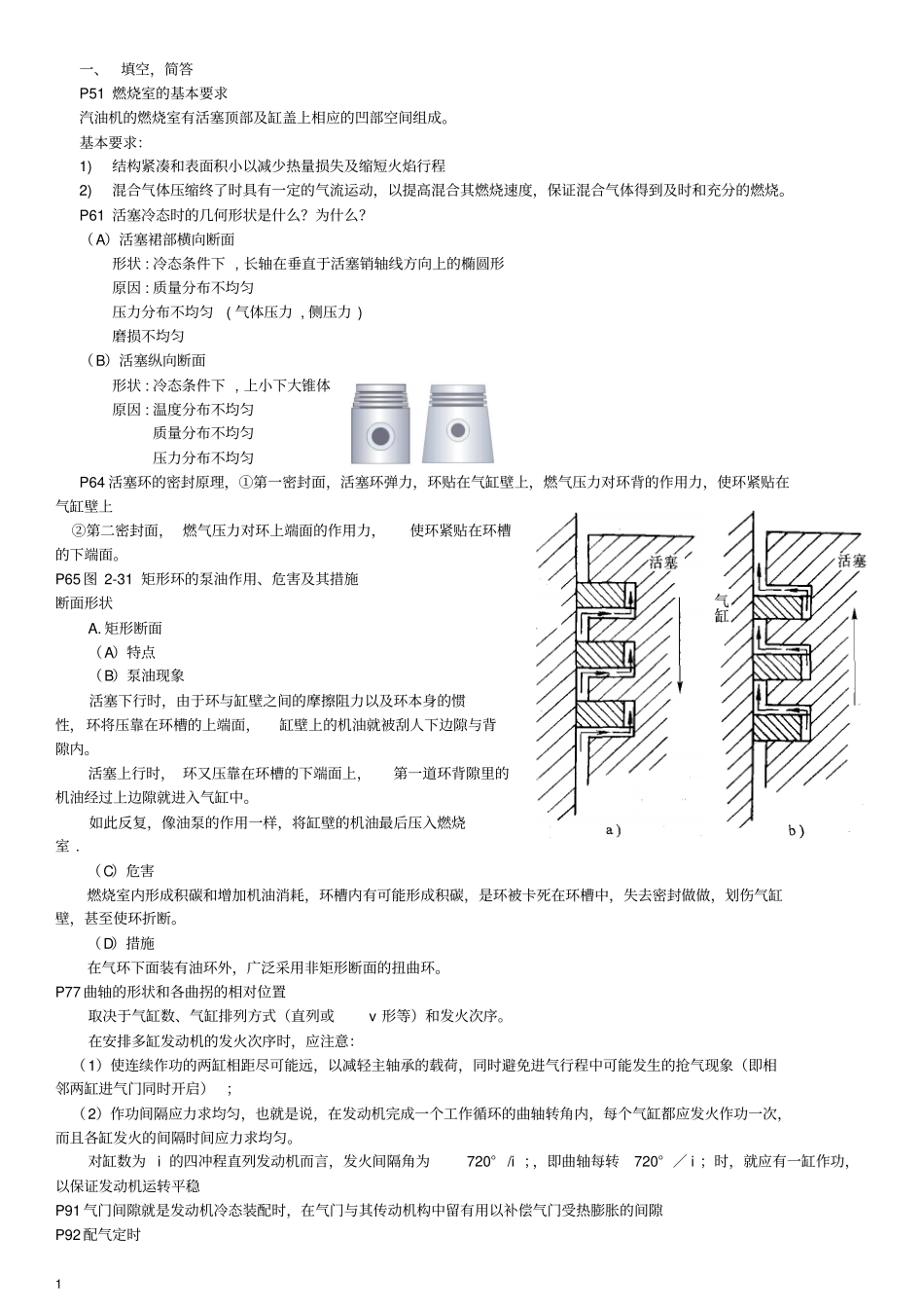
1 一、填空,简答P51 燃烧室的基本要求汽油机的燃烧室有活塞顶部及缸盖上相应的凹部空间组成。基本要求:1)结构紧凑和表面积小以减少热量损失及缩短火焰行程2)混合气体压缩终了时具有一定的气流运动,以提高混合其燃烧速度,保证混合气体得到及时和充分的燃烧。P61 活塞冷态时的几何形状是什么?为什么?(A)活塞裙部横向断面形状 : 冷态条件下 , 长轴在垂直于活塞销轴线方向上的椭圆形原因 : 质量分布不均匀压力分布不均匀( 气体压力 , 侧压力 ) 磨损不均匀(B)活塞纵向断面形状 : 冷态条件下 , 上小下大锥体原因 : 温度分布不均匀质量分布不均匀压力分布不均匀P64 活塞环的密封原理,①第一密封面,活塞环弹力,环贴在气缸壁上,燃气压力对环背的作用力,使环紧贴在气缸壁上②第二密封面, 燃气压力对环上端面的作用力,使环紧贴在环槽的下端面。P65 图 2-31 矩形环的泵油作用、危害及其措施断面形状A. 矩形断面(A)特点(B)泵油现象活塞下行时,由于环与缸壁之间的摩擦阻力以及环本身的惯性,环将压靠在环槽的上端面,缸壁上的机油就被刮人下边隙与背隙内。活塞上行时, 环又压靠在环槽的下端面上,第一道环背隙里的机油经过上边隙就进入气缸中。如此反复,像油泵的作用一样,将缸壁的机油最后压入燃烧室 . (C)危害燃烧室内形成积碳和增加机油消耗,环槽内有可能形成积碳,是环被卡死在环槽中,失去密封做做,划伤气缸壁,甚至使环折断。(D)措施在气环下面装有油环外,广泛采用非矩形断面的扭曲环。P77 曲轴的形状和各曲拐的相对位置取决于气缸数、气缸排列方式(直列或v 形等)和发火次序。在安排多缸发动机的发火次序时,应注意:(1)使连续作功的两缸相距尽可能远,以减轻主轴承的载荷,同时避免进气行程中可能发生的抢气现象(即相邻两缸进气门同时开启) ;(2)作功间隔应力求均匀,也就是说,在发动机完成一个工作循环的曲轴转角内,每个气缸都应发火作功一次,而且各缸发火的间隔时间应力求均匀。对缸数为 i 的四冲程直列发动机而言,发火间隔角为720° /i ;,即曲轴每转720° / i ;时,就应有一缸作功,以保证发动机运转平稳P91 气门间隙就是发动机冷态装配时,在气门与其传动机构中留有用以补偿气门受热膨胀的间隙P92 配气定时2 1. 原则采用延长进、 排气时间方法 : 气门的开启和关闭时刻并不正好在上止点和下止点时刻,而是分别提前和延迟一定的曲轴转角,以改善进、排气...

1、当您付费下载文档后,您只拥有了使用权限,并不意味着购买了版权,文档只能用于自身使用,不得用于其他商业用途(如 [转卖]进行直接盈利或[编辑后售卖]进行间接盈利)。
2、本站所有内容均由合作方或网友上传,本站不对文档的完整性、权威性及其观点立场正确性做任何保证或承诺!文档内容仅供研究参考,付费前请自行鉴别。
3、如文档内容存在违规,或者侵犯商业秘密、侵犯著作权等,请点击“违规举报”。

碎片内容

汽车构造考试复习内容汇总

您可能关注的文档

确认删除?
VIP
微信客服
  • 扫码咨询
会员Q群
  • 会员专属群点击这里加入QQ群
客服邮箱
回到顶部