电脑桌面
添加小米粒文库到电脑桌面
安装后可以在桌面快捷访问

汽车运用与维修实训基地项目设备需求及技术规格要求一

汽车运用与维修实训基地项目设备需求及技术规格要求一_第1页
1/15
汽车运用与维修实训基地项目设备需求及技术规格要求一_第2页
2/15
汽车运用与维修实训基地项目设备需求及技术规格要求一_第3页
3/15
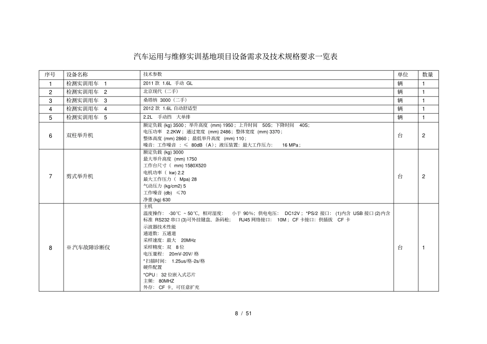
8 / 51 汽车运用与维修实训基地项目设备需求及技术规格要求一览表序号设备名称技术参数单位数量1 检测实训用车1 2011 款 1.6L 手动 GL 辆1 2 检测实训用车2 北京现代(二手)辆1 3 检测实训用车3 桑塔纳 3000(二手)辆1 4 检测实训用车4 2012 款 1.6L 自动舒适型辆1 5 检测实训用车5 2.2L 手动挡大单排辆1 6 双柱举升机额定负载 (kg) 3500 ;举升高度 (mm) 1950 ;上升时间50S;下降时间40S;电压功率2.2KW ;通过宽度 (mm) 2486;整体宽度 (mm) 3370;整体高度 (mm) 2860 ;最低举升高度 (mm) 110;噪音:工作噪音 : ≤ 80dB(A);液压装置:最大工作压力:16 MPa;台2 7 剪式举升机额定负载 (kg) 3000 最大举升高度 (mm) 1750 工作台尺寸( mm) 1580X520 电机功率( kw) 2.2 最大工作压力( Mpa) 28 气动压力 (kg/cm2) 5 工作噪音 (db) ≤70净重 (kg) 630 台2 8 ※汽车故障诊断仪主机温度操作: -30℃ ~ 50℃,相对湿度:小于 90%;供电电压: DC12V ;*PS/2 接口: (1)内含 USB 接口 (2)内含标准 RS232 串口 (3)可外挂键盘、条码枪;RJ45 网络接口: 10M ;CF 卡接口:供插拔CF 卡示波器技术性能通道数:五通道采样速度:最大20MHz 采样精度:双8 位电压量程: 20mV-20V/ 格*扫描时间: 1.25us/格-2s/格硬件配置*CPU : 32 位嵌入式芯片主频: 80MHZ 外存: CF 卡,可任意扩充台1 9 / 51 *显示器: 6.4" LCD 触摸真彩屏打印机:热敏式微型打印机电池:示波器内置可充电锂电池*2012 年全国职业院校技能大赛汽车运用与维修技能大赛汽车维修基本技能比赛指定设备*为实质性响应参数。*提供生产厂家针对本项目的专项授权书9 ※发动机综合分析仪*国内首次真正的实现了次级点火波形的实时显示,基于32 位主控 CPU+ 高速数字处理芯片,保证在高达20MHZ 采样频率的情况下仍能实时的处理信号。高速五通道汽车专用示波器,并可以进行参考波形存储汽车初级、次级点火波形分析;有纵列,三维,阵列,单缸,等多种次级波形显示方式,并显示点火击穿电压、闭合角,燃烧时间等。精确的点火同步,自动检测点火信号极性,无论是分电器点火,独立点火,双头点火都能可靠检测;燃油喷射功能;通用示波器功能;记录仪功能;电流/电压表功能;电流/电压波形显示;真空压力测试功能; 柴油发动机轨压测试功能;无负载测功功能及无负载测...

1、当您付费下载文档后,您只拥有了使用权限,并不意味着购买了版权,文档只能用于自身使用,不得用于其他商业用途(如 [转卖]进行直接盈利或[编辑后售卖]进行间接盈利)。
2、本站所有内容均由合作方或网友上传,本站不对文档的完整性、权威性及其观点立场正确性做任何保证或承诺!文档内容仅供研究参考,付费前请自行鉴别。
3、如文档内容存在违规,或者侵犯商业秘密、侵犯著作权等,请点击“违规举报”。

碎片内容

汽车运用与维修实训基地项目设备需求及技术规格要求一

您可能关注的文档

确认删除?
VIP
微信客服
  • 扫码咨询
会员Q群
  • 会员专属群点击这里加入QQ群
客服邮箱
回到顶部