电脑桌面
添加小米粒文库到电脑桌面
安装后可以在桌面快捷访问

沥青沥青混合料技术参数

沥青沥青混合料技术参数_第1页
1/8
沥青沥青混合料技术参数_第2页
2/8
沥青沥青混合料技术参数_第3页
3/8
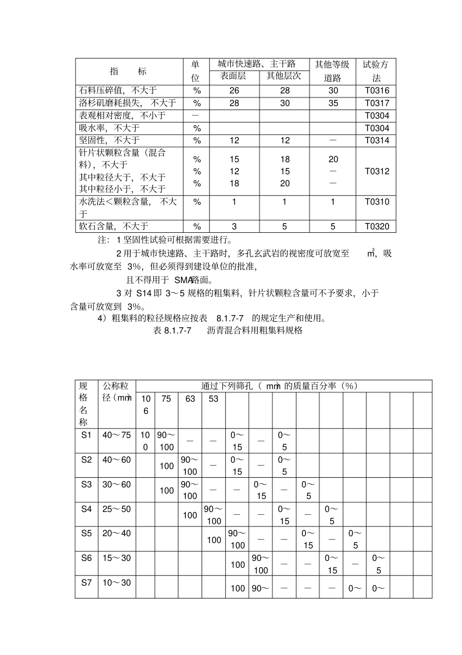
指标单位城市快速路、主干路其他等级道路试验方法表面层其他层次石料压碎值,不大于%262830T0316洛杉矶磨耗损失, 不大于%283035T0317表观相对密度,不小于-T0304吸水率,不大于%T0304坚固性,不大于%1212-T0314针片状颗粒含量(混合料),不大于其中粒径大于,不大于其中粒径小于,不大于%%%15121818152020--T0312水洗法<颗粒含量, 不大于%111T0310软石含量,不大于%355T0320注: 1 坚固性试验可根据需要进行。2 用于城市快速路、主干路时,多孔玄武岩的视密度可放宽至m3,吸水率可放宽至 3%,但必须得到建设单位的批准,且不得用于 SMA路面。3 对 S14 即 3~5 规格的粗集料,针片状颗粒含量可不予要求,小于含量可放宽到 3%。4)粗集料的粒径规格应按表8.1.7-7的规定生产和使用。表 8.1.7-7 沥青混合料用粗集料规格规格名称公称粒径(mm)通过下列筛孔( mm)的质量百分率(%)106756353S140~7510090~100--0~15-0~5S240~60100 90~100-0~15-0~5S330~60100 90~100--0~15-0~5S425~50100 90~100--0~15-0~5S520~40100 90~100--0~15-0~5S615~30100 90~100--0~15-0~5S710~30100 90~---0~0~100155S810~25100 90~100-0~15-0~5S910~20100 90~100-0~150~5S1010~15100 90~1000~150~5S115~15100 90~10040~700~150~5S125~10100 90~1000~150~5S133~10100 90~10040~700~200~5S143~5100 90~1000~150~33细集料应符合下列要求:1)含泥量,对城市快速路、主干路不得大于3%;对次干路及其以下道路不得大于 5%。2)与沥青的粘附性小于4 级的砂,不得用于城市快速路和主干路。3)细集料的质量要求应符合表8.1.7-8的规定。表 8.1.7-8 细集料质量要求项目单位城市快速路、主干路其他等级道路试验方法表现相对密度,不小于-T0328坚固性(>部分),不小于%12-T0340含泥量(小于的含量) ,不大于%35T0333砂当量,不小于%6050T0334亚甲蓝值,不大于g/kg25-T0346棱角性(流动时间),不小于S30-T0345注:坚固性试验可根据需要进行。4)沥青混合料用天然砂规格见表8.1.7-9 。表 8.1.7-9 沥青混合料用天然砂规格筛孔尺寸(mm)通过各孔筛的质量百分率(%)粗砂中砂细砂10010010090~10090~10090~10065~9575~9085~10035~6550~9075~10015~3030~6060~845~208~3015~450~100~100~100~50~50~55)沥青混合料用机制砂...

1、当您付费下载文档后,您只拥有了使用权限,并不意味着购买了版权,文档只能用于自身使用,不得用于其他商业用途(如 [转卖]进行直接盈利或[编辑后售卖]进行间接盈利)。
2、本站所有内容均由合作方或网友上传,本站不对文档的完整性、权威性及其观点立场正确性做任何保证或承诺!文档内容仅供研究参考,付费前请自行鉴别。
3、如文档内容存在违规,或者侵犯商业秘密、侵犯著作权等,请点击“违规举报”。

碎片内容

沥青沥青混合料技术参数

您可能关注的文档

文库响当当+ 关注
实名认证
内容提供者

该用户很懒,什么也没介绍

确认删除?
VIP
微信客服
  • 扫码咨询
会员Q群
  • 会员专属群点击这里加入QQ群
客服邮箱
回到顶部