电脑桌面
添加小米粒文库到电脑桌面
安装后可以在桌面快捷访问

河北安全文明工地安全管理检查表

河北安全文明工地安全管理检查表_第1页
1/8
河北安全文明工地安全管理检查表_第2页
2/8
河北安全文明工地安全管理检查表_第3页
3/8
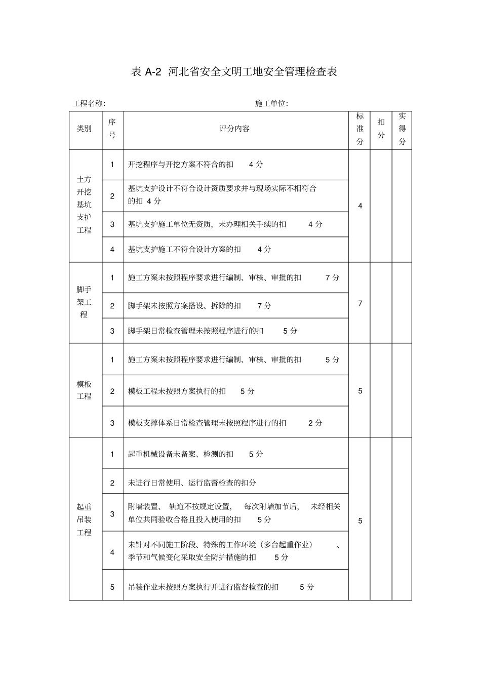
表 A-1 河北省安全文明工地检查汇总表企业名称:资质等级:监理单位:工程名称建筑面积结构形式总计得分(100 分)安全管理(40 分)文明施工(25 分)综合治理(15 分)资料管理( 10 分)建设单位、监理单位(10 分)评语:检查单位负责人项目经理总监理工程师注:河北省安全文明工地检查表评分计算方法:1 汇总表满分为 100 分。各分项检查表在汇总表中所占的满分分值分别为:安全管理40 分、文明施工 25 分、综合治理 15 分、资料管理 10 分、建设单位、监理单位10 分。在汇总表中各分项项目实得分数应按下式计算:各分项项目实得分数 =(汇总表中该项应得满分分值* 该项检查评分表实得分数) /100 汇总表总得分应为表中各分项项目实得分数之和。2 检查中遇有缺项时,汇总表总得分应按下列换算:遇有缺项时汇总表总得分=(实查项目在汇总表中按各对应的实得分值之和 /实查项目在汇总表中应得满分的分值之和)*100 3 汇总表总得分为 85 分及以上的方可评定为河北省安全文明工地。单位分项有一项为零的,可不评定。表 A-2 河北省安全文明工地安全管理检查表工程名称:施工单位:类别序号评分内容标准分扣分实得分土方开挖基坑支护工程1 开挖程序与开挖方案不符合的扣4 分4 2 基坑支护设计不符合设计资质要求并与现场实际不相符合的扣 4 分3 基坑支护施工单位无资质,未办理相关手续的扣4 分4 基坑支护施工不符合设计方案的扣4 分脚手架工程1 施工方案未按照程序要求进行编制、审核、审批的扣7 分7 2 脚手架未按照方案搭设、拆除的扣7 分3 脚手架日常检查管理未按照程序进行的扣5 分模板工程1 施工方案未按照程序要求进行编制、审核、审批的扣5 分5 2 模板工程未按照方案执行的扣5 分3 模板支撑体系日常检查管理未按照程序进行的扣2 分起重吊装工程1 起重机械设备未备案、检测的扣5 分5 2 未进行日常使用、运行监督检查的扣分3 附墙装置、 轨道不按规定设置,每次附墙加节后, 未经相关单位共同验收合格且投入使用的扣5 分4 未针对不同施工阶段、特殊的工作环境(多台起重作业)、季节和气候变化采取安全防护措施的扣5 分5 吊装作业未按照方案执行并进行监督检查的扣5 分续表 A-2类别序号评 分 内 容标准分扣分实得分高处作业洞口临边防护1 高处作业未有防护措施的扣5 分5 2 操作平台(移动平台)不符合要求的扣分3 洞口防护不符合要求的扣分4 临边防护不符合要求...

1、当您付费下载文档后,您只拥有了使用权限,并不意味着购买了版权,文档只能用于自身使用,不得用于其他商业用途(如 [转卖]进行直接盈利或[编辑后售卖]进行间接盈利)。
2、本站所有内容均由合作方或网友上传,本站不对文档的完整性、权威性及其观点立场正确性做任何保证或承诺!文档内容仅供研究参考,付费前请自行鉴别。
3、如文档内容存在违规,或者侵犯商业秘密、侵犯著作权等,请点击“违规举报”。

碎片内容

河北安全文明工地安全管理检查表

您可能关注的文档

确认删除?
VIP
微信客服
  • 扫码咨询
会员Q群
  • 会员专属群点击这里加入QQ群
客服邮箱
回到顶部