电脑桌面
添加小米粒文库到电脑桌面
安装后可以在桌面快捷访问

河北建筑施工现场安全生产管理标准手册

河北建筑施工现场安全生产管理标准手册_第1页
1/5
河北建筑施工现场安全生产管理标准手册_第2页
2/5
河北建筑施工现场安全生产管理标准手册_第3页
3/5
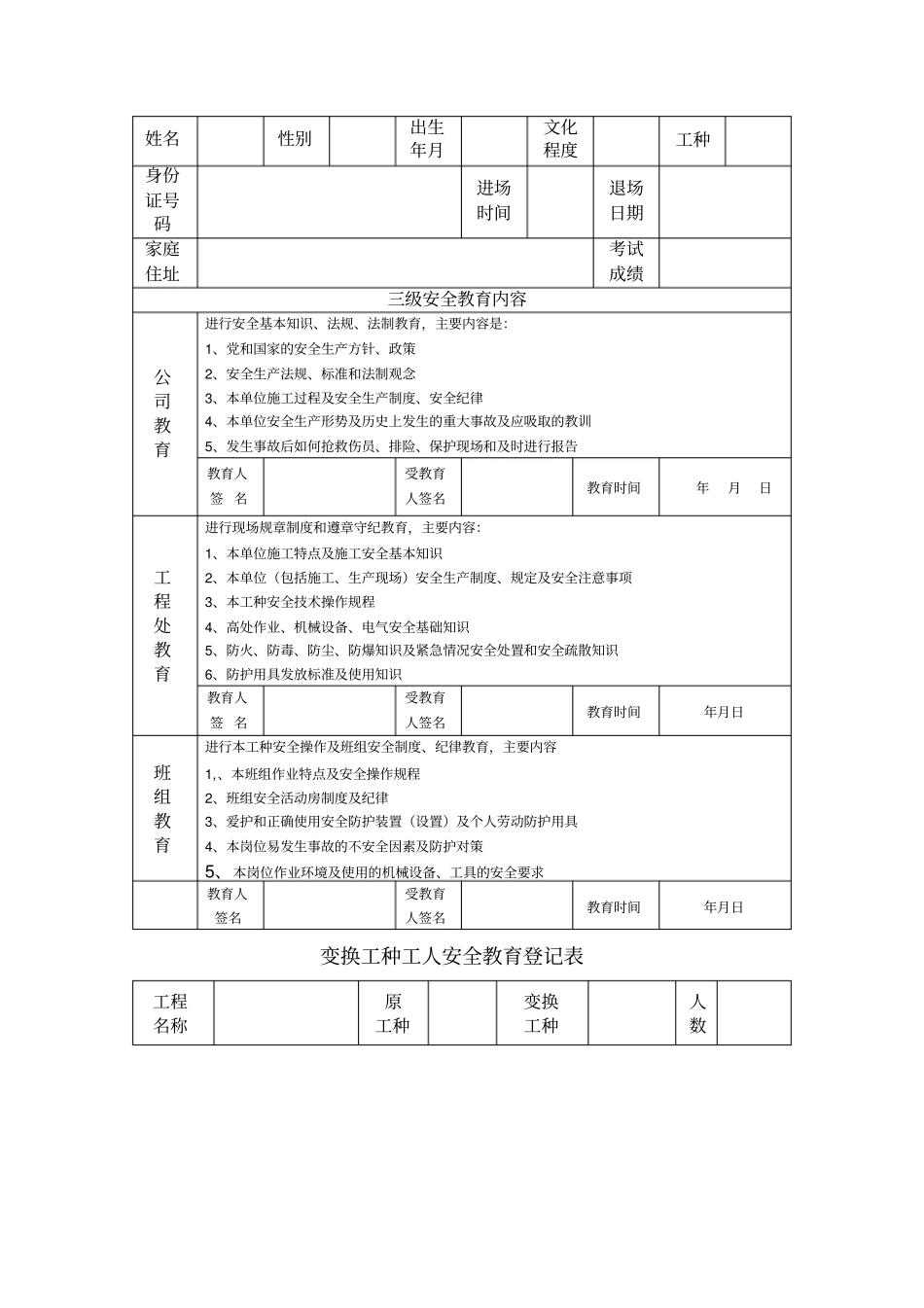
河 北 省 建 筑 施 工 现 场 安 全 生 产 管 理 标 准 手 册施工现场必备安全资料:(1) 施工企业的安全生产许可证复印件:企业法人、企业经理、生产经理、安全处长、项目经理、项目部专职安全员等安全管理人员的考核合格证复印件。(2) 企业的安全管理规章制度和各工种安全技术操作规程和各工种安全技术操作规程。(3) 职工伤亡事故月报表,工伤事故登记表、发生工伤事故之后的一些相关记录、事故事件统计台账、工伤事故报告、工伤事故档案、工伤事故处理记录。(4) 办理意外伤害保险有关数据。(5) 现场安全生产投入台账及购物单据复印件。(6) 安全生产教育培训:职工年度培训计划、接受培训人员名单、培训台账及培训记录;对新进场从业人员的三级安全教育卡、教育内容的记录、分工种进行的考试试卷。(7) 特种作业人员名单、特种作业操作证或IC 卡的复印件。(8) 施工组织设计、专项施工方案、专项论证审查的方案和论证审查报告、安全标志平面图、排水平面图。(9) 施工现场重大危险原清单。(10 ) 安全检查记录、事故隐患整改通知单。(11 ) 现场临时用电组织设计、安全技术交底、验收记录、接地电阻测试记录、漏电保护器测试记录、电工巡视记录。(12 ) “三宝”“四口”防护:安全帽、安全带、安全网、安全网合格证、检测报告、方案、安全技术交底、验收记录。(13 ) 基坑支护施工方案、安全技术交底、验收记录、监测或观测记录。(14 ) 脚手架施工方案、搭设安全技术交底、验收记录、拆除安全技术交底。(15 ) 模板工程的施工方案、支设的安全技术交底、模板验收记录、混凝土强度报告、模板拆除的安全技术交底,(16 ) 搭设起重机的专项施工方案、安装的安全技术交底、验收记录、拆除的安全技术交底。(17 ) 施工机具的安全技术交底、验收记录、维修记录。(18 ) 起重吊装施工方案、安全技术交底、验收记录。(19 ) 物料提升机施工方案、安全技术交底、验收记录。(20 ) 外用电梯安装方案、安全技术交底、验收记录、检测记录、拆除安全技术交底。(21 ) 现场应急救援预案、应急演练记录、应急情况处理记录。(22 ) 劳保用品的采购计划、发放台账、合格证、检测报告或检测记录。(23 ) 违章处理记录:是根据企业或本项目的安全生产奖罚制度,对遵章守纪人员和违章人员进行奖罚的记录,并应将票据复印件附后。(24 ) 动火审批手续。(25 ) 主管部门及...

1、当您付费下载文档后,您只拥有了使用权限,并不意味着购买了版权,文档只能用于自身使用,不得用于其他商业用途(如 [转卖]进行直接盈利或[编辑后售卖]进行间接盈利)。
2、本站所有内容均由合作方或网友上传,本站不对文档的完整性、权威性及其观点立场正确性做任何保证或承诺!文档内容仅供研究参考,付费前请自行鉴别。
3、如文档内容存在违规,或者侵犯商业秘密、侵犯著作权等,请点击“违规举报”。

碎片内容

河北建筑施工现场安全生产管理标准手册

您可能关注的文档

确认删除?
VIP
微信客服
  • 扫码咨询
会员Q群
  • 会员专属群点击这里加入QQ群
客服邮箱
回到顶部