电脑桌面
添加小米粒文库到电脑桌面
安装后可以在桌面快捷访问

中央空调施工验收表格

中央空调施工验收表格_第1页
1/27
中央空调施工验收表格_第2页
2/27
中央空调施工验收表格_第3页
3/27
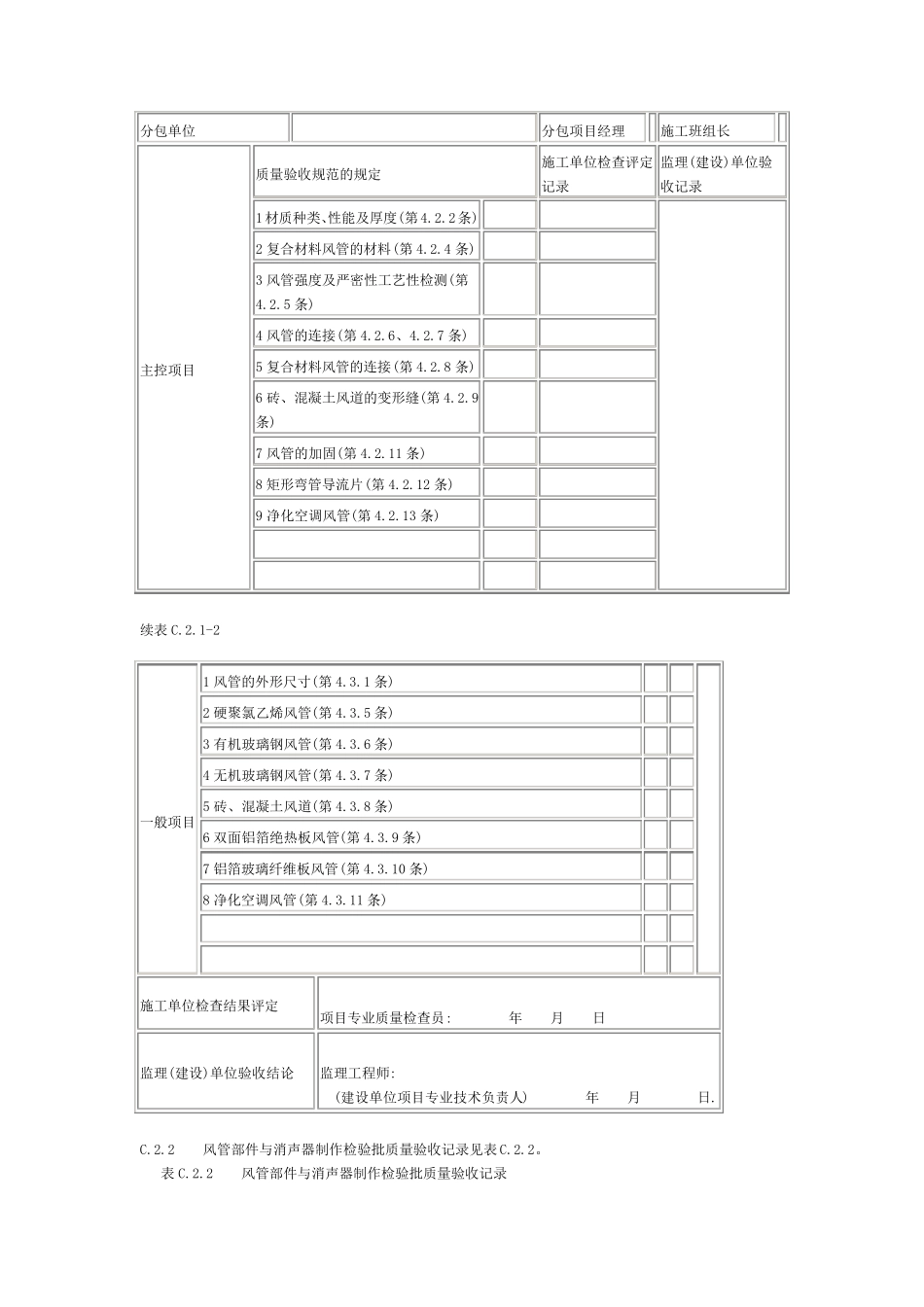
C.2 通风与空调工程施工质量检验批质量验收记录 C.2.1 风管与配件制作检验批质量验收记录见表C.2.1-1、C.2.1-2。 表C.2.1-l 风管与配件制作检验批质量验收记录 (金属风管) 工程名称 分部工程名称 验收部位 施工单位 专业工长 项目经理 施工执行标准名称及编号 分包单位 分包项目经理 施工班组长 主控项目 质量验收规范的规定 施工单位检查评定记录 监理(建设)单位验收记录 1材质种类、性能及厚度(第4.2.1条) 2 防火风管(第 4.2.3 条) 3 风管强度及严密性工艺性检测(第4.2.5 条) 4 风管的连接(第 4.2.6 条) 5 风管的加固(第 4.2.10 条) 6 矩形弯管导流片(第 4.2.12 条) 7 净化空调风管(第 4.2.13 条) 续表C.2.1-1 一般项目 1 圆形弯管制作(第4.3.1-1条) 2 风管的外形尺寸(第4.3.1-2,3条) 3 焊接风管(第4.3.1-4条) 4 法兰风管制作(第 4.3.2 条) 5 铝板或不锈钢板风管(第4.3.2-4条) 6 无法兰矩形风管制作(第4.3.3 条) 7 无法兰圆形风管制作(第4.3.3 条) 8 风管的加固(第4.3.4 条) 9 净化空调风管(第4.3.11条) 施工单位检查结果评定 项目专业质量检查员: 年 月 日 监理(建设)单位验收结论 监理工程师; (建设单位项目专业技术负责人) 年 月 日 表C.2.1-2 风管与配件制作检验批质量验收记录 (非金属、复合材料风管) 工程名称 分部工程名称 验收部位 施工单位 专业工长 项目经理 施工执行标准名称及编号 分包单位 分包项目经理 施工班组长 主控项目 质量验收规范的规定 施工单位检查评定记录 监理(建设)单位验收记录 1 材质种类、性能及厚度(第4.2.2 条) 2 复合材料风管的材料(第 4.2.4 条) 3 风管强度及严密性工艺性检测(第4.2.5 条) 4 风管的连接(第 4.2.6、4.2.7 条) 5 复合材料风管的连接(第 4.2.8 条) 6 砖、混凝土风道的变形缝(第 4.2.9条) 7 风管的加固(第 4.2.11 条) 8 矩形弯管导流片(第 4.2.12 条) 9 净化空调风管(第 4.2.13 条) 续表 C.2.1-2 一般项目 1 风管的外形尺寸(第 4.3.1 条) 2 硬聚氯乙烯风管(第 4.3.5 条) 3 有机玻璃钢风管(第 4.3.6 条) 4 无机玻璃钢风管(第 4.3.7 条) 5 砖、混凝土风道(第 4.3.8 条) 6 双面铝箔绝热板风管(第 4.3.9 条) 7 铝箔玻璃纤维板风管(第 4.3.10 条) 8 净化空调风管(第 4.3.11 条) 施工单位检查结果评定 项目专业质量检查员: ...

1、当您付费下载文档后,您只拥有了使用权限,并不意味着购买了版权,文档只能用于自身使用,不得用于其他商业用途(如 [转卖]进行直接盈利或[编辑后售卖]进行间接盈利)。
2、本站所有内容均由合作方或网友上传,本站不对文档的完整性、权威性及其观点立场正确性做任何保证或承诺!文档内容仅供研究参考,付费前请自行鉴别。
3、如文档内容存在违规,或者侵犯商业秘密、侵犯著作权等,请点击“违规举报”。

碎片内容

中央空调施工验收表格

您可能关注的文档

确认删除?
VIP
微信客服
  • 扫码咨询
会员Q群
  • 会员专属群点击这里加入QQ群
客服邮箱
回到顶部