电脑桌面
添加小米粒文库到电脑桌面
安装后可以在桌面快捷访问

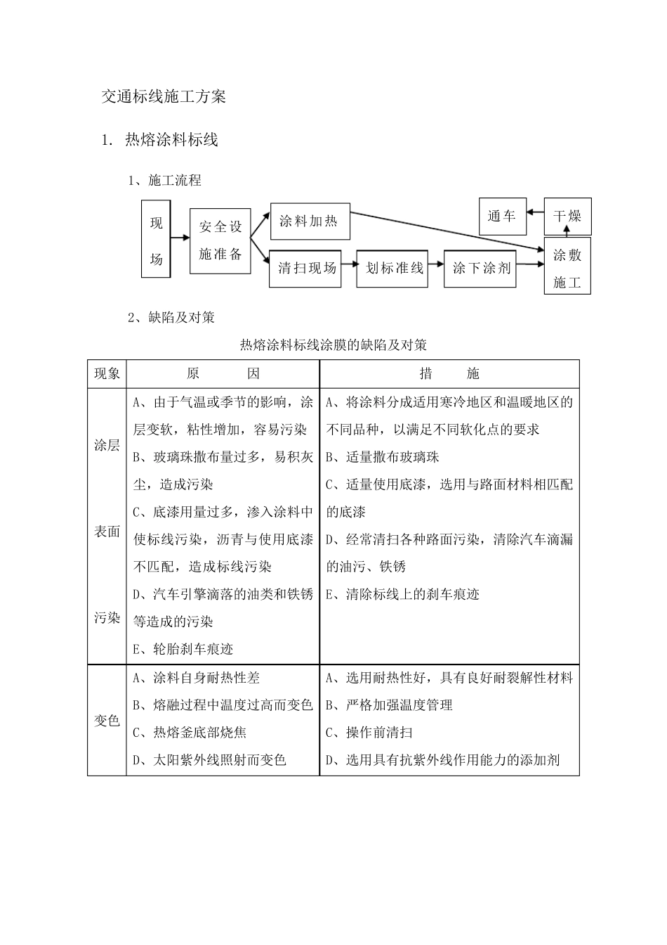
交通标线施工方案

交通标线施工方案_第1页
1/6
交通标线施工方案_第2页
2/6
交通标线施工方案_第3页
3/6
交通标线施工方案 1. 热熔涂料标线 1、施工流程 2、缺陷及对策 热熔涂料标线涂膜的缺陷及对策 现象 原 因 措 施 涂层 表面 污染 A、由于气温或季节的影响,涂层变软,粘性增加,容易污染 B、玻璃珠撒布量过多,易积灰尘,造成污染 C、底漆用量过多,渗入涂料中使标线污染,沥青与使用底漆不匹配,造成标线污染 D、汽车引擎滴落的油类和铁锈等造成的污染 E、轮胎刹车痕迹 A、将涂料分成适用寒冷地区和温暖地区的不同品种,以满足不同软化点的要求 B、适量撒布玻璃珠 C、适量使用底漆,选用与路面材料相匹配的底漆 D、经常清扫各种路面污染,清除汽车滴漏的油污、铁锈 E、清除标线上的刹车痕迹 变色 A、涂料自身耐热性差 B、熔融过程中温度过高而变色 C、热熔釜底部烧焦 D、太阳紫外线照射而变色 A、选用耐热性好,具有良好耐裂解性材料 B、严格加强温度管理 C、操作前清扫 D、选用具有抗紫外线作用能力的添加剂 现场 安 全 设施准 备 涂料加热 清扫现场 划 标准 线 涂下 涂剂 涂敷施工 干 燥 通车 夜 间 反 射 光 效 果 不 良 A、 风 大 玻 璃 珠 被 吹 散 ; 撒 布 机摇 晃 倾 斜 , 撒 落 不 均 匀 B、 玻 璃 珠 成 圆 率 低 ; 杂 质 太 多 ;透 明 度 低 C、 剥 落 的 旧 标 线 上 重 涂 反 光 效果 不 佳 D、 凹 凸 不 平 的 路 面 反 光 不 均 E、 涂 料 流 动 性 和 粘 度 不 好 , 玻璃 珠 固 着 不 好 F、 涂 料 软 化 点 太 低 , 流 动 性 太好 , 玻 璃 珠 沉 入 涂 料 中 A、 玻 璃 珠 撒 布 机 装 防 风 罩 ; 施 工 人 员 熟 练有 经 验 B、 使 用 合 格 的 玻 璃 珠 , 要 求 玻 璃 珠 成 圆 率高 , 杂 质 少 , 透 明 度 高 , 粘 度 适 中 , 粒 径分 布 合 理 C、 采 用 先 进 的 文 撒 珠 机 械 , 控 制 流 量 和 均匀 度 ; 提 高 施 工 技 术 , 培 养 熟 练 操 作 工 人 ,提 高 应 变 能 力 D、 选 择 质 量 优 异 的 标 线 涂 料 , 标 线 涂 料 的流 动 性 、 软 化 点 、 粘 度 都 要 适 中 起 皮 脱 落 A、 涂 料 本 身 和 路 面 的 粘 结 力 较差 , 涂 膜 过硬或过脆 B、 在...

1、当您付费下载文档后,您只拥有了使用权限,并不意味着购买了版权,文档只能用于自身使用,不得用于其他商业用途(如 [转卖]进行直接盈利或[编辑后售卖]进行间接盈利)。
2、本站所有内容均由合作方或网友上传,本站不对文档的完整性、权威性及其观点立场正确性做任何保证或承诺!文档内容仅供研究参考,付费前请自行鉴别。
3、如文档内容存在违规,或者侵犯商业秘密、侵犯著作权等,请点击“违规举报”。

碎片内容

交通标线施工方案

确认删除?
VIP
微信客服
  • 扫码咨询
会员Q群
  • 会员专属群点击这里加入QQ群
客服邮箱
回到顶部