电脑桌面
添加小米粒文库到电脑桌面
安装后可以在桌面快捷访问

产品创新性及技术水平

产品创新性及技术水平_第1页
1/7
产品创新性及技术水平_第2页
2/7
产品创新性及技术水平_第3页
3/7
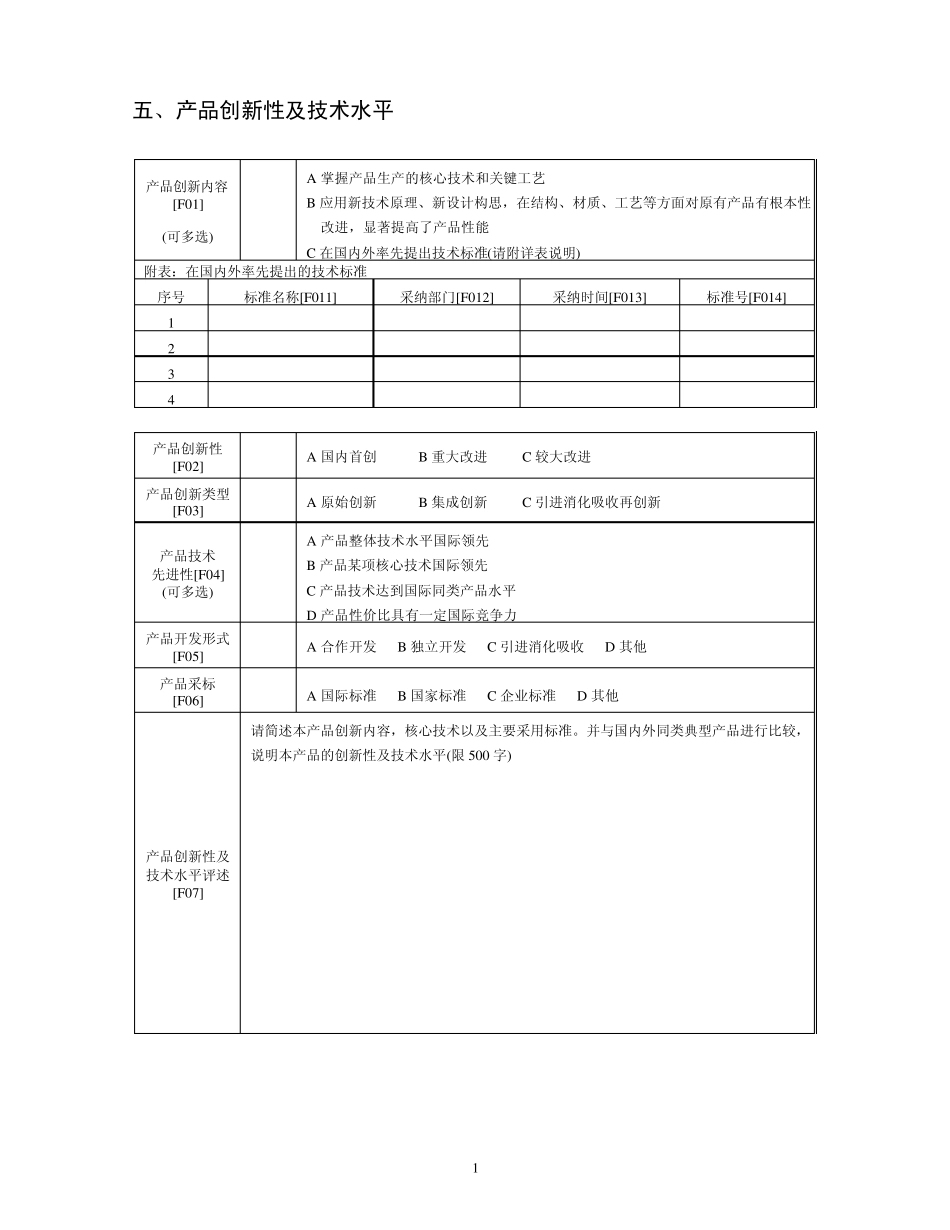
1 五、产品创新性及技术水平 产品创新内容 [F01] (可多选) A 掌握产品生产的核心技术和关键工艺 B 应用新技术原理、新设计构思,在结构、材质、工艺等方面对原有产品有根本性 改进,显著提高了产品性能 C 在国内外率先提出技术标准(请附详表说明) 附表:在国内外率先提出的技术标准 序号 标准名称[F011] 采纳部门[F012] 采纳时间[F013] 标准号[F014] 1 2 3 4 产品创新性 [F02] A 国内首创 B 重大改进 C 较大改进 产品创新类型 [F03] A 原始创新 B 集成创新 C 引进消化吸收再创新 产品技术 先进性[F04] (可多选) A 产品整体技术水平国际领先 B 产品某项核心技术国际领先 C 产品技术达到国际同类产品水平 D 产品性价比具有一定国际竞争力 产品开发形式 [F05] A 合作开发 B 独立开发 C 引进消化吸收 D 其他 产品采标 [F06] A 国际标准 B 国家标准 C 企业标准 D 其他 产品创新性及技术水平评述 [F07] 请简述本产品创新内容,核心技术以及主要采用标准。并与国内外同类典型产品进行比较,说明本产品的创新性及技术水平(限 500 字) 2 产品是否必须经过特殊行业许可或强制性认证[F08] A 是 B 否 若选A,务必在下表中说明。 [F08]产品通过的国内外权威部门认可的各类检测、认证、许可情况(可视情况自行添加表格行,不超过10 项) 序号 检测/认证/许可名称[F081] 检测/认证/许可部门[F082] 时间 [F083] 有效期(何年月-何年月) [F084] 1 (YYYYMM) (YYYYMM-YYYYMM) 2 3 [F09] 产品技术研发已获国家级科技计划资助情况(可视情况自行添加表格行,不超过10 项) 注:“[F013]资助计划名称”及其代码为: A.国家科技重大专项 B. 863计划 C. 973计划 D.支撑/攻关计划 E.国家高技术产业发展项目计划 F.国际科技合作计划 G.火炬计划 H.星火计划 I.科技型中小企业创新基金 J.农业科技成果转化资金 K.国家重点新产品计划 L.其他计划(详细说明) 序号 资助部门 [F091] 资助时间 [F092] 资助计划名称 [F093] 项目名称 [F094] 项目编号 [F095] 1 (填代码) 2 3 [F10] 产品研发获得国家级或省部级奖励情况(可视情况自行添加表格行,不超过10 项) 注:“获奖类别”及其代码为: A.国家级技术发明奖 B.国家级科技进步奖 C.省部级技术发明奖 D.省部级科技进步奖 序号 获奖时间 [F101] 获奖成果名称 [F102] 获奖类别代码 [F103] ...

1、当您付费下载文档后,您只拥有了使用权限,并不意味着购买了版权,文档只能用于自身使用,不得用于其他商业用途(如 [转卖]进行直接盈利或[编辑后售卖]进行间接盈利)。
2、本站所有内容均由合作方或网友上传,本站不对文档的完整性、权威性及其观点立场正确性做任何保证或承诺!文档内容仅供研究参考,付费前请自行鉴别。
3、如文档内容存在违规,或者侵犯商业秘密、侵犯著作权等,请点击“违规举报”。

碎片内容

产品创新性及技术水平

您可能关注的文档

确认删除?
VIP
微信客服
  • 扫码咨询
会员Q群
  • 会员专属群点击这里加入QQ群
客服邮箱
回到顶部