电脑桌面
添加小米粒文库到电脑桌面
安装后可以在桌面快捷访问

浅层平板荷载试验作业指导书

浅层平板荷载试验作业指导书_第1页
1/2
浅层平板荷载试验作业指导书_第2页
2/2
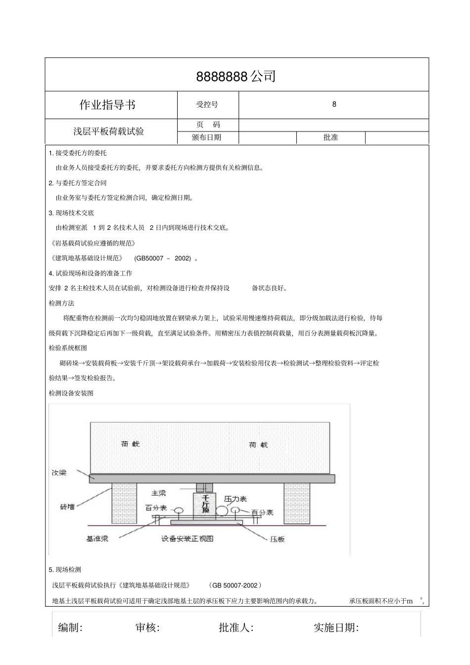
编制:审核:批准人:实施日期:8888888公司作业指导书受控号8 浅层平板荷载试验页码颁布日期批准1. 接受委托方的委托由业务人员接受委托方的委托,并要求委托方向检测方提供有关检测信息。2. 与委托方签定合同由业务室与委托方签定检测合同,确定检测日期。3. 现场技术交底由检测室派1 到 2 名技术人员2 日内到现场进行技术交底。《岩基载荷试验应遵循的规范》《建筑地基基础设计规范》(GB50007 – 2002) 。4. 试验现场和设备的准备工作安排 2 名主检技术人员在试验前,对检测设备进行检查并保持设备状态良好。检测方法将配重物在检测前一次均匀稳固地放置在钢梁承力架上,试验采用慢速维持荷载法,即分级加载法进行检验,待每级荷载下沉降稳定后再加下一级荷载,直至满足试验条件。用精密压力表值控制荷载量,用百分表测量载荷板沉降量。检验系统框图砌砖垛→安装载荷板→安装千斤顶→架设载荷承台→加载荷→安装检验用仪表→检验测试→整理检验资料→评定检验结果→签发检验报告。检测设备安装图5. 现场检测浅层平板载荷试验执行《建筑地基基础设计规范》(GB 50007-2002 )地基土浅层平板载荷试验可适用于确定浅部地基土层的承压板下应力主要影响范围内的承载力。承压板面积不应小于m2,8888888公司作业指导书受控号8 浅层平板荷载试验页码颁布日期批准对于软土不应小于m2。试验基坑宽度不应小于承压板宽度或直径的三倍。应保持试验土层的原状结构和天然湿度。宜在拟试压表面用粗纱或中砂层找平,其厚度不超过20mm。加荷分级不应小于8 级。最大加载量不应小于设计要求的两倍。每级加载后,按间隔10、10、 10、15、15min, 以后为每隔半小时测读一次沉降量,当在连续两小时内,每小时的沉降量小于时,则认为已趋稳定,可加下一级荷载。当出现下列情况之一时,即可终止加载:5.5.1承压板周围的土明显地侧向挤出;5.5.2沉降 s 急骤增大,荷载~沉降(p~s)曲线出现陡降段;5.5.3在某一级荷载下,24 小时内沉降速率不能达到稳定;5.5.4沉降量与承压板宽度或直径之比大于或等于。当满足前三种情况之一时,其对应的前一级荷载定为极限荷载。6 检测数据的分析与判定:当 p~ s 曲线上有比例界限时,取该比例界限所对应的荷载值;当极限荷载小于对应比例界限的2 倍时,取极限荷载值的一半;当不能按上述二款要求确定时,当压板面积为~, 可取 s/b= ~所对应的荷载,但其值不应大于最大加载量的一半。同一土层参加统...

1、当您付费下载文档后,您只拥有了使用权限,并不意味着购买了版权,文档只能用于自身使用,不得用于其他商业用途(如 [转卖]进行直接盈利或[编辑后售卖]进行间接盈利)。
2、本站所有内容均由合作方或网友上传,本站不对文档的完整性、权威性及其观点立场正确性做任何保证或承诺!文档内容仅供研究参考,付费前请自行鉴别。
3、如文档内容存在违规,或者侵犯商业秘密、侵犯著作权等,请点击“违规举报”。

碎片内容

浅层平板荷载试验作业指导书

文库响当当+ 关注
实名认证
内容提供者

该用户很懒,什么也没介绍

确认删除?
VIP
微信客服
  • 扫码咨询
会员Q群
  • 会员专属群点击这里加入QQ群
客服邮箱
回到顶部