电脑桌面
添加小米粒文库到电脑桌面
安装后可以在桌面快捷访问

关于开展危化品企业既有建筑抗震性能普查工作的通知VIP免费

关于开展危化品企业既有建筑抗震性能普查工作的通知_第1页
1/5
关于开展危化品企业既有建筑抗震性能普查工作的通知_第2页
2/5
关于开展危化品企业既有建筑抗震性能普查工作的通知_第3页
3/5
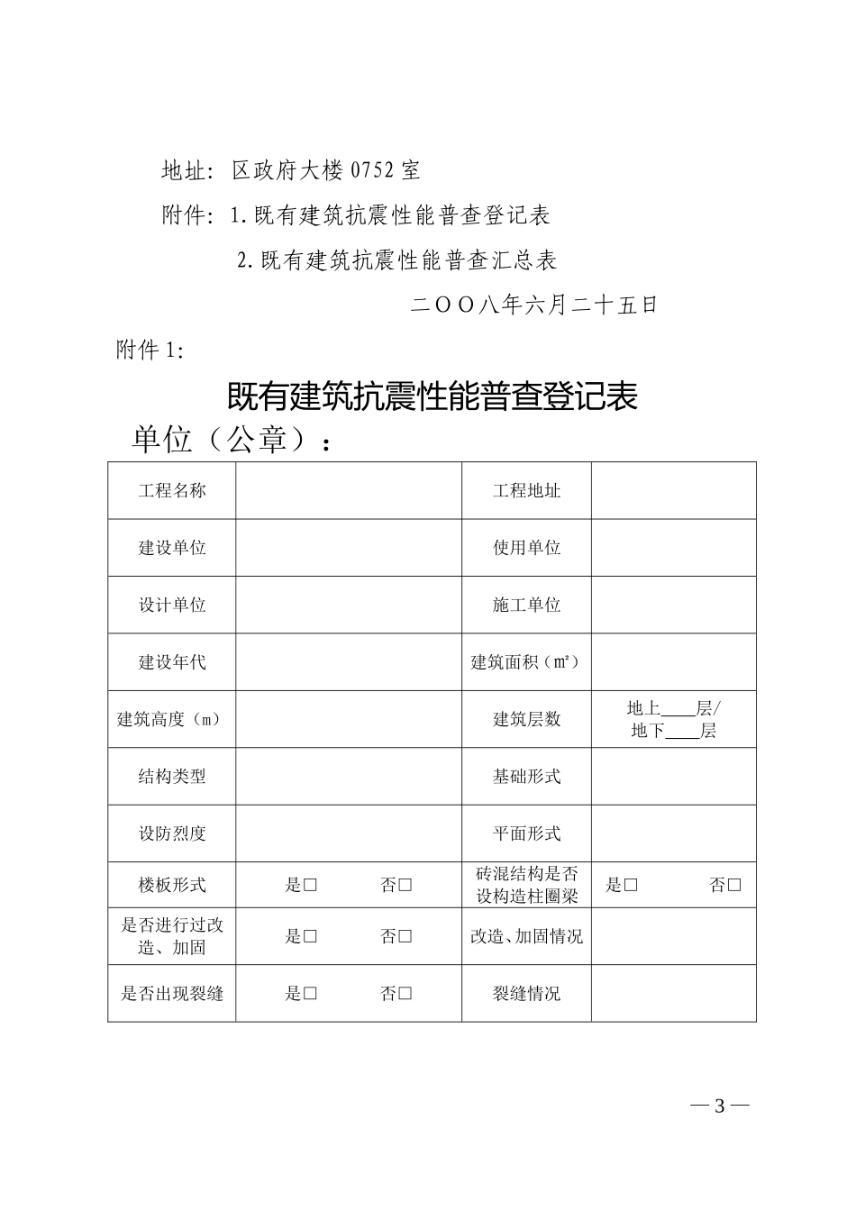
安全生产监督管理局文件青开安监发〔2008〕37号关于开展危化品企业既有建筑抗震性能普查工作的通知各有关企业:为做好抗震防灾工作,确保建设工程抗震设防质量,保障人民生命财产安全,根据管委(区政府)办公室《关于开展既有建筑抗震性能普查工作的通知》(青开管办发〔2008〕24号)要求,现决定对全区危化品企业既有建筑抗震性能进行一次全面普查。现将有关事项通知如下:一、普查对象此次普查的对象为区内所有危化品行业既有建筑物(含在建、新建工程)。二、普查内容及技术标准(一)普查内容:重点普查工程概况、建设年代、工程现状、—1—结构类型、设防标准、改造情况等。(详见既有建筑抗震性能普查登记表)(二)普查的技术标准:本次抗震性能普查依据的技术标准为《建筑抗震鉴定标准》(GB50023-95)、《建筑抗震设计规范》(GB50011-2001)。三、普查任务各单位已建成投入使用的因受地震破坏后可能引发火灾、水灾、剧毒或强腐蚀性物质泄露、放射性污染和其他严重次生灾害的建设工程和基础设施工程。四、组织领导为按时、保质、保量完成任务,各有关企业要高度重视,按照职责落实专人,切实抓好所在单位普查工作的具体落实。五、具体要求各单位要根据普查情况认真匡算鉴定加固资金,并根据工程产权情况提出加固资金来源及实施鉴定和加固存在的具体问题。此次普查于2008年6月26日前结束,各单位需将普查数据按照附件1、附件2的内容要求认真填写,务必于2008年6月26日17点前报开发区安监局监察大队。联系人:李华联系电话:86988019传真:86981995电子邮箱:hdajj@163.com—2—地址:区政府大楼0752室附件:1.既有建筑抗震性能普查登记表2.既有建筑抗震性能普查汇总表二OO八年六月二十五日附件1:既有建筑抗震性能普查登记表单位(公章):工程名称工程地址建设单位使用单位设计单位施工单位建设年代建筑面积(㎡)建筑高度(m)建筑层数地上层/地下层结构类型基础形式设防烈度平面形式楼板形式是□否□砖混结构是否设构造柱圈梁是□否□是否进行过改造、加固是□否□改造、加固情况是否出现裂缝是□否□裂缝情况—3—产权性质产权证编号工程用途加固所需资金备注填表时间:年月日填表人:附件2:既有建筑抗震性能普查汇总表单位(公章):面积用途、结构建筑面积(㎡)合计一层二层三层四层五层六层以上框剪结构剪力墙结构框架结构砖混结构砖木结构其它需投资(万元)合计建筑面积(㎡)需投资(万元)—4——5—

1、当您付费下载文档后,您只拥有了使用权限,并不意味着购买了版权,文档只能用于自身使用,不得用于其他商业用途(如 [转卖]进行直接盈利或[编辑后售卖]进行间接盈利)。
2、本站所有内容均由合作方或网友上传,本站不对文档的完整性、权威性及其观点立场正确性做任何保证或承诺!文档内容仅供研究参考,付费前请自行鉴别。
3、如文档内容存在违规,或者侵犯商业秘密、侵犯著作权等,请点击“违规举报”。

碎片内容

关于开展危化品企业既有建筑抗震性能普查工作的通知

确认删除?
VIP
微信客服
  • 扫码咨询
会员Q群
  • 会员专属群点击这里加入QQ群
客服邮箱
回到顶部