电脑桌面
添加小米粒文库到电脑桌面
安装后可以在桌面快捷访问

液压支架选型设计

液压支架选型设计_第1页
1/21
液压支架选型设计_第2页
2/21
液压支架选型设计_第3页
3/21
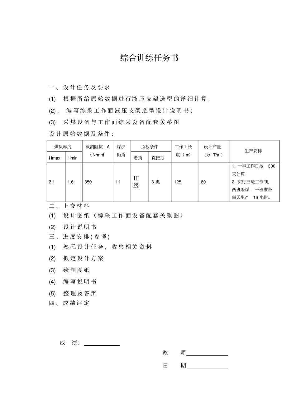
辽宁工程技术大学《采掘机械》综合训练题目:液压支架选型设计班级:矿 电 11-姓名:指 导教 师:师 建 国完 成日 期:2014/12/29综合训练任务书一 、 设 计 任 务 及 要 求(1) 根 据 所 给 原 始 数 据 进 行 液 压 支 架 选 型 的 详 细 计 算 ;(2) .编 写 综 采 工 作 面 液 压 支 架 选 型 设 计 说 明 书 ;(3) 采 煤 设 备 与 工 作 面 综 采 设 备 配 套 关 系 图设 计 原 始 数 据 及 条 件 :煤层厚度截割阻抗A(N/mm)煤层倾角顶板条件工作面长度( m)设计产量(万 T/a )生产安排HmaxHmin老顶直接顶3.11.635011Ⅲ级3 类125801. 一年工作日按300天计算2. 实行三班工作制,两班采煤, 一班准备,每天生产16 小时。二 、 上 交 材 料(1) 设 计 图 纸 ( 综 采 工 作 面 设 备 配 套 关 系 图 )(2) 设 计 说 明 书三 、 进 度 安 排 ( 参 考 )(1) 熟 悉 设 计 任 务 , 收 集 相 关 资 料(2) 拟 定 设 计 方 案(3) 绘 制 图 纸(4) 编 写 说 明 书(5) 整 理 及 答 辩四 、 成 绩 评 定成绩:教师日期目录1 液 压 支 架 选 型的基 本 原 则 ...................... - 0 -2 确 定 液 压 支 架架型............................ - 0 -2.1 顶 板 分 类 (级 ) ........................... - 0 -2.2 架 型 与 支 护强 度 初 选 ....................... - 1 -3 主 要 参 数 计 算和支 架 型 号的 确 定 ................ - 1 -3.1 支 架 高 度 ................................. - 1 -3.2 支 架 主 要 结构 确 定 ............................ 33.2.1顶 梁长度 .................................. 33.2.2底 座的宽 度 ............................ - 4 -3.2.3支 架中心 距 确定 ........................ - 4 -3.2.4支 架移驾 步 距确定 ...................... - 4 -3.3 支 护 强 度 和工 作 阻 力 ....................... - 4 -3.4 初 撑 力 ....................................... 73.5 移 架 阻 力 及推 溜 力 ............................. 73.6 确 定 支 架 类型 ................................. 74 性...

1、当您付费下载文档后,您只拥有了使用权限,并不意味着购买了版权,文档只能用于自身使用,不得用于其他商业用途(如 [转卖]进行直接盈利或[编辑后售卖]进行间接盈利)。
2、本站所有内容均由合作方或网友上传,本站不对文档的完整性、权威性及其观点立场正确性做任何保证或承诺!文档内容仅供研究参考,付费前请自行鉴别。
3、如文档内容存在违规,或者侵犯商业秘密、侵犯著作权等,请点击“违规举报”。

碎片内容

液压支架选型设计

确认删除?
VIP
微信客服
  • 扫码咨询
会员Q群
  • 会员专属群点击这里加入QQ群
客服邮箱
回到顶部