电脑桌面
添加小米粒文库到电脑桌面
安装后可以在桌面快捷访问

深基坑土方开挖技术交底记录

深基坑土方开挖技术交底记录_第1页
1/11
深基坑土方开挖技术交底记录_第2页
2/11
深基坑土方开挖技术交底记录_第3页
3/11
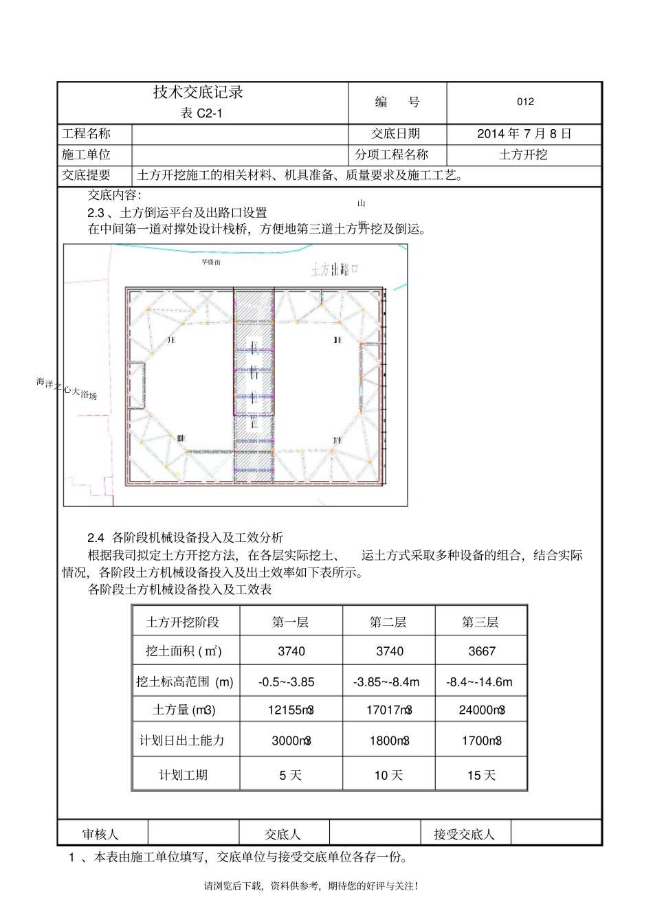
请浏览后下载,资料供参考,期待您的好评与关注!技术交底记录表 C2-1编号012 工程名称交底日期2014 年 7 月 8 日施工单位分项工程名称土方开挖交底提要土方开挖施工的相关材料、机具准备、质量要求及施工工艺。交底内容:一、适用范围本工程土方开挖施工。二、土方开挖2.1 土方开挖原则1、合理安排土方施工流程,确保基坑安全的原则。2、精心组织施工,保证机械、设备投入,确保土方施工工期的原则。3、制定有效保护措施、加强监测,确保周边建筑设施安全的原则。4、加强土方开挖、运输管理,制定现场安全文明施工措施,确保安全文明施工达标的原则。2.2 挖土技术要求1、综合项目的周边环境、支护形式,土方挖运应按下面的要求进行施工。(1)遵循“先撑后挖、分层开挖、对称均匀开挖”的要求进行。做到随挖随撑,严格控制基坑变形,以保证基坑在安全地条件下进行施工作业。(2)每道支撑完成,且结构强度达到设计要求后方可开挖支撑下一层土方;(3)支撑达到结构强度后,角部土方,沿环形支撑呈放射状开挖。立柱密集区域,用小挖机进行挖掘并倒运至空间较大处进行装车运输。(4)人工配合机械清除包裹构件的土方,严禁各类机械碰撞支撑体系,包括支撑立柱、支撑梁、支护桩、腰梁等结构构件。(5)在土方挖除24 小时内,完成该侧支撑体系混凝土垫层浇筑。支撑穿插紧跟施工,7天以内完成支撑混凝土浇筑。(6)土方在开挖前进行基坑降水,按要求将土层中土体孔隙水、承压水进行疏干,保证土方开挖的顺利进行。基坑监测与土方开挖同步开始,并在开挖全过程中进行监测。(7)基坑开挖时随时根据监测结果不断进行施工参数的调整和优化,及时施工支撑和结构,以减少围护结构变形,确保周边环境稳定。(8)结合主体结构的实际施工条件,严格按照分层、分段、分块开挖土方,遵循“分层开挖,先撑后挖”及“大基坑,小开挖”的原则。开挖过程中,严禁掏挖。(9)加强对地下水的处理,基坑内采取降水井,开挖排水沟、集水井集中抽排的方法疏干地下水。(10)尽量缩短围护结构暴露时间,土方开挖至基底时立即跟上基础垫层的施工,以抵抗基底隆起变形,并形成底层支撑,降低基坑围护结构变形速率。(11)基坑周边支撑体系上严禁堆载。(12)雨季施工时,止水帷幕外侧应施工400mm*400mm排水沟,以防雨水进入坑内。沿排水沟每隔 30.0m 设置一口集水井,以作引水用。(13)挖土原则上应分层均匀(每层不超过3.0m)、对称开挖,合理控制开挖坡度,以...

1、当您付费下载文档后,您只拥有了使用权限,并不意味着购买了版权,文档只能用于自身使用,不得用于其他商业用途(如 [转卖]进行直接盈利或[编辑后售卖]进行间接盈利)。
2、本站所有内容均由合作方或网友上传,本站不对文档的完整性、权威性及其观点立场正确性做任何保证或承诺!文档内容仅供研究参考,付费前请自行鉴别。
3、如文档内容存在违规,或者侵犯商业秘密、侵犯著作权等,请点击“违规举报”。

碎片内容

深基坑土方开挖技术交底记录

您可能关注的文档

文库响当当+ 关注
实名认证
内容提供者

该用户很懒,什么也没介绍

确认删除?
VIP
微信客服
  • 扫码咨询
会员Q群
  • 会员专属群点击这里加入QQ群
客服邮箱
回到顶部