电脑桌面
添加小米粒文库到电脑桌面
安装后可以在桌面快捷访问

混凝土养护记录

混凝土养护记录_第1页
1/35
混凝土养护记录_第2页
2/35
混凝土养护记录_第3页
3/35
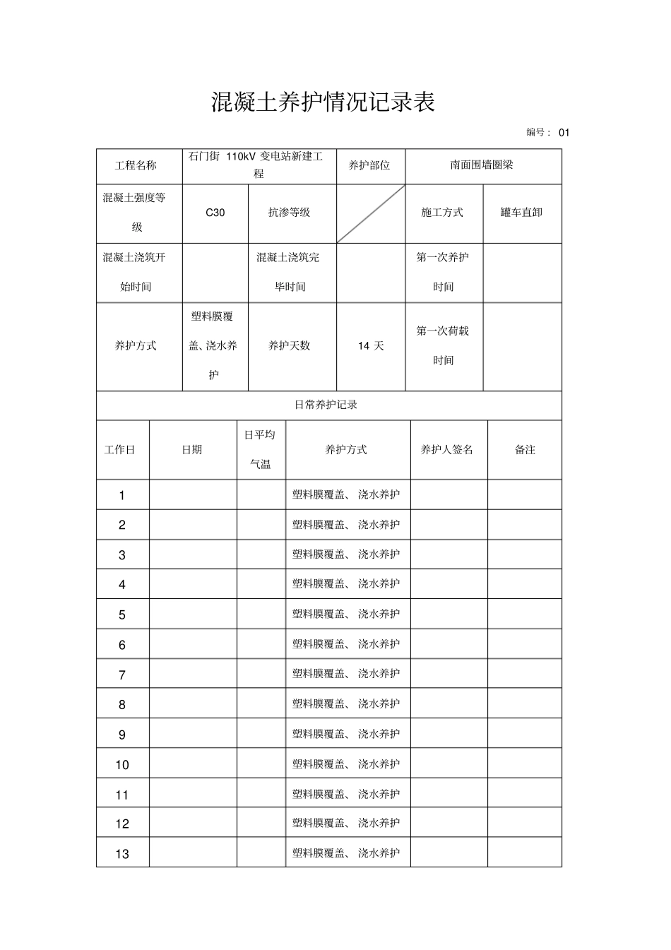
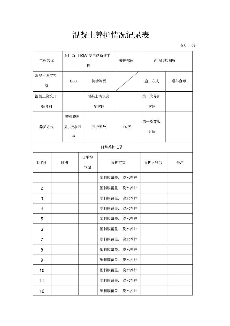
混凝土养护情况记录表编号 : 01工程名称石门街 110kV 变电站新建工程养护部位南面围墙圈梁混凝土强度等级C30抗渗等级施工方式罐车直卸混凝土浇筑开始时间混凝土浇筑完毕时间第一次养护时间养护方式塑料膜覆盖、浇水养护养护天数14 天第一次荷载时间日常养护记录工作日日期日平均气温养护方式养护人签名备注1塑料膜覆盖、 浇水养护2塑料膜覆盖、 浇水养护3塑料膜覆盖、 浇水养护4塑料膜覆盖、 浇水养护5塑料膜覆盖、 浇水养护6塑料膜覆盖、 浇水养护7塑料膜覆盖、 浇水养护8塑料膜覆盖、 浇水养护9塑料膜覆盖、 浇水养护10塑料膜覆盖、 浇水养护11塑料膜覆盖、 浇水养护12塑料膜覆盖、 浇水养护13塑料膜覆盖、 浇水养护14塑料膜覆盖、 浇水养护混凝土养护情况结合项目专业质量检查员:年月日混凝土养护情况记录表编号 : 02工程名称石门街 110kV 变电站新建工程养护部位西面围墙圈梁混凝土强度等级C30抗渗等级施工方式罐车直卸混凝土浇筑开始时间混凝土浇筑完毕时间第一次养护时间养护方式塑料膜覆盖、浇水养护养护天数14 天第一次荷载时间日常养护记录工作日日期日平均气温养护方式养护人签名备注1塑料膜覆盖、 浇水养护2塑料膜覆盖、 浇水养护3塑料膜覆盖、 浇水养护4塑料膜覆盖、 浇水养护5塑料膜覆盖、 浇水养护6塑料膜覆盖、 浇水养护7塑料膜覆盖、 浇水养护8塑料膜覆盖、 浇水养护9塑料膜覆盖、 浇水养护10塑料膜覆盖、 浇水养护11塑料膜覆盖、 浇水养护12塑料膜覆盖、 浇水养护13塑料膜覆盖、 浇水养护14℃塑料膜覆盖、 浇水养护混凝土养护情况结合项目专业质量检查员:年月日混凝土养护情况记录表编号 : 03工程名称石门街 110kV 变电站新建工程养护部位北面围墙圈梁混凝土强度等级C30抗渗等级施工方式罐车直卸混凝土浇筑开始时间混凝土浇筑完毕时间第一次养护时间养护方式塑料膜覆盖、浇水养护养护天数14 天第一次荷载时间日常养护记录工作日日期日平均气温养护方式养护人签名备注1塑料膜覆盖、 浇水养护2塑料膜覆盖、 浇水养护3塑料膜覆盖、 浇水养护4塑料膜覆盖、 浇水养护5塑料膜覆盖、 浇水养护6塑料膜覆盖、 浇水养护7塑料膜覆盖、 浇水养护8℃塑料膜覆盖、 浇水养护9塑料膜覆盖、 浇水养护10塑料膜覆盖、 浇水养护11塑料膜覆盖、 浇水养护12塑料膜覆盖、 浇水养护13塑料膜覆盖、 浇水养护14℃塑料膜覆盖、 浇水养护混凝土养护情况结合项目专业质量检查员:年月日混凝土养...

1、当您付费下载文档后,您只拥有了使用权限,并不意味着购买了版权,文档只能用于自身使用,不得用于其他商业用途(如 [转卖]进行直接盈利或[编辑后售卖]进行间接盈利)。
2、本站所有内容均由合作方或网友上传,本站不对文档的完整性、权威性及其观点立场正确性做任何保证或承诺!文档内容仅供研究参考,付费前请自行鉴别。
3、如文档内容存在违规,或者侵犯商业秘密、侵犯著作权等,请点击“违规举报”。

碎片内容

混凝土养护记录

您可能关注的文档

确认删除?
VIP
微信客服
  • 扫码咨询
会员Q群
  • 会员专属群点击这里加入QQ群
客服邮箱
回到顶部