电脑桌面
添加小米粒文库到电脑桌面
安装后可以在桌面快捷访问

混凝土小型空心砌块

混凝土小型空心砌块_第1页
1/4
混凝土小型空心砌块_第2页
2/4
混凝土小型空心砌块_第3页
3/4
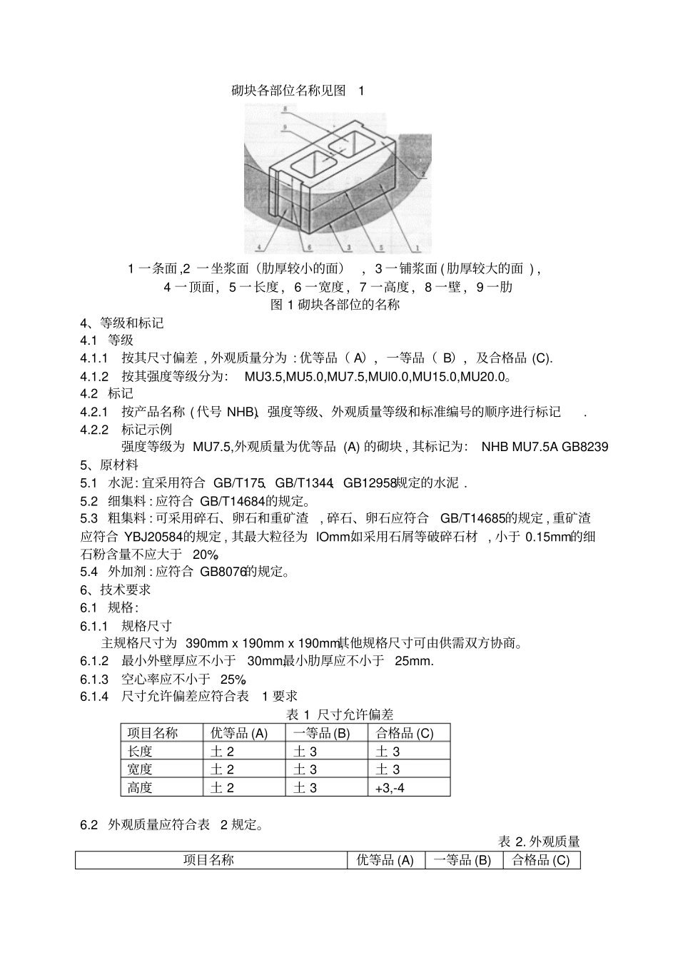
混凝土小型空心砌块Normal Concrete small hollow blockGB8239-1997国家技术监督局 1997-05-06 批准 1997-11-01实施前言本标准是在 GB8239-87《混凝土小型空心砌块》 的基础上修订的 , 修订时 , 参照国外先进标准 , 结合我国国情 , 保留了原标准中科学合理的内容, 对部分条款进行了修订 , 编写的规则和格式按 GB/T1.1-1993 标准化工作导则进行。在标准中增加了砌块各部位的名称,砌块的尺寸偏差单独作为一项技术指标列入标准, 外观质量由原来的一等品、二等品两个等级,增加了优等品;砌块的强度等级增加了MU20.0级取消了砌块按相对含水率和抗渗性分级,出厂砌块均要求相对含水率,只对用于清水墙的砌块规定抗渗性指标本标准作为强制性国家标准执行. 本标准生效之日起 , 同时代替 GB8239-87., 本标准由国家建筑材料工业局提出. 本标准由河南建筑材料研究设计院归口。本标准负责起草单位 : 河南建筑材料研究设计院。本标准参加起草单位 : 深圳市珠江均安水泥制品有限公司、四川省绵竹机械厂。本标准主要起草人 : 陈红军、侯清照、申国权、张凤芝、张太元、谭春英。本标准 1987 年首次发布 ,l996 年第一次修订。本标准委托河南建筑材料研究设计院负责解释。1、范围本标准规定了普通混凝土小型空心砌块的产品分类、技术要求、实验方法、检验规则、运输和堆放等。本标准适用于工业与民用建筑用普通混凝土小型空心砌块(以下简称砌块)2、引用标准下列标准所包含的条文,通过在本标准中引用而构成为本标准的条文。本标准出版时,所示版本均为有效,所有标准都会被修订,使用本标准的各方应探讨使用下列标准最新版本的可能性。 GB/T 175-92 硅酸盐水泥,普通硅酸盐水泥 GB/T 1344-92 矿渣硅酸盐水泥、火山灰质硅酸盐水泥及粉煤灰硅酸盐水泥 GB/T 4111-1997 混凝土小型空心砌块试验方法 GB8076-1997. 混凝土外加剂 GB 12958-91 复合硅酸盐水泥 GB/T 14684-93 建筑用砂 GB/T 14685-93 建筑用卵石碎石 YBJ20584-84 混凝土用高炉重矿渣碎石技术条件3、砌块各部位名称砌块各部位名称见图11 一条面 ,2 一坐浆面(肋厚较小的面),3 一铺浆面 ( 肋厚较大的面 ) ,4 一顶面,5 一长度 ,6 一宽度 ,7 一高度 ,8 一壁 ,9 一肋图 1 砌块各部位的名称4、等级和标记4.1 等级4.1.1 按其尺寸偏差 , 外观质量分为 : 优等品( A),一等品( B),及合格品 (C). 4.1.2 按...

1、当您付费下载文档后,您只拥有了使用权限,并不意味着购买了版权,文档只能用于自身使用,不得用于其他商业用途(如 [转卖]进行直接盈利或[编辑后售卖]进行间接盈利)。
2、本站所有内容均由合作方或网友上传,本站不对文档的完整性、权威性及其观点立场正确性做任何保证或承诺!文档内容仅供研究参考,付费前请自行鉴别。
3、如文档内容存在违规,或者侵犯商业秘密、侵犯著作权等,请点击“违规举报”。

碎片内容

混凝土小型空心砌块

确认删除?
VIP
微信客服
  • 扫码咨询
会员Q群
  • 会员专属群点击这里加入QQ群
客服邮箱
回到顶部