电脑桌面
添加小米粒文库到电脑桌面
安装后可以在桌面快捷访问

PC建筑吊装方案

PC建筑吊装方案_第1页
1/54
PC建筑吊装方案_第2页
2/54
PC建筑吊装方案_第3页
3/54
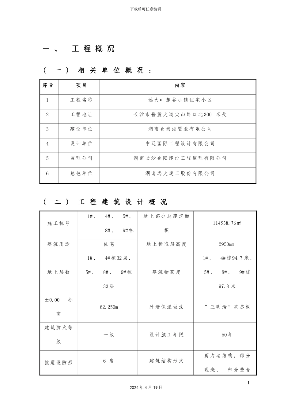
下载后可任意编辑PC 建筑吊装方案12024 年 4 月 19 日下载后可任意编辑目 录一 、 工 程 概 况 ...............................1二 、 编 制 依 据 ...............................2三 、 施 工 计 划 ...............................3四 、 吊 装 施 工 准 备 .......................14五 、 施 工 工 艺 ..............................195.1 一 般 规 定 ..............................195.2 索 具 设 备 要 求 .......................205.3 外 墙 板 吊 装 ..........................215.4 预 制 梁 吊 装 ..........................255.5 叠 合 楼 板 吊 装 .......................265.6 楼 梯 安 装 ..............................29六 、 施 工 安 全 保 障 措 施 ................30七 、 质 量 验 收 ..............................31八 、 应 急 预 案 ..............................3412024 年 4 月 19 日下载后可任意编辑一 、 工 程 概 况( 一 ) 相 关 单 位 概 况 : 序号项目内容1工程名称远大麓谷小镇住宅小区•2工程地址长沙市岳麓大道尖山路口北 300 米处3建设单位湖南金尚湖置业有限公司4设计单位中辽国际工程设计有限公司5监理公司湖南长沙金阳建设工程监理有限公司6总包单位湖南远大建工股份有限公司( 二 ) 工 程 建 筑 设 计 概 况施工栋号1#、 4#、 5#、 8#、 9#栋地上部分总建筑面积114538.76㎡建筑用途住宅地上标准层高度2950mm地上层数1#、 4#栋32层, 5#、 8#、 9#栋33层建筑物高度1#、 4#栋94.7 米, 5#、 8#、 9#栋97.8 米±0.00 标高 62.250m外墙保温做法”三明治”夹芯板建筑防火等级一级设计施工年限50年抗震设防烈6 度建筑结构形式剪力墙结构 , 部分现浇、 部分叠合12024 年 4 月 19 日下载后可任意编辑度楼盖结构( 三 ) 产 业 化 设 计 概 况1. 采 纳 预 制 装 配 整 体 式 钢 筋 混 凝 土 结构 体 系2. 外 墙 采 纳 ” 三 明 治 ” 外 墙 板 , 内 含保 温 层 , 随 主 体 安 装3. 内 墙 采 纳 预 制 内 墙 板 和 隔 墙 板 , 随主 体 安 装 ; 卫 生 间 、 厨 房 等 部 分 隔 墙 采纳 EPS 聚 苯 颗 粒 轻 质 复 合 夹 芯 隔 墙 条 板 ,...

1、当您付费下载文档后,您只拥有了使用权限,并不意味着购买了版权,文档只能用于自身使用,不得用于其他商业用途(如 [转卖]进行直接盈利或[编辑后售卖]进行间接盈利)。
2、本站所有内容均由合作方或网友上传,本站不对文档的完整性、权威性及其观点立场正确性做任何保证或承诺!文档内容仅供研究参考,付费前请自行鉴别。
3、如文档内容存在违规,或者侵犯商业秘密、侵犯著作权等,请点击“违规举报”。

碎片内容

PC建筑吊装方案

确认删除?
VIP
微信客服
  • 扫码咨询
会员Q群
  • 会员专属群点击这里加入QQ群
客服邮箱
回到顶部