电脑桌面
添加小米粒文库到电脑桌面
安装后可以在桌面快捷访问

制冷压缩机性能测试实验指导书

制冷压缩机性能测试实验指导书_第1页
1/6
制冷压缩机性能测试实验指导书_第2页
2/6
制冷压缩机性能测试实验指导书_第3页
3/6
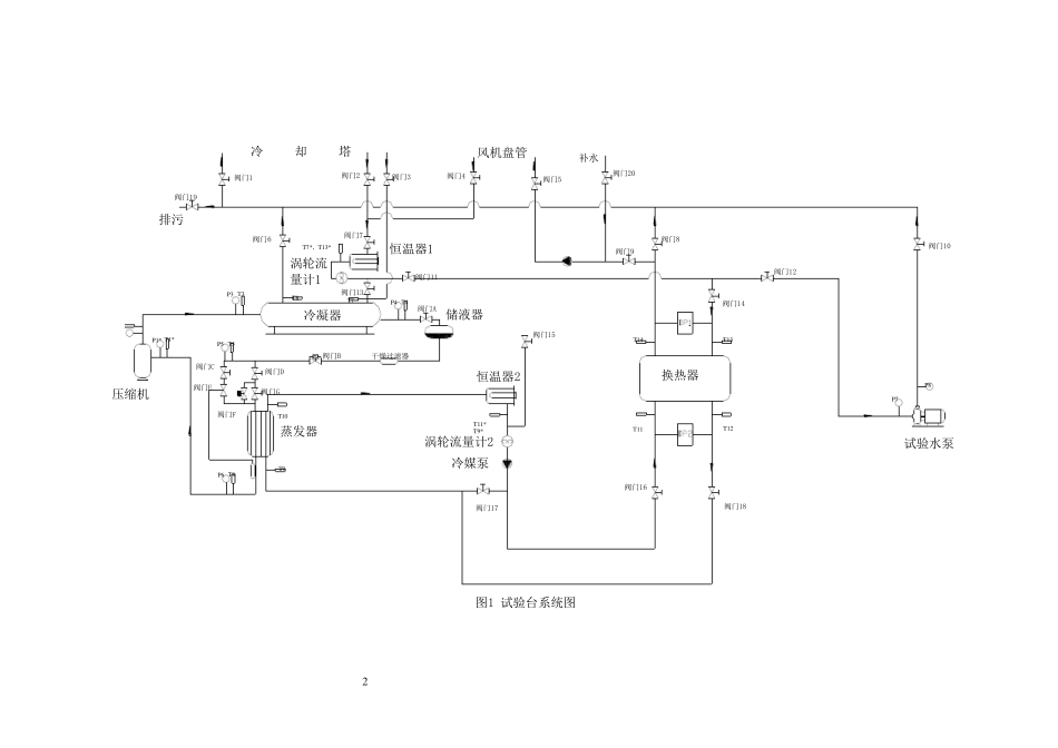
1 制冷压缩机性能测试实验 试验台简介 本试验台采用图1 所示系统,通过阀门的转换,可进行制冷压缩机性能测试实验、冷水机组性能实验、水-水换热器性能实验和水泵性能实验。 制冷压缩机性能实验系统由压缩机、冷凝器、蒸发器、电子膨胀阀、恒温器电参数仪等设备组成。压缩机吸气压力、吸气温度、排气压力分别控制在国家标准规定的状态下。吸气温度由恒温器 2 调节蒸发器冷媒水进口温度 T9 控制,吸气压力由电子膨胀阀控制,排气压力由恒温器 1 调节冷凝器冷却水进口温度 T7 控制。压缩机的实际制冷量由通过蒸发器的冷媒水进出口温度和流量测出,冷凝换热量由通过冷凝器的冷却水进出口温度及流量测得。由此得到压缩机的主辅测质量流量,进而计算出标准工况下的主辅侧制冷量。压缩机的输入功率由电参数仪测得。在制冷系统内部安装多个压力和温度测点,可以方便地确定系统内部的状态。 冷水机组性能实验系统,由压缩机、冷凝器、蒸发器、热力膨胀阀、恒温器等设备组成。实验时,可以设置不同的冷媒水和冷却水温度。冷水机组冷媒水进口温度通过调节恒温器 2 中的电加热器控制,冷却水进口温度通过调节恒温器 1 中的电加热器控制,而出口温度则通过阀门调节。冷水机组的输入功率通过电参数仪表测得。冷水机组的制冷量由通过蒸发器的冷媒水进出口温度和流量测出,冷凝换热量由通过冷凝器的冷却水进出口温度及流量测得。同时在系统中加入了相应的温度和压力测点,可以使学生能更加深入地了解冷水机组的工作特性。 水-水换热器性能实验系统,由冷水机组、恒温器、流量计、水泵等设备组成。冷热侧流体分别通过冷水机组和恒温器 1获得。换热器冷侧和热侧流体进口温度分别通过恒温器 2和恒温器1控制。通过测量换热器两侧流体进出口温度和两侧的流量,可以求出换热量,在已知换热面积的前提下,可以求出换热器的换热系数K。 水泵性能实验系统,由水泵、流量计、电参数仪等设备组成。水泵的流量通过流量计测得,水泵的扬程通过水泵进出口压力变送器测得。在水泵的出口处设立调节阀,通过改变阀门的开度来改变水泵进口处的参数,获得水泵变工况运行特性曲线。 2 补水蒸发器P6 T6T9冷媒泵阀门17涡轮流量计2T9*T11*阀门19压缩机P1* T1*排污干燥过滤器涡轮流量计1P5 T5阀门F阀门E阀门C阀门G阀门DT10T3P3阀门B冷凝器T8阀门13T7 冷 却 塔阀门6阀门1T7*,T13*阀门7阀门2恒温器2阀门A阀门11P4 T4储液器阀门15风机盘管恒温器1阀门3阀门4...

1、当您付费下载文档后,您只拥有了使用权限,并不意味着购买了版权,文档只能用于自身使用,不得用于其他商业用途(如 [转卖]进行直接盈利或[编辑后售卖]进行间接盈利)。
2、本站所有内容均由合作方或网友上传,本站不对文档的完整性、权威性及其观点立场正确性做任何保证或承诺!文档内容仅供研究参考,付费前请自行鉴别。
3、如文档内容存在违规,或者侵犯商业秘密、侵犯著作权等,请点击“违规举报”。

碎片内容

制冷压缩机性能测试实验指导书

您可能关注的文档

确认删除?
VIP
微信客服
  • 扫码咨询
会员Q群
  • 会员专属群点击这里加入QQ群
客服邮箱
回到顶部