电脑桌面
添加小米粒文库到电脑桌面
安装后可以在桌面快捷访问

2024年外墙砂加气自保温砌块技术交底VIP免费

2024年外墙砂加气自保温砌块技术交底_第1页
1/11
2024年外墙砂加气自保温砌块技术交底_第2页
2/11
2024年外墙砂加气自保温砌块技术交底_第3页
3/11
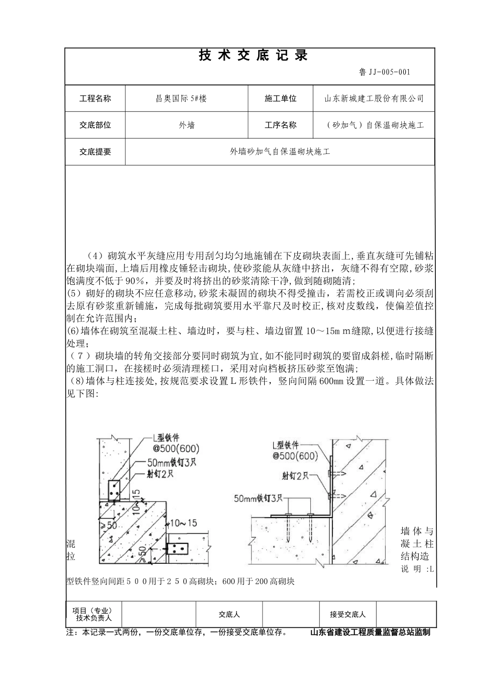
技术交底记录鲁JJ-005-001工程名称昌奥国际5#楼施工单位山东新城建工股份有限公司交底部位外墙工序名称(砂加气)自保温砌块施工交底提要外墙砂加气自保温砌块施工交底内容:一、编制依据《砌体工程施工质量验收规范》(GB50203—2002)《蒸压轻质砂加气混凝土(ACC)砌块和板材结构构造》(06CG01)(1)设计要求:±0.00以上部分砌体采用A5.0级蒸压砂加气混凝土砌块,采用专用砂浆砌筑,密度级别B06。施工质量控制等级为B级。二、施工准备1、材料准备(1)蒸压砂加气混凝土砌块规格:600×200(100)×240(2)砌筑砂浆采用加气块生产厂家提供的配套专用粘结剂。(3)L型铁件。2、机具准备手推车、大铲、铁锹、灰刀、加气块切割专用手锯、木工锯、射钉枪、线锤、托线板、小白线、灰桶、铺灰铲、小锤、小水桶、水平尺、砂浆吊斗及垂直运输工具等。3、作业条件(1)施工部位按栋号划分,施工部位植筋工程必须全部完成后方可砌筑。(2)现场存放场地应夯实,平整,不积水,码放应整齐。装运过程轻拿轻放,避免损坏。并按图纸堆放,避免减少二次倒运。(3)根据墙体尺寸和砌块规格,砌筑前进行平面排版设计,尽可能地减少现场切割量。根据砌块厚度与结构净空高度及门窗洞口尺寸切实安排好立面、剖面的排版设计,避免浪费。(4)砌加气混凝土块的部位在结构墙体上按+1000mm标高线分层划出砌块的层数,安排好灰缝的厚度。(5)加气砌块砌筑时,应先立放用刷子清刷粘结面上的浮灰,不需浇水加湿。(6)遇有穿墙管线,应预先核实其位置、尺寸。以预留为主,减少事后剔凿破坏墙体稳定。(7)样板领路制度:为统一填充墙施工工艺和施工质量,每一工序施工均根据监理工程师要求采用样板领路制度。即各工序施工前,先按技术交底要求,在选定部位做好样板,由监理工程师检查符合质量要求,待监理工程师检查验收合格并书面确认后,方可进行大面积施工。三、施工工艺基层处理→墙体放线→砌加气混凝土块→构造柱浇筑→收尾→验收1、基层处理:将砌筑加气混凝土墙根部的砖或混凝土带上表面清扫干净,用砂浆找平,拉线,用水平尺检查其平整度。项目(专业)技术负责人交底人接受交底人注:本记录一式两份,一份交底单位存,一份接受交底单位存。山东省建设工程质量监督总站监制技术交底记录鲁JJ-005-001工程名称昌奥国际5#楼施工单位山东新城建工股份有限公司交底部位外墙工序名称(砂加气)自保温砌块施工交底提要外墙砂加气自保温砌块施工2、墙体放线:根据设计图纸要求进行弹线,在相应的部位弹好墙身门洞口尺寸线,在结构墙柱上弹好加气混凝土墙的立面边线。3、拌料(1)拌合粘结剂,按每20kg粘结剂干粉料加4~4.5kg净水的比例,将拌合料装入专用料筒内,用手提电动搅拌机搅拌,将粘结剂拌制成胶泥状。拌合料应在4h内用完为限,超过30mim必须重新搅拌使用。(2)水泥砂浆,轻质砂加气混凝土砌筑时局部使用水泥砂浆,应随用随拌。4、砌块砌筑(1)砌筑施工时,在每皮砌块砌筑前,要用毛刷清理砌块表面浮砂(尘),处理干净后再铺水平、垂直灰缝处的粘结剂、混合砂浆。砌筑时应采用专用刮勺铺浆,带线砌筑,确保砌体平整度,不符合要求时,应及时纠正。(2)砌筑在结构件(楼板和梁)上的第一皮砌块时应用1:3水泥砂浆座浆,以确保砌块面平直,首先用水湿润基面,然后用1:3水泥砂浆铺砌第一皮砌块,砌块侧面的垂直缝应铺粘合剂,并以水平尺、橡皮锤校正砌块水平和垂直度。砌筑时应预先试排块,并优先使用整块。需断开砌块时,锯载砌块长度不应小于砌块总长度1/3。且最小搭接长度不得小于100mm。(3)第二皮砌块开始均采用专用工具进行薄层砌筑,砌筑砂浆应采用砂加气专用粘结剂,其垂直灰缝和水平灰缝均为3mm左右,竖缝大于30mm,应用C25细石混凝土灌实。每砌一皮校正后,用砂浆灌竖缝。灰缝应横平竖直、砂浆饱满,正、反手墙面均宜进行勾缝。具体做法见下图:项目(专业)技术负责人交底人接受交底人注:本记录一式两份,一份交底单位存,一份接受交底单位存。山东省建设工程质量监督总站监制技术交底记录鲁JJ-005-001工程名称昌奥国际5#楼施工单位山东新城建工股份有限公司交底部位外墙工序名称(砂加气)自保温砌块施...

1、当您付费下载文档后,您只拥有了使用权限,并不意味着购买了版权,文档只能用于自身使用,不得用于其他商业用途(如 [转卖]进行直接盈利或[编辑后售卖]进行间接盈利)。
2、本站所有内容均由合作方或网友上传,本站不对文档的完整性、权威性及其观点立场正确性做任何保证或承诺!文档内容仅供研究参考,付费前请自行鉴别。
3、如文档内容存在违规,或者侵犯商业秘密、侵犯著作权等,请点击“违规举报”。

碎片内容

2024年外墙砂加气自保温砌块技术交底

您可能关注的文档

确认删除?
VIP
微信客服
  • 扫码咨询
会员Q群
  • 会员专属群点击这里加入QQ群
客服邮箱
回到顶部