电脑桌面
添加小米粒文库到电脑桌面
安装后可以在桌面快捷访问

多联机清洗施工方案

多联机清洗施工方案_第1页
1/11
多联机清洗施工方案_第2页
2/11
多联机清洗施工方案_第3页
3/11
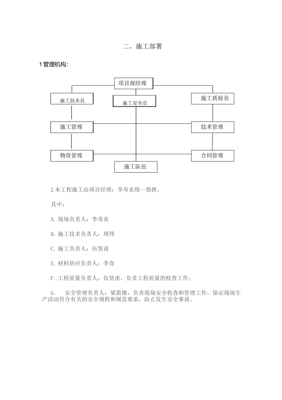
施工方案一、清洗的必要性长期使用过程中空调内部会存积大量灰尘、污垢,产生大量的细菌、病毒。这些有害物质随着空气在室内循环,污染空气,传播疾病,严重危害人体健康。而污垢会降低空调的制冷效率,增加能耗,缩短空调使用寿命。所以在使用一段时间后对空调进行清洗十分有必要性。清洗风机翅片的过程必须先拆卸风机马达和叶轮,可以顺带对马达、电容是否烧坏进行检查。夏天制冷时,由于冷凝水多,在托盘中流入冷凝水排水管时,容易产生菌团和藻类,堵塞冷凝排水管,所以应对托盘进行清洗和杀菌灭藻等保养工作。对风机盘管清洗集水盘后,进行消毒杀菌及凝结水管疏通,定期在风机盘管集水盘放置风机盘管消毒杀菌片,可防止因为细菌、藻类繁殖而堵管。同时对风机盘管风机叶轮、蜗壳和马达、轴等拆洗除尘。风机盘管清洗后,通风量增大、中央空调效果好、室内空气质量好、噪声减少、电费减少、凝结水流畅。二、施工部署1 管理机构:2 本工程施工由项目经理:李寿炎统一指挥。其中:A. 现场负责人:李寿炎B. 施工技术负责人:周伟C. 施工负责人:伍贤甫E. 材料供应负责人:李奇F. 工程质量负责人:伍贤甫,负责工程质量的检查工作;G.安全管理负责人:梁箭雄,负责现场安全检查和管理工作,保证现场生产活动符合有关的安全规程和规范要求,防止发生安全事故。三、施工准备1、人事准备:甲、乙双方参与项目施工人员见面,明确人员职责,并由甲方相关工作人员向乙方施工人员讲解大楼的安全保卫制度等施工中应注意的事项,双方就此确认施工临时管制条例。2、场地准备:•确认清洗工作区,我司将在指定区域内进行拆下后的设备清洗工作,工作区应排水、通风良好,清洗工作进行时应明示与清洗无关人员禁止进入;•确认有保管条件的工具存放区,我司将在指定区域内存放清洗工具、消毒剂、清洗药剂等,施工人员可在该区域内进行休整;•熟悉指定的运送通道位置。3、施工工具、材料、清洗药剂准备:•施工工具、材料、消毒剂、清洗药剂放置在工具存放区,有专人负责保管、调配、补充,满足施工进度的要求。4、施工注意事项•对施工区域的工作台、电脑等办公家具采用塑料薄膜保护;•施工操作中防止风机盘管翅片划伤,防止电机进水,防止电路错接,加强对这些环节的质量控制。•施工操作中保证用电、用水的安全;•填写检查记录表四、清洗流程主要包括检修、清洗(除垢、杀菌、风机盘管表冷器除藻)、风机盘管及进出风口的维护。具体清洗流程如下:1、风口过滤网的...

1、当您付费下载文档后,您只拥有了使用权限,并不意味着购买了版权,文档只能用于自身使用,不得用于其他商业用途(如 [转卖]进行直接盈利或[编辑后售卖]进行间接盈利)。
2、本站所有内容均由合作方或网友上传,本站不对文档的完整性、权威性及其观点立场正确性做任何保证或承诺!文档内容仅供研究参考,付费前请自行鉴别。
3、如文档内容存在违规,或者侵犯商业秘密、侵犯著作权等,请点击“违规举报”。

碎片内容

多联机清洗施工方案

您可能关注的文档

确认删除?
VIP
微信客服
  • 扫码咨询
会员Q群
  • 会员专属群点击这里加入QQ群
客服邮箱
回到顶部