电脑桌面
添加小米粒文库到电脑桌面
安装后可以在桌面快捷访问

滑坡施工方案

滑坡施工方案_第1页
1/18
滑坡施工方案_第2页
2/18
滑坡施工方案_第3页
3/18
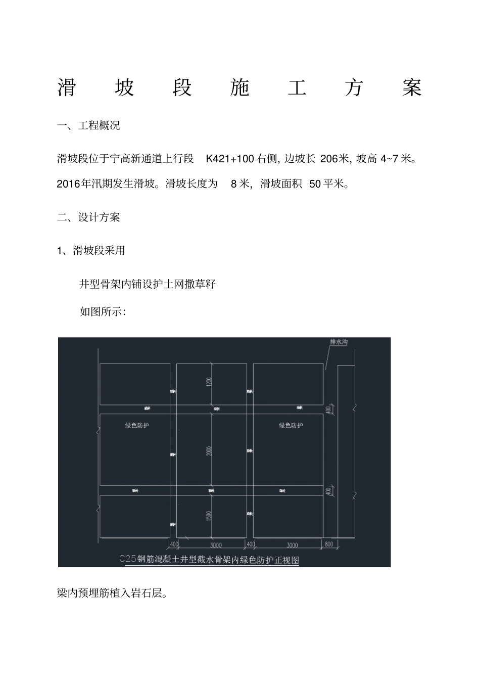
滑坡段施工方案一、工程概况滑坡段位于宁高新通道上行段K421+100 右侧,边坡长 206米,坡高 4~7 米。2016年汛期发生滑坡。滑坡长度为8 米,滑坡面积 50 平米。二、设计方案1、滑坡段采用井型骨架内铺设护土网撒草籽如图所示:梁内预埋筋植入岩石层。梁内钢筋三、施工组织3.1 人员组织机构架子队设队长1 名,技术负责人1 名,专业技术员1 名,领工员和工班长各 1 名。架子队根据管段内的工作量及工期进度要求安排施工人员组成如下:架子队队长:王家好技术负责人:王家田质检员:张生敏安全员:徐明宏技术员:王岩领工员:周多树工班长:潘虎3.2 机械设备配置机械设备名称规格型号单位数量备注挖掘机台1 小型发电机15KW 台2 混凝土运输车8-10m3 台2 四、施工程序及施工工艺4.1 井型骨架护坡施工1、施工工艺流程施工准备→测量放样→路基刷坡→护坡基础开挖→植筋→钢筋混凝土护坡基础浇注→养护→浇筑护脚→养护→C25混凝土井型骨架、截水槽施工→养护→伸缩缝设置→养护→铺设护土网→边坡培土、撒草籽→养护。2、施工方法4.2.1测量放样①主骨架放样根据事先排好的主骨架里程计算出主骨架在的坐标,使用全站仪放样主骨架中心里程,并钉桩做标记。③梁放样施工前先按照梁的尺寸制作一个模具。待主骨架的放样完成后,使用钢尺(或卷尺)测量出主拱底脚所在位置,并将模具固定在坡面上,用白灰线撒出主拱的开挖范围。4.2.2路基刷坡边坡按设计坡度挂线进行人工修整,路堤段清除坡面浮土及松动石块,缺土部分挖台阶分层填筑;施工前对坡体进整平、夯实,达到路堤压实标准,经验收合格后再做防护。4.2.3梁施工①植筋:根据梁测量的结构形式放样,做出梁点,开孔注胶,有关的各部尺寸、变化点的高程要定在植入钢筋上,施工中可经常检查、核对,能较好地控制施工质量。模板:根据测量结果,进行立模板程序。②浇筑:混凝土在拌和站拌和, 混凝土运输车运送至现场, 泵送入模,插入式振动棒振捣。混凝土浇筑完成并收面平整后,及时覆盖洒水养护。③勾缝:伸缩缝的设置:沿线路方向每6 米一道伸缩缝,缝宽0.02m,缝内填塞沥青木板,深0.3m。④排水沟:顶宽 0.8m,排水沟采用现浇混凝土,向下排水坡。3、撒草籽在铺设护土网完成后,网上部分回填适宜植物生长的黏性土,再撒草籽。并根据天气情况进行种植,及时浇水,保证草的成活率。撒草籽前,需先清除坡面杂物,再将土体捶实平整,培土坡面比设计喷播后的坡面低5cm,可用木桩将土体...

1、当您付费下载文档后,您只拥有了使用权限,并不意味着购买了版权,文档只能用于自身使用,不得用于其他商业用途(如 [转卖]进行直接盈利或[编辑后售卖]进行间接盈利)。
2、本站所有内容均由合作方或网友上传,本站不对文档的完整性、权威性及其观点立场正确性做任何保证或承诺!文档内容仅供研究参考,付费前请自行鉴别。
3、如文档内容存在违规,或者侵犯商业秘密、侵犯著作权等,请点击“违规举报”。

碎片内容

滑坡施工方案

确认删除?
VIP
微信客服
  • 扫码咨询
会员Q群
  • 会员专属群点击这里加入QQ群
客服邮箱
回到顶部